电脑桌面
添加小米粒文库到电脑桌面
安装后可以在桌面快捷访问

2022年煤矿安全生产标准化基本要求及评分方法(执行说明)(DOC89页)VIP免费

2022年煤矿安全生产标准化基本要求及评分方法(执行说明)(DOC89页)_第1页
1/88
2022年煤矿安全生产标准化基本要求及评分方法(执行说明)(DOC89页)_第2页
2/88
2022年煤矿安全生产标准化基本要求及评分方法(执行说明)(DOC89页)_第3页
3/88
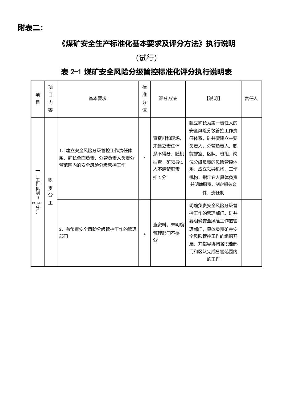
附表二:《煤矿安全生产标准化基本要求及评分方法》执行说明(试行)表2-1煤矿安全风险分级管控标准化评分执行说明表项标项目基本要求准评分方法【说明】责任人目内分容值建立矿长为第一责任人的安全风险分级管控工作责查资料和现场。任体系。矿井要建立主要1.建立安全风险分级管控工作责任体未建立责任体负责人、分管负责人、职系不得分,随机能部室、区队、班组、岗系,矿长全面负责,分管负责人负责分4抽查,矿领导1位分级负责的风险管控体管范围内的安全风险分级管控工作人不清楚职责系,成立领导机构、工作一、扣1分机构,指定专人具体负责工职作责并明确职责,制定相关文机件、责任制制分(10工明确负责安全风险分级管分)控工作的管理部门。矿井查资料。未明确要明确安全风险工作的管2.有负责安全风险分级管控工作的管理理部门,具体负责矿井安2管理部门不得部门全风险管控工作的组织开分展,并指导协调各职能部门和区队完成分管范围内的工作项标项目基本要求准评分方法【说明】责任人目内分容值煤矿应完整保存体现风险管控过程的记录资料,并分类建档。至少应包括风险管控制度、风险点台账、危险源辨识与风险评价查资料。未建立表,以及风险分级管控清制单等内容的文件化成果;建立安全风险分级管控工作制度,明确制度不得分,辨度涉及重大风险时,其辨识、安全风险的辨识范围、方法和安全风险4识范围、方法或建评价过程记录,风险控制的辨识、评估、管控工作流程工作流程1处设措施及其实施和改进记录不明确扣2分等,应单独建档管理。煤矿安全风险分级管控工作制度,应明确安全风险的辨识范围、方法和安全风险的辨识、评估、管控工作流程1、年度辨识评估人员:矿长以及各分管负责人和相关业务科室、区队;2、年度辨识评估的重点:井工煤矿瓦斯、水、火、粉尘、每年底矿长组织各分管负责人和相关业查资料。未开展顶板、冲击地压以及提升务科室、区队进行年度安全风险辨识,辨识或辨识组运输系统;3、年度安全风二重点对井工煤矿瓦斯、水、火、煤尘、织者不符合要险辨识要有记录,参加人、顶板、冲击地压及提升运输系统,露天求不得分,辨识员签字;内容明确,针对安年全煤矿边坡、爆破、机电运输等容易导致内容(危险因素性强;并随机抽查相关人风度群死群伤事故的危险因素开展安全风险不存在的除外)员询问;4、年度安全风险险辨辨辨识;及时编制年度安全风险辨识评估10缺1项扣2分,辨识评估报告;5、重特大识识评报告,建立可能引发重特大事故的重大评估报告、风险事故的重大安全风险清估评单;6、管控措施;7、辨(安全风险清单,并制定相应的管控措施;清单、管控措施40估将辨识评估结果应用于确定下一年度安缺1项扣2分,识评估结果用于明确下一分)全生产工作重点,并指导和完善下一年辨识成果未体年度安全生产工作重点,度生产计划、灾害预防和处理计划、应现缺1项扣1并指导完善下一年度生产急救援预案分计划、灾害预防和处理计划、应急救援预案;8、年度安全风险辨识评估的结果在下一年生产计划、灾害预防和处理计划、应急救援预案中有体现项标项目基本要求准评分方法【说明】责任人目内分容值1、专项辨识评估人员:总工程师、有关业务科室;2、新水平、新采(盘)区、新工作面设计查资料和现场。辨识重点:在新水平、新采(盘)区、新工作面设前,开展1次专项辨识:未开展辨识不计前,辨识地质条件和重1.专项辨识由总工程师组织有关业务科得分,辨识组织大灾害因素等方面存在的室进行;者不符合要求安全风险;3、专项辨识记2.重点辨识地质条件和重大灾害因素等扣2分,辨识内录,参加人员签字;内容方面存在的安全风险;8容缺1项扣2明确,针对性强;4、专项3.补充完善重大安全风险清单并制定相分,风险清单、安全风险辨识评估报告;应管控措施;管控措施、辨识5、重大安全风险清单;6、4.辨识评估结果用于完善设计方案,指成果未在应用管控措施;7、辨识评估结导生产工艺选择、生产系统布置、设备中体现缺1项专果在设计方案、生产工艺选型、劳动组织确定等扣1分项选择、生产系统布置、设辨备选型、劳动组织确定等识中有体现评生产系统、生产工艺、主要设施设备、1...

1、当您付费下载文档后,您只拥有了使用权限,并不意味着购买了版权,文档只能用于自身使用,不得用于其他商业用途(如 [转卖]进行直接盈利或[编辑后售卖]进行间接盈利)。
2、本站所有内容均由合作方或网友上传,本站不对文档的完整性、权威性及其观点立场正确性做任何保证或承诺!文档内容仅供研究参考,付费前请自行鉴别。
3、如文档内容存在违规,或者侵犯商业秘密、侵犯著作权等,请点击“违规举报”。

碎片内容

2022年煤矿安全生产标准化基本要求及评分方法(执行说明)(DOC89页)

您可能关注的文档

精品中小学文档+ 关注
实名认证
内容提供者

精品资料,值得下载

确认删除?
VIP
微信客服
  • 扫码咨询
会员Q群
  • 会员专属群点击这里加入QQ群
客服邮箱
回到顶部