电脑桌面
添加小米粒文库到电脑桌面
安装后可以在桌面快捷访问

市政人行横道挡土墙建筑物表格VIP免费

市政人行横道挡土墙建筑物表格_第1页
1/37
市政人行横道挡土墙建筑物表格_第2页
2/37
市政人行横道挡土墙建筑物表格_第3页
3/37
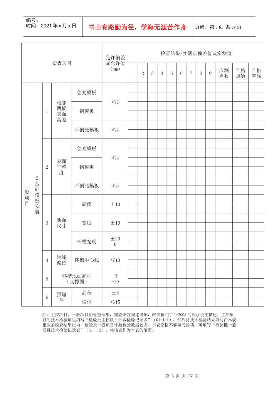
市政人行横道挡土墙构筑物表格现浇人行地道(挡土墙)结构钢筋混凝土基础模板安装检验批质量验收记录表CJJ1-2008工程名称施工单位单位工程名称分部工程名称分项工程名称验收部位工程数量项目经理技术负责人制表人施工负责人质量检验员交房班组接方班组检验日期年月日检查项目允许偏差或偏差值(mm)检查结果主控项目1模板和支架的承载能力符合GB50204-2002第4.1.1条的规定2隔离剂涂刷符合GB50204-2002第4.2.2条的规定3模板及支架拆除时的砼强度符合GB50204-2002第4.3条的规定检查项目允许偏差或偏差值(mm)检查结果/实测点偏差值或实测值123456789应测点数合格点数合格率%一般项目1模板的一般要求外观符合GB50204-2002第4.2.3条的规定用作模板的地坪、胎膜质量符合GB50204-2002第4.2.4条的规定模板起拱高度符合GB50204-2002第4.2.5条的规定第3页共37页编号:时间:2021年x月x日书山有路勤为径,学海无涯苦作舟页码:第3页共37页检查项目允许偏差或允许值(mm)检查结果/实测点偏差值或实测值123456789应测点数合格点数合格率%一般项目2基础模板安装1相邻两板表面高差创光模板≤2钢模板不创光模板≤42表面平整度创光模板≤3钢模板不创光模板≤53断面尺寸高度±10宽度±10怀槽宽度±2004轴线偏位怀槽中心线≤105怀槽地面高程(支撑面)+5-106预埋件高程±5偏位≤15注:主控项目、一般项目的检查结果,需要语言描述得项,应该按CJJ1-2008的要求说实描述;主控项目的技术检验项先填写“检验批主控项目计数检验记录多”(G1-1-1),然后将技术检验结果填写在本表相应的检查结果栏内;检验批一般项目计数检验数据较多、本表空格不够填写的项,可填写“检验批一般项目技术检验记录表”(G1-1-2),将该表作为本表的附页。第4页共37页第3页共37页编号:时间:2021年x月x日书山有路勤为径,学海无涯苦作舟页码:第4页共37页现浇人行地道(挡土墙)结构钢筋混凝土侧墙与顶板模板安装检验批质量验收记录表CJJ1-2008工程名称施工单位单位工程名称分部工程名称分项工程名称验收部位工程数量项目经理技术负责人制表人施工负责人质量检验员交房班组接方班组检验日期年月日检查项目允许偏差或偏差值(mm)检查结果主控项目1模板和支架的承载能力符合GB50204-2002第4.1.1条的规定2隔离剂涂刷符合GB50204-2002第4.2.2条的规定3模板及支架拆除时的砼强度符合GB50204-2002第4.3条的规定检查项目允许偏差或偏差值(mm)检查结果/实测点偏差值或实测值123456789应测点数合格点数合格率%一般项目1模板的一般要求外观符合GB50204-2002第4.2.3条的规定用作模板的地坪、胎膜质量符合GB50204-2002第4.2.4条的规定模板起拱高度符合GB50204-2002第4.2.5条的规定第5页共37页第4页共37页编号:时间:2021年x月x日书山有路勤为径,学海无涯苦作舟页码:第5页共37页续上页检查项目允许偏差或允许值(mm)检查结果/实测点偏差值或实测值123456789应测点数合格点数合格率%一般项目2基础模板安装1相邻两板表面高差创光模板≤2000001011011100111钢模板010011100000011100不创光模板≤43333002322333333322表面平整度创光模板≤3020010011200000000钢模板200122221122222220不创光模板≤51120112433404444223垂直度≤0.1%H且≤60000000004怀槽内尺寸+3-50-200000-1-3-3000000-3-35轴线偏移≤108564445656地面高程+2,-510000-1-100一般项目平均合格率(%)施工单位检查评定结果项目专业质量检查员:年月日监理(建设)单位验收意见专业监理工程师:(建设单位项目专业技术负责人)年月日注:主控项目、一般项目的检查结果,需要语言描述得项,应该按CJJ1-2008的要求说实描述;主控项目的技术检验项先填写“检验批主控项目计数检验记录多”(G1-1-1),然后将技术检验结果填写在本表相应的检查结果栏内;检验批一般项目计数检验数据较多、本表空格不够填写的项,可填写“检验批一般项目技术检验记录表”(G1-1-2),将该表作为本表的附页。第6页共37页第5页共37页编号:时间:2021年x月x日书山有路勤为径,学海无涯苦作舟页码:第6页共37页现浇钢筋混凝土结构钢筋加工及安装工程检验批质量验收记录表CJJ1-2008工程...

1、当您付费下载文档后,您只拥有了使用权限,并不意味着购买了版权,文档只能用于自身使用,不得用于其他商业用途(如 [转卖]进行直接盈利或[编辑后售卖]进行间接盈利)。
2、本站所有内容均由合作方或网友上传,本站不对文档的完整性、权威性及其观点立场正确性做任何保证或承诺!文档内容仅供研究参考,付费前请自行鉴别。
3、如文档内容存在违规,或者侵犯商业秘密、侵犯著作权等,请点击“违规举报”。

碎片内容

市政人行横道挡土墙建筑物表格

精品中小学资料+ 关注
实名认证
内容提供者

精品文档

相关文档

确认删除?
VIP
微信客服
  • 扫码咨询
会员Q群
  • 会员专属群点击这里加入QQ群
客服邮箱
回到顶部