电脑桌面
添加小米粒文库到电脑桌面
安装后可以在桌面快捷访问

在用公路桥梁养护管理情况检查评价标准表VIP免费

在用公路桥梁养护管理情况检查评价标准表_第1页
1/3
在用公路桥梁养护管理情况检查评价标准表_第2页
2/3
在用公路桥梁养护管理情况检查评价标准表_第3页
3/3
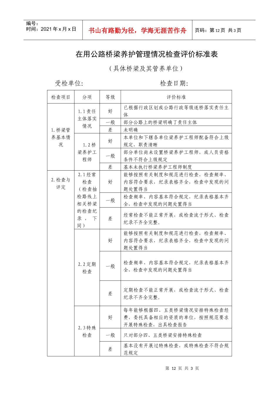
第12页共3页编号:时间:2021年x月x日书山有路勤为径,学海无涯苦作舟页码:第12页共3页在用公路桥梁养护管理情况检查评价标准表(具体桥梁及其管养单位)受检单位:检查日期:检查项目分项等级评价标准1.桥梁管养基本情况1.1责任主体落实情况好已根据行政区划或公路行政等级逐桥落实责任主体一般部分公路上的桥梁明确了责任主体差未明确1.2桥梁养护工程师好本单位和下辖各单位梁养护工程师配备符合上级规定,职责清晰一般部分单位尚未设置桥梁养护工程师,或人员资格条件不符合上级规定差基本未执行桥梁养护工程师制度2.检查与评定2.1经常检查(检查抽检路线上相关桥梁的检查纪录,下同)好能够按照有关制度和规范进行检查,检查频率、内容符合要求,纪录表格齐全,检查中发现的问题处置得当一般检查频率、内容基本符合规定,纪录表格基本齐全,检查中发现的问题处置得当差经常检查不能正常开展,或检查流于形式、检查纪录不齐全完整。2.2定期检查好能够按照有关制度和规范进行检查,检查频率、内容符合要求,纪录表格齐全,检查中发现的问题处置得当一般检查频率、内容基本符合规定,纪录表格基本齐全,检查中发现的问题处置得当差定期检查不能正常开展,或检查流于形式、检查纪录不齐全完整。2.3特殊检查好每年能够根据四、五类桥梁情况安排特殊检查经费,委托具备相应的资质的单位,按照规范要求开展特殊检查,出具检查报告一般只对部分四、五类桥梁安排特殊检查差基本没有开展过特殊检查,或特殊检查不符合规范规定第13页共3页第12页共3页编号:时间:2021年x月x日书山有路勤为径,学海无涯苦作舟页码:第13页共3页2.检查与评定2.4危桥复核好能够按照工作程序对评定为四、五类的桥梁进行复核,文件齐全。差不能按照工作程序对评定为四、五类的桥梁进行复核。2.5技术状况评定好能够根据检查结果开展技术状况评定工作,评定周期、评定单位、评定程序符合有关制度和规范要求一般部分桥梁能够根据检查结果开展技术状况评定工作,评定周期、评定单位、评定程序基本符合有关制度和规范要求,评定结果基本准确差桥梁技术状况评定工作不能正常开展,或评定周期、程序存在问题较多3.危桥管理3.1组组织实施好危桥改造程序清晰、合理,并得以贯彻落实,信息发布及时,交通保畅方案完善。一般基本按照规定程序开展改造工作,但部分非关键环节存在问题差不能贯彻落实相关工作程序,或主要环节存在明显问题3.2工程验收好按照规定在工程完工后进行验收,工程质量和桥梁技术状况达到设计要求差未按规定在工程完工后进行验收或工程质量和桥梁技术状况达不到设计要求3.3危桥监控及交通管制情况好专人专职管理,责任主体清晰,采取强制性措施限制或封闭交通,设置合理绕行线路。一般责任主体清晰,但难以确保超重车辆限制过桥差未采取相应措施监控,或未设置限载标志4.技术档案管理4.1基础资料好桥梁档案资料完整,内容翔实、准确,能够比较全面的掌握桥梁档案一般主要档案资料基本完整、准确,非关键内容存在问题差关键内容缺失、不准确4.2检查资料好能够准确、完整纪录每次检查情况,资料完整,内容翔实、准确,主要病害有针对性检查和跟踪纪录一般检查纪录基本完整,内容基本准确差检查纪录不完整,或存在明显不准确现象4.3养护维修资料好能够掌握桥梁的维修历史,相关资料完整,内容翔实、准确一般维修历史资料基本完整,内容基本准确第14页共3页第13页共3页编号:时间:2021年x月x日书山有路勤为径,学海无涯苦作舟页码:第14页共3页差维修档案管理混乱,或维修历史不完整4.4桥梁信息化管理好建立了完整的信息系统管理桥梁养护管理相关信息,数据更新与桥梁检查、维修同步一般数据更新基本与桥梁检查、维修同步,关键信息基本完整、准确差数据基本不更新,或关键信息缺失、没有建立信息管理系统等5.应急处置5.1重要和特大型桥梁,四、五类桥梁,超过使用年限的危旧桥梁好均制定了单独应急预案,预案科学合理,交通绕行措施得当一般部分桥梁单独制定了应急预案,预案基本可行,交通绕行措施得当差未制定单独应急预案,或应急预案有明显缺陷,可操作性差说明:1.评价上述相关检查项目时,应结...

1、当您付费下载文档后,您只拥有了使用权限,并不意味着购买了版权,文档只能用于自身使用,不得用于其他商业用途(如 [转卖]进行直接盈利或[编辑后售卖]进行间接盈利)。
2、本站所有内容均由合作方或网友上传,本站不对文档的完整性、权威性及其观点立场正确性做任何保证或承诺!文档内容仅供研究参考,付费前请自行鉴别。
3、如文档内容存在违规,或者侵犯商业秘密、侵犯著作权等,请点击“违规举报”。

碎片内容

在用公路桥梁养护管理情况检查评价标准表

您可能关注的文档

确认删除?
VIP
微信客服
  • 扫码咨询
会员Q群
  • 会员专属群点击这里加入QQ群
客服邮箱
回到顶部