电脑桌面
添加小米粒文库到电脑桌面
安装后可以在桌面快捷访问

围墙施工方案99247VIP免费

围墙施工方案99247_第1页
1/6
围墙施工方案99247_第2页
2/6
围墙施工方案99247_第3页
3/6
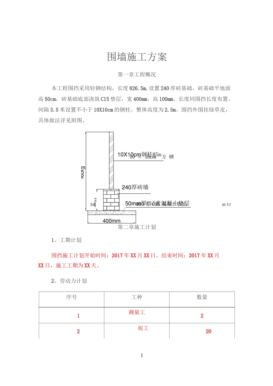
单层1围墙施工方案第一章工程概况本工程围挡采用轻钢结构,长度826.5m,设置240厚砖基础,砖基础平地面高50cm,砖基础底部浇筑C15垫层,宽400mm,高100mm,长度同围挡长度布置。间隔3.5米设置不小于10X10cm的钢柱,整体高度为2.5m。围挡外围挂绿草皮,具体做法详见附图。第二章施工计划1、工期计划围挡施工计划开始时间:2017年XX月XX日,结束时间:2017年XX月XX日,施工工期为XX天。2、劳动力计划序号工种数量1测量工22泥工2023架子工104焊工105申工36杂工20第二章施工准备1、测量放线,依据原有围墙的位置及标高,确定本工程围挡的位置。2、组织学习、熟悉施工图纸,做好设计交底工作。3、编制施工进度控制实施细则,分解工程进度控制目标,明确各自职责,确保工期。第四章主要项目施工方法及技术措施1、施工工艺原有临时围挡拆除一场地平整一定位放线一基槽开挖一支设模板一浇筑砼垫层f检查验收f拆除模板f砖基础砌筑f方钢安装f混凝土墩浇筑f粉刷施工一彩钢板安装一绿草皮外挂一照明安装。其中:土方开挖工序如下:定位测量一一埋设轴线引桩一一撒出开挖线一一人工挖土一一地基验槽一—地基异常处理一一进入下道工序。2、施工要点1)土方开挖过程中土量,在现场附近就近堆放,以用于回填。2)开挖过程中,测量人员随时抄平,在坑壁上钉上标高控制桩,以便随时掌握开挖深度,防止超挖。3)挖土时,应提前探明地下管线的分布情况,做好妥善处理。34)土方施工中,应注意施工机械的安全使用,进场前进行检修。开挖时挖掘机工作范围内不准进行其他作业。3、施工工艺要求(1)原围挡拆除1)本工程原围挡采用钢管支撑加彩钢板形式搭设,现需对原围墙进行拆除,拆除过程中,不得用机械进行拆除,应当采用人工拆除,拆除过程中,每个区域应设专人监督。2)拆除的材料应分类堆放,考虑到施工现场处于土方开挖阶段,材料无法堆放在场地内,且因受现场环境影响,拆除的材料通过人工搬运清出场外。(2)测量放线根据业主提供的图纸,安排测量人员对围墙位置进行测量放线。(3)基槽开挖1)基槽开挖采用人工挖土方式;2)土方开挖过程中土量,在现场附近就近堆放,以用于回填。3)开挖过程中,测量人员随时抄平,在坑壁上钉上标高控制桩,以便随时掌握开挖深度,防止超挖。4)挖土时,应提前探明地下管线的分布情况,做好妥善处理。(4)垫层浇筑1)本工程围挡垫层采用C15混凝土浇筑,内配①6.5@200单层双向钢筋;2)待基础轴线尺寸,基底标高经验收合格后,测放人员及时标定100mm厚砼上皮的标高控制线。3)混凝土浇筑过程中,随浇随振随抹平,浇筑完混凝土及时进行覆盖养护(覆盖采用薄膜加一道岩棉毡)。4(5)砖基础砌筑1)本工程围挡砖基础采用MU10混凝土多孔砖、M10砌筑砂浆砌筑,高500mm,厚240mm。2)砌筑前,根据墙体位置,弹出墙体轴线及边线;砌筑时,必须拉准线,砌块依准线砌筑。3)砌筑过程中,每隔3.5米留设240X200X500mm(H)空洞间隔。4)本工程处于基坑开挖阶段,四周道路也处于施工阶段,材料无法通过机械直接运输至施工区域,需通过人工搬运。5)质量标准序号项目允许偏差检查方法1轴线位移10全站仪检测2墙面垂直度10吊线或靠尺检杳3表面平整度8靠尺检查(6)方钢安装1)本工程围挡方钢规格为10X10cm,单根长度不应小于围墙高度2.5m。2)方钢底部采用4根①14膨胀螺栓加一道200mmX200mmX10mm(H)钢板。3)方钢与钢板采用焊接连接(满焊)。4)本工程处于基坑开挖阶段,四周道路也处于施工阶段,材料无法通过机械直接运输至施工区域,需通过人工搬运。(7)混凝土浇筑51)本工程围挡混凝土墩采用C30混凝土浇筑,随浇随振捣。2)加固措施详见下图。3)本工程围挡混凝土墩基础采用人工自卸、运输。(8)彩钢板安装1)本工程围挡彩钢板采用5cm厚彩钢板,用密封胶进行连接安装。彩钢板上下端采用8#槽钢进行通长加固。2)本工程处于基坑开挖阶段,四周道路也处于施工阶段,材料无法通过机械直接运输至施工区域,需通过人工搬运。(9)基础粉刷砖基础采用10厚125水泥砂浆粉刷,根据业主要求,再进行蓝色涂料粉刷。(10)围挡美化本工程围挡外立面均采用挂绿色草皮进行美化。(11)围挡...

1、当您付费下载文档后,您只拥有了使用权限,并不意味着购买了版权,文档只能用于自身使用,不得用于其他商业用途(如 [转卖]进行直接盈利或[编辑后售卖]进行间接盈利)。
2、本站所有内容均由合作方或网友上传,本站不对文档的完整性、权威性及其观点立场正确性做任何保证或承诺!文档内容仅供研究参考,付费前请自行鉴别。
3、如文档内容存在违规,或者侵犯商业秘密、侵犯著作权等,请点击“违规举报”。

碎片内容

围墙施工方案99247

确认删除?
VIP
微信客服
  • 扫码咨询
会员Q群
  • 会员专属群点击这里加入QQ群
客服邮箱
回到顶部