电脑桌面
添加小米粒文库到电脑桌面
安装后可以在桌面快捷访问

第3节电与磁电磁铁_电磁继电器导学案VIP免费

第3节电与磁电磁铁_电磁继电器导学案_第1页
1/2
第3节电与磁电磁铁_电磁继电器导学案_第2页
2/2
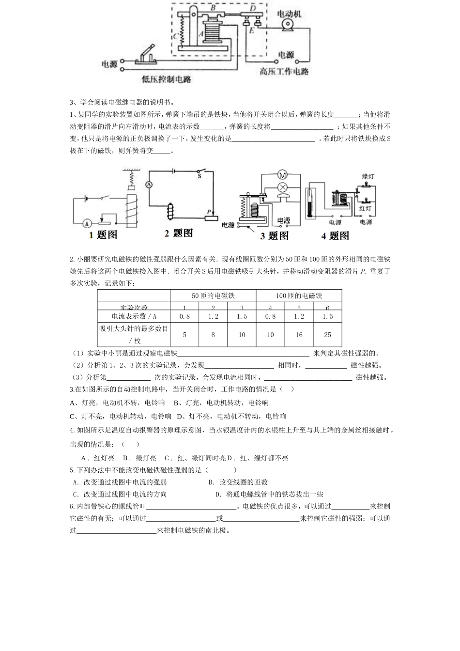
第二十章电与磁第三节电磁铁电磁继电器【学习目标】1、能描述电磁铁,说明电磁铁的特点和工作原理。2、能通过实验,得出电磁铁磁性强弱与哪些因素有关。3、能说明电磁继电器的结构及工作原理,了解电磁继电器在生产、生活中的应用。【学习重点】通过实验,得出电磁铁磁性强弱与哪些因素有关【学习难点】:能说明电磁继电器的结构及工作原理【自主学习】:请同学们仔细阅读课本P129---P131的内容并适当结合课本插图。【预习检测】:1.定义:内部插入的叫做电磁铁。2.工作原理:当有通过时有磁性,没有通过时无磁性。3.应用:家用电器中如、、工业生产中的都有电磁铁。4.定义:电磁继电器就是利用的一种开关。5.作用:利用的通断,来间接地的通断★学生活动一:认识电磁铁(课本图20.3-120.3-2)演示实验:取一个带有铁芯的螺线管、一些大头针,将螺线管通电,靠近大头针,观察发生的现象,然后断开电路,观察发生的现象。现象表明:螺线管通电时,断电时。我们把叫电磁铁。它运用于我们生活的很多领域。★学生活动二:电磁铁的磁性1.探究电磁铁磁性的强弱与哪些因素有关①如右图,将开关S接1的位置,适当调节滑动变阻器滑片的位置,观察电磁铁吸引大头针的数目。②断开开关,观察电磁铁能否吸引大头针。③开关S接1的位置,适当向右调节滑动变阻器滑片的位置,电流表的示数将变,观察电磁铁吸引大头针的数目。④开关S接2的位置,适当向调节滑动变阻器滑片的位置,使电流表的示数与③步骤中的相同,观察电磁铁吸引大头针的数目。⑤结论:比较①②可知,电磁铁;比较①③可知,匝数一定时,;比较③④可知,电流一定时,。2.实验中如何判断磁性的强弱这种物理研究方法是法。电磁铁磁性强弱同时与电流、匝数、有无铁芯有关,为了研究磁性强弱和其中一个因素的关系,要使用的物理研究方法是法。3.磁浮列车的工作原理:。★学生活动三:电磁继电器1、结构:它由低压电路和高压电路两部分电路构成。构造如下图的A、B、C、D组成。2、电磁继电器的工作原理:当闭合低压控制电路开关时,电磁铁A就有,衔铁B在的作用下向运动,使动触点D跟下面的静触点接触,使连通,电动机工作。当低压控制电路开关时,电磁铁A就,衔铁B在的作用下向运动,使动触点D跟下面的静触点,使断开,电动机停止工作。这样,电磁继电器就完成了用、来控制、的任务。电磁继电器还可以实现操作和。3、学会阅读电磁继电器的说明书。1、某同学的实验装置如图所示,弹簧下端吊的是铁块,当他将开关闭合以后,弹簧的长度_______;当他将滑动变阻器的滑片向左滑动时,电流表的示数_______,弹簧的长度将;如果其他条件不变,他只是将电源的正负极调换了一下,发生变化的是。若此时只将铁块换成S极在下的磁铁,则弹簧将变。2.小丽要研究电磁铁的磁性强弱跟什么因素有关.现有线圈匝数分别为50匝和100匝的外形相同的电磁铁她先后将这两个电磁铁接入图中.闭合开关S后用电磁铁吸引大头针,并移动滑动变阻器的滑片P.重复了多次实验,记录如下:50匝的电磁铁100匝的电磁铁实验次数123456电流表示数/A0.81.21.50.81.21.5吸引大头针的最多数目/枚5810101625(1)实验中小丽是通过观察电磁铁来判定其磁性强弱的。(2)分析第1、2、3次的实验记录,会发现相同时,磁性越强。(3)分析第次的实验记录,会发现电流相同时,磁性越强。3.在如图所示的自动控制电路中,当开关闭合时,工作电路的情况是()A、灯亮,电动机不转,电铃响B、灯亮,电动机转动,电铃响C、灯不亮,电动机转动,电铃响D、灯不亮,电动机不转动,电铃响4.如图所示是温度自动报警器的原理示意图,当水银温度计内的水银柱上升至与其上端的金属丝相接触时,出现的情况是:()A.红灯亮B.绿灯亮C.红、绿灯同时亮D.红、绿灯都不亮5.下列办法中不能改变电磁铁磁性强弱的是()A.改变通过线圈中电流的强弱B.改变线圈的匝数C.改变通过线圈中电流的方向D.将通电螺线管中的铁芯拔出一些6.内部带铁心的螺线管叫。电磁铁的优点很多,可以通过来控制它磁性的有无;可以通过或来控制它磁性的强弱;可以通过来控制电磁铁的南北极。

1、当您付费下载文档后,您只拥有了使用权限,并不意味着购买了版权,文档只能用于自身使用,不得用于其他商业用途(如 [转卖]进行直接盈利或[编辑后售卖]进行间接盈利)。
2、本站所有内容均由合作方或网友上传,本站不对文档的完整性、权威性及其观点立场正确性做任何保证或承诺!文档内容仅供研究参考,付费前请自行鉴别。
3、如文档内容存在违规,或者侵犯商业秘密、侵犯著作权等,请点击“违规举报”。

碎片内容

第3节电与磁电磁铁_电磁继电器导学案

您可能关注的文档

百万精品文档+ 关注
实名认证
内容提供者

中小学学习资料教案课件

确认删除?
VIP
微信客服
  • 扫码咨询
会员Q群
  • 会员专属群点击这里加入QQ群
客服邮箱
回到顶部