电脑桌面
添加小米粒文库到电脑桌面
安装后可以在桌面快捷访问

腐植酸知识、试验有关数据32开——表VIP免费

腐植酸知识、试验有关数据32开——表_第1页
1/14
腐植酸知识、试验有关数据32开——表_第2页
2/14
腐植酸知识、试验有关数据32开——表_第3页
3/14
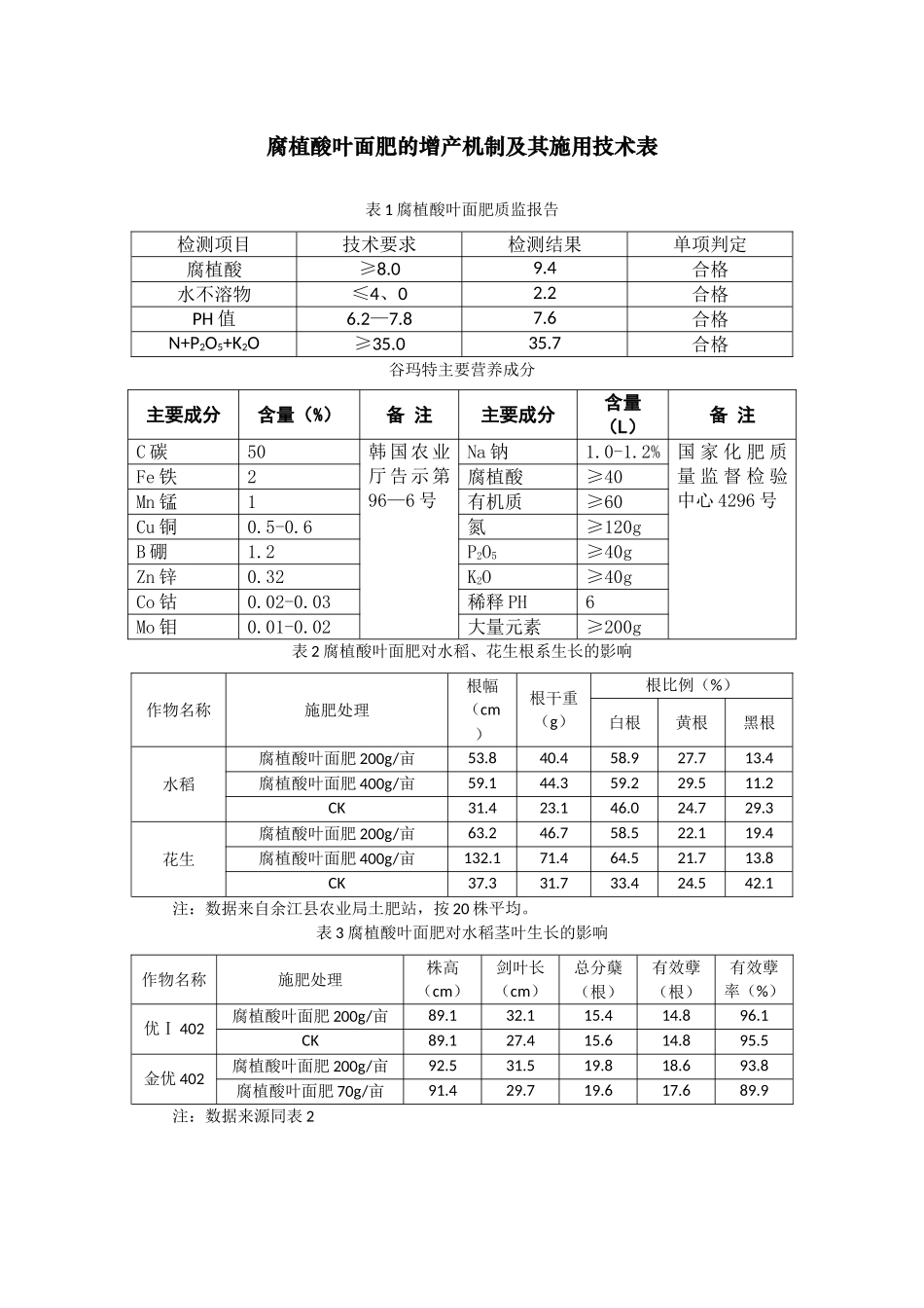
腐植酸叶面肥的增产机制及其施用技术表表1腐植酸叶面肥质监报告检测项目技术要求检测结果单项判定腐植酸≥8.09.4合格水不溶物≤4、02.2合格PH值6.2—7.87.6合格N+P2O5+K2O≥35.035.7合格谷玛特主要营养成分主要成分含量(%)备注主要成分含量(L)备注C碳50韩国农业厅告示第96—6号Na钠1.0-1.2%国家化肥质量监督检验中心4296号Fe铁2腐植酸≥40Mn锰1有机质≥60Cu铜0.5-0.6氮≥120gB硼1.2P2O5≥40gZn锌0.32K2O≥40gCo钴0.02-0.03稀释PH6Mo钼0.01-0.02大量元素≥200g表2腐植酸叶面肥对水稻、花生根系生长的影响作物名称施肥处理根幅(cm)根干重(g)根比例(%)白根黄根黑根水稻腐植酸叶面肥200g/亩53.840.458.927.713.4腐植酸叶面肥400g/亩59.144.359.229.511.2CK31.423.146.024.729.3花生腐植酸叶面肥200g/亩63.246.758.522.119.4腐植酸叶面肥400g/亩132.171.464.521.713.8CK37.331.733.424.542.1注:数据来自余江县农业局土肥站,按20株平均。表3腐植酸叶面肥对水稻茎叶生长的影响作物名称施肥处理株高(cm)剑叶长(cm)总分蘖(根)有效孽(根)有效孽率(%)优Ⅰ402腐植酸叶面肥200g/亩89.132.115.414.896.1CK89.127.415.614.895.5金优402腐植酸叶面肥200g/亩92.531.519.818.693.8腐植酸叶面肥70g/亩91.429.719.617.689.9注:数据来源同表2表4腐植酸叶面肥对棉花生长发育的影响试地点验农户姓名施肥处理平均株高(cm)平均果枝层数结桃情况籽棉产量(kg)产量比较(%)总数伏前桃伏前桃秋桃永修刘喜林腐植酸400g/亩131.316.637.07.021.28.8305.5150.3梅唐乡中心村CK119.815.127.64.017.85.8203.3100表5腐植酸叶面肥对作物光合作用的影响测定时间作物名称处理光合有效辐射Umol/m2.s净光合率Umol/m2.s蒸腾速度mmol/m2.s气孔导度mol/m2.s上午10时花生CK958.8-5.420.4215.58腐植酸200g/亩974.80.270.9922.28下午3时苦瓜CK1256.31.160.5411.30腐植酸500g/亩1386.61.731.1523.40下午4时茄子CK1271.51.412.0659.5腐植酸200g/亩1399.55.382.2464.9表6腐植酸叶面肥对脐橙座果率产量的影响品种保果处理4月16日数花11月6日数果平均座果率(%)产量(kg)增产(%)株产亩产纽荷尔脐橙腐植酸5220朵/3株354朵/3株6.823.601888.0164.0BA+GA4510朵/3株248朵/3株5.514.391151.2100.0注:数据来源赣州市果业局技术推广站表7腐植酸叶面肥对脐橙果重及大小的影响处理平均单果重平均每株果数果品组成大果>8cm商品果7—8cm小果<7cm商品果率(%)腐植酸叶面肥1000g/亩200220311563370.91常规施肥1741039445042.72注:数据来源赣州市果业局技术推广站表8腐植酸叶面肥对温柑保果与增产效应试验地点品种农户名称施肥处理实测产量(kg/株)折合亩产(Kg)产量比较(%)座果率(%)九江市永修县拓林镇宫川温柑李良根腐植酸800g/亩29.892391.2151.962.31常规19.671573.60100.001.09易家和村刘建华腐植酸800g/亩28.002242.90178.602.5415.701256.00100.001.02注:数据来自江西华农公司技术部表9腐植酸叶面肥对对西瓜、甜瓜产量、品质的影响示范地点农户名称作物品种施肥处理实测产量(kg/亩)产量比较(%)含糖量(%)星子县温泉镇通书院村8组陈爱民早西瓜西农8号300g/亩3262.0145.112.4常规2248.0100.08.8甜瓜日本3号300g/亩1851.3139.512.5常规1327.4100.09.4德安县高唐乡高唐村孙发育西瓜日本甜珍300g/亩1380.0121.413.5常规1120.0100.010.0永修县三角乡农技站袁自行秋西瓜红宝500g/亩1600.0132.012.6常规1212.0100.09.6注:数据来自江西华农公司技术部表10腐植酸叶面肥对作物抗病性的影响试验年份施肥处理辣椒花生调查株数青枯病发病率(%)调查株数锈病发病率(%)烂果率(%)2000腐植酸叶面肥5007.230011.313.8CK50083.430086.737.12001腐植酸叶面肥5005.830019.414.3CK50087.530097.841.7注:数据来自余江县邓朴镇、刘家站场表11腐植酸叶面肥的增产效果作物名称试验次数平均增产(%)最高增产(%)最低增产(%)水稻4715.1029.713.4棉花1318.9567.09.1蔬菜32160.20121.631.1柑桔3429.184.919.2西(甜)瓜2332.645.021.4葛1823.833.724.4梨830.440.220.6茶叶1630.8324.718.9桑叶928.155.617.6中药材...

1、当您付费下载文档后,您只拥有了使用权限,并不意味着购买了版权,文档只能用于自身使用,不得用于其他商业用途(如 [转卖]进行直接盈利或[编辑后售卖]进行间接盈利)。
2、本站所有内容均由合作方或网友上传,本站不对文档的完整性、权威性及其观点立场正确性做任何保证或承诺!文档内容仅供研究参考,付费前请自行鉴别。
3、如文档内容存在违规,或者侵犯商业秘密、侵犯著作权等,请点击“违规举报”。

碎片内容

腐植酸知识、试验有关数据32开——表

金钥匙书屋+ 关注
实名认证
内容提供者

热爱教育事业,爱好互联网行业

相关文档

确认删除?
VIP
微信客服
  • 扫码咨询
会员Q群
  • 会员专属群点击这里加入QQ群
客服邮箱
回到顶部