电脑桌面
添加小米粒文库到电脑桌面
安装后可以在桌面快捷访问

海带中碘含量的测定VIP免费

海带中碘含量的测定_第1页
1/5
海带中碘含量的测定_第2页
2/5
海带中碘含量的测定_第3页
3/5
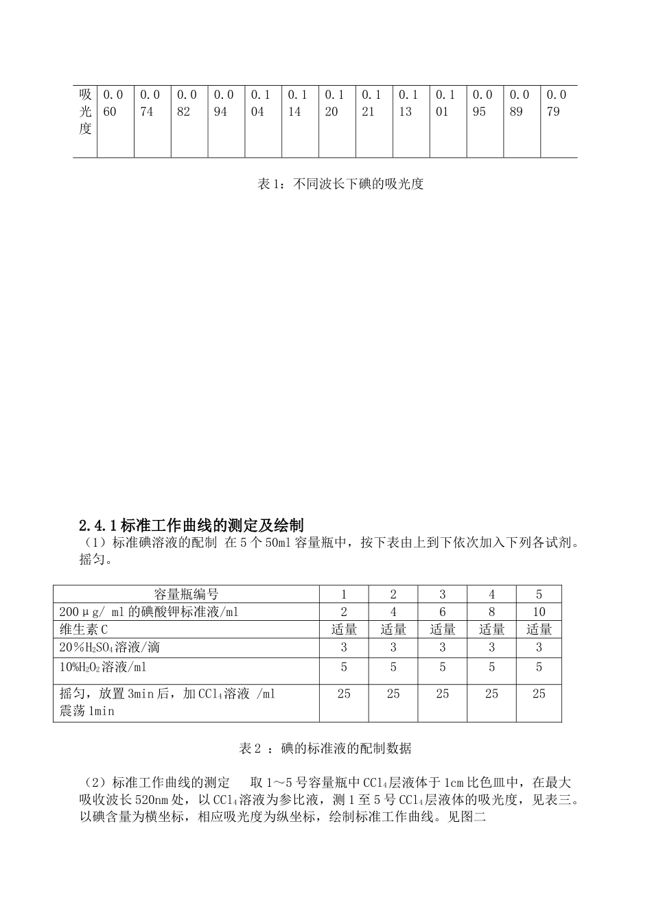
海带中碘含量的测定作者:马亚萍(杜吉玉、郭红丽)班级:材料学院高分子09-2学号:200907041043指导教师:朱亚玲完成日期:2011年6月19日一、前言1.1中文摘要:本次试验测定海产品中碘的含量,本次试验测定海产品中碘的含量,海带是一种含碘量很高的海藻。养殖海带一般含碘3%~5%,多的可达7%~10%。因此该实验选择使用海带做原料。所用的方法是分光光度法。样品在碱性条件下灰化,碘被有机物还原成碘离子,碘离子与碱金属离子结合成碘化物。碘化物在酸性条件下被H2O2氧化定量析出游离的碘。碘溶于CCl4呈粉红色,其颜色深浅与碘的浓度在一定条件下成正比,故可用分光光度计测定溶液吸光度的大小来标定碘的含量,也叫做比色法。英文摘要:Thetestmeasureslevelsofiodineinseafood,seafoodinthistestdeterminationofiodinecontent,kelpisahighiodinecontentofseaweed.Seaweedfarmingisgenerally3%to5%iodine,andmoreupto7%to10%.Therefore,theexperimentchosetouseseaweedasrawmaterial.Thespectrophotometricmethodisused.Samplesofashunderalkalineconditions,organiciodineisreducedtoiodide,iodineionandalkalimetalionsintotheiodide.IodideunderacidicconditionsisquantitativeprecipitationH2O2oxidationoffreeiodine.IodinedissolvedinCCl4waspink,thecolordepthandtheconcentrationofiodineisproportional,undercertainconditions,itcanbeusedabsorbancespectrophotometertocalibratethesizeofthecontentofiodine,alsoknownascolorimetry.1.2关键词:海带碘分光光度法碱固定萃取灰化碘是人体的必需微量元素之一,健康成人体内的碘的总量为30mg(20~50mg),其中70%~80%存在于甲状腺。甲状腺激素在促进人体的生长发育维持机体的正常的生理功能等方面起着十分重要的作用。人体中缺乏碘时会引起多种疾病。1.3前言:海带是含碘比较丰富的食品,但碘有部分以有机态存在,无法用常量法测定。常用方法是样品在碱性条件下灰化,碘被有机物还原成I-,I-与金属离子结合成碘化物,碘化物在酸性条件下与双氧水作用,定量析出碘。当有机溶剂萃取时,碘溶于有机溶剂CCl4呈粉红色,颜色深浅与含量的大小成正比,故可用分光光度法标定。离子反应式如下:H2O2+2I-+2H+=I2+2H2O二、实验部分2.1.1仪器:722型分光光度计,马弗炉,电炉,坩埚,容量瓶,移液管等。2.1.2材料及试剂:海带,碘酸钾,四氯化碳,维生素C,20%硫酸溶液,10%双氧水,氢氧化钠等。2.2碘酸钾溶液的配制:称取0.1685g碘酸钾,加水溶解,倒入1L的容量瓶中,加蒸馏水稀释定容至1L(100ug)。2.3吸收曲线的测定及绘制:取5ml碘酸钾溶液加入50ml的容量瓶中→加入维c(还原碘离子)→加入3~5滴20%的硫酸(调节溶液pH为1-2)→加入5毫升10%的双氧水摇匀静置3min→加入25毫升四氯化碳(振荡分层)→用移液管取下层溶液于比色皿中测吸收曲线(参比溶液为四氯化碳)。实验数据及处理见下表一及图一波长nm450460470480490500510520530540550560570吸光度0.0600.0740.0820.0940.1040.1140.1200.1210.1130.1010.0950.0890.079表1:不同波长下碘的吸光度2.4.1标准工作曲线的测定及绘制(1)标准碘溶液的配制在5个50ml容量瓶中,按下表由上到下依次加入下列各试剂。摇匀。容量瓶编号12345200μg/ml的碘酸钾标准液/ml246810维生素C适量适量适量适量适量20%H2SO4溶液/滴3333310%H2O2溶液/ml55555摇匀,放置3min后,加CCl4溶液/ml震荡1min2525252525表2:碘的标准液的配制数据(2)标准工作曲线的测定取1~5号容量瓶中CCl4层液体于1cm比色皿中,在最大吸收波长520nm处,以CCl4溶液为参比液,测1至5号CCl4层液体的吸光度,见表三。以碘含量为横坐标,相应吸光度为纵坐标,绘制标准工作曲线。见图二编号12345吸光度0.0450.0730.1050.1750.215表3:碘的标准液的吸光度2.5样品处理干法:海带洗涤以后放在干燥器中干燥→用研钵研碎精确称取两份编号为1,2号其中1号2.4396g,2号2.5020g→其中2号加入适量氢氧化钠固体(以下操作均相同)→1,2号均放在电炉上灰化→加入热的蒸馏水溶解→趁热过滤→洗涤3-4次→加入适量的维生素C→加入2~3ml20%的硫...

1、当您付费下载文档后,您只拥有了使用权限,并不意味着购买了版权,文档只能用于自身使用,不得用于其他商业用途(如 [转卖]进行直接盈利或[编辑后售卖]进行间接盈利)。
2、本站所有内容均由合作方或网友上传,本站不对文档的完整性、权威性及其观点立场正确性做任何保证或承诺!文档内容仅供研究参考,付费前请自行鉴别。
3、如文档内容存在违规,或者侵犯商业秘密、侵犯著作权等,请点击“违规举报”。

碎片内容

海带中碘含量的测定

您可能关注的文档

确认删除?
VIP
微信客服
  • 扫码咨询
会员Q群
  • 会员专属群点击这里加入QQ群
客服邮箱
回到顶部