电脑桌面
添加小米粒文库到电脑桌面
安装后可以在桌面快捷访问

《建筑工程施工质量评价标准》VIP免费

《建筑工程施工质量评价标准》_第1页
1/19
《建筑工程施工质量评价标准》_第2页
2/19
《建筑工程施工质量评价标准》_第3页
3/19
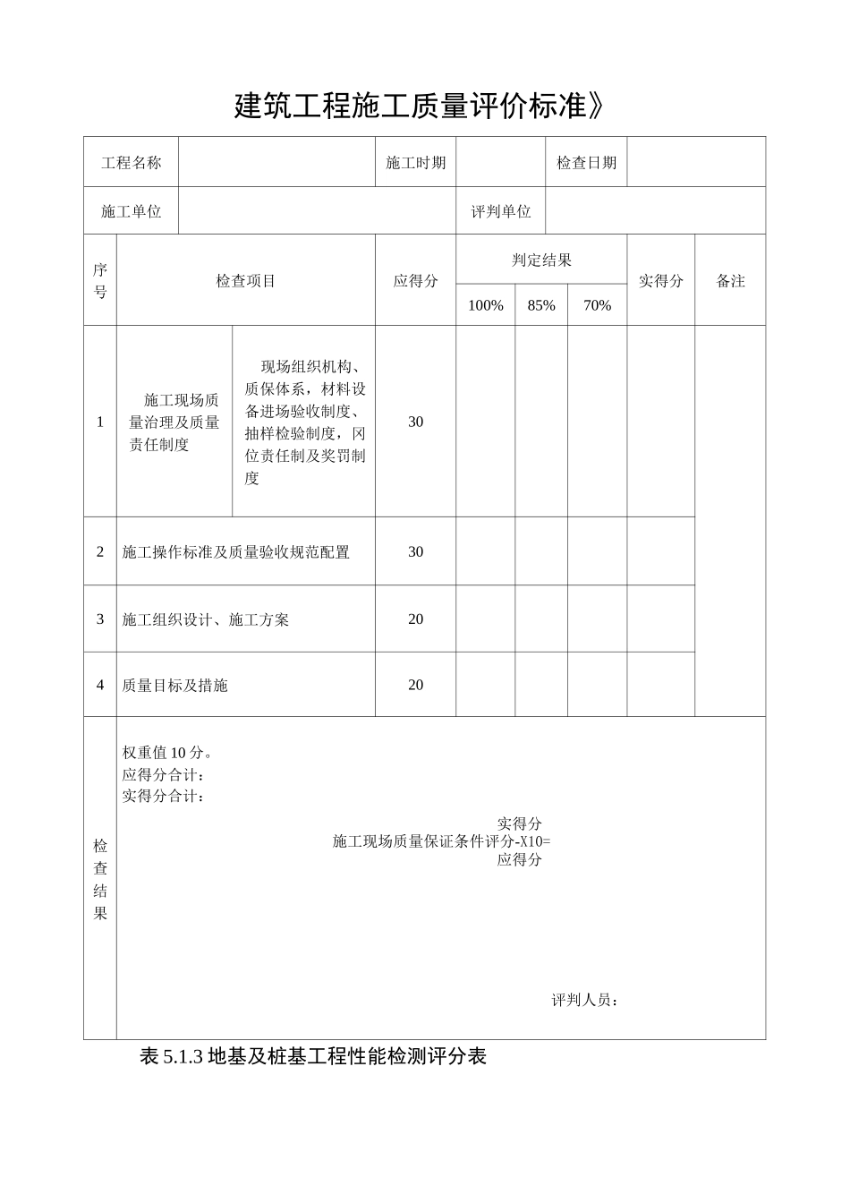
建筑工程施工质量评价标准》工程名称施工时期检查日期施工单位评判单位序号检查项目应得分判定结果实得分备注100%85%70%1施工现场质量治理及质量责任制度现场组织机构、质保体系,材料设备进场验收制度、抽样检验制度,冈位责任制及奖罚制度302施工操作标准及质量验收规范配置303施工组织设计、施工方案204质量目标及措施20检查结果权重值10分。应得分合计:实得分合计:实得分施工现场质量保证条件评分-X10=应得分评判人员:表5.1.3地基及桩基工程性能检测评分表工程名称施工时期检查日期施工单位评判单位序检查项目应得分判定结果实得分备注100%85%70%1地基地基强度、压实系数、注浆体强度50/地基承载力50/2复合地基桩体强度、桩体干密度(50)/复合地基承载力(50)/3桩基单桩竖向抗压承载力(50)/桩身完整性(50)检查结果权重值35分。应得分合计:实得分合计:实得分地基及桩基工程质量记录评分-X35=应得分评判人员:表5.2.3地基及桩基工程质量记录评分表工程名称施工时期检查日期施工单位评判单位序号检查项目应得分判定结果实得分备注100%85%70%1材料、预制桩合格证(出厂试验报告)及进场验收记录材料合格证(出厂试验报告)及进场验收记录及钢筋、水泥复试报告30预制桩合格证(出厂试验报告)及进场验收记录(30)2施工记录地基处理、验槽、钎探施工记录30预制桩接头施工记录(10)打(压)桩试桩记录及施工记录(20)灌注桩成孔、钢筋笼、混凝土灌注检查记录及施工记录(30)检验批、分项、分部(子分部)工程质量验收记录103施工试验灰土、砂石、注浆桩及水泥、粉煤灰、碎石桩配合比试验报告30钢筋连接试验报告(15)混凝土试件强度试验报告(15)预制桩龄期及试件强度试验报告(30)检查结果权重值35分。应得分合计:实得分合计:实得分地基及桩基工程质量记录评分-X35=应得分评判人员:表5.3.3地基及桩基工程尺寸偏差及限值实测评分表工程名称施工时期检查日期施工单位评判单位序检查项目应得分判定结果实得分备注100%85%70%1天然地基标冋及基槽宽度偏差1002复合地基桩位偏差(100)3打(压)桩桩位偏差(100)4灌注桩桩位偏差(100)检查结果权重值15分。应得分合计:实得分合计:实得分地基及桩基工程尺寸偏差及限值实测评分=X15=应得分评判人员:表5.4.3地基及桩基工程观感质量评分表工程名称施工时期检查日期施工单位评判单位序检查项目应得分判定结果实得分备注100%85%70%1地基、复合地基标高、表面平坦、边坡1002桩基桩头、桩顶标咼、场地平坦(100)检查结果权重值5分。应得分合计:实得分合计:实得分地基及桩基工程观感质量评分=X5=应得分评判人员:评判人员表6.1.3结构工程性能检测评分表工程名称施工时期检查日期施工单位评判单位序号检查项目应得分判定结果实得分备注100%85%70%1混凝土实体混凝土强度50Z结构实体钢筋爱护层厚度502钢结构焊缝内部质量(60)高强度螺栓连接副紧固质量60钢结构涂装防腐20防火203砌体砌体垂直度每层50全咼W10m50>10m(50)4地下防水层渗漏水(100)检查结果权重值5分。应得分合计:实得分合计:实得分结构工程性能检测评分=X30=应得分评判人员:表6.2.3结构工程质量记录评分表工程名称施工时期检查日期年月曰施工单位评判单位序号检查项目应得分判定结果实得分备注100%85%70%1混凝土结构材料合格证及进场验收记录砂、碎(卵)石、掺合料、水泥、钢筋、外加剂合格证(出厂检验报告)、进场验收记录及水泥、钢筋复试报告10表6.2.3预制构件合格证(出厂检验报告)及进场验收记录10预应力锚夹具、连接器合格证(出厂检验报告)、进场验收记录及复试报告10施工记录预拌混凝土合格证及进场坍落度试验报告5混凝土施工记录5装配式结构吊装记录10预应力筋安装、张拉及灌浆记录5隐藏工程验收记录5检验批、分项、分部(子分部)工程质量验收记录10施工试验混凝土配合比试验报告10混凝土试件强度评定及混凝土试件强度试验报告10钢筋连接试验报告102钢结构材料合格证及进场验收记录钢材、焊材、紧固连接件原材料出厂合格证(出厂检验报告)及进场验收记录及钢材、焊接材料复试10续加工件出厂合格证(出厂检验报告)及进场验收记10防火、结涂构材料出程合格证'结厂构验报告程及...

1、当您付费下载文档后,您只拥有了使用权限,并不意味着购买了版权,文档只能用于自身使用,不得用于其他商业用途(如 [转卖]进行直接盈利或[编辑后售卖]进行间接盈利)。
2、本站所有内容均由合作方或网友上传,本站不对文档的完整性、权威性及其观点立场正确性做任何保证或承诺!文档内容仅供研究参考,付费前请自行鉴别。
3、如文档内容存在违规,或者侵犯商业秘密、侵犯著作权等,请点击“违规举报”。

碎片内容

《建筑工程施工质量评价标准》

确认删除?
VIP
微信客服
  • 扫码咨询
会员Q群
  • 会员专属群点击这里加入QQ群
客服邮箱
回到顶部