电脑桌面
添加小米粒文库到电脑桌面
安装后可以在桌面快捷访问

PKPM抗震相关问题集VIP免费

PKPM抗震相关问题集_第1页
1/6
PKPM抗震相关问题集_第2页
2/6
PKPM抗震相关问题集_第3页
3/6
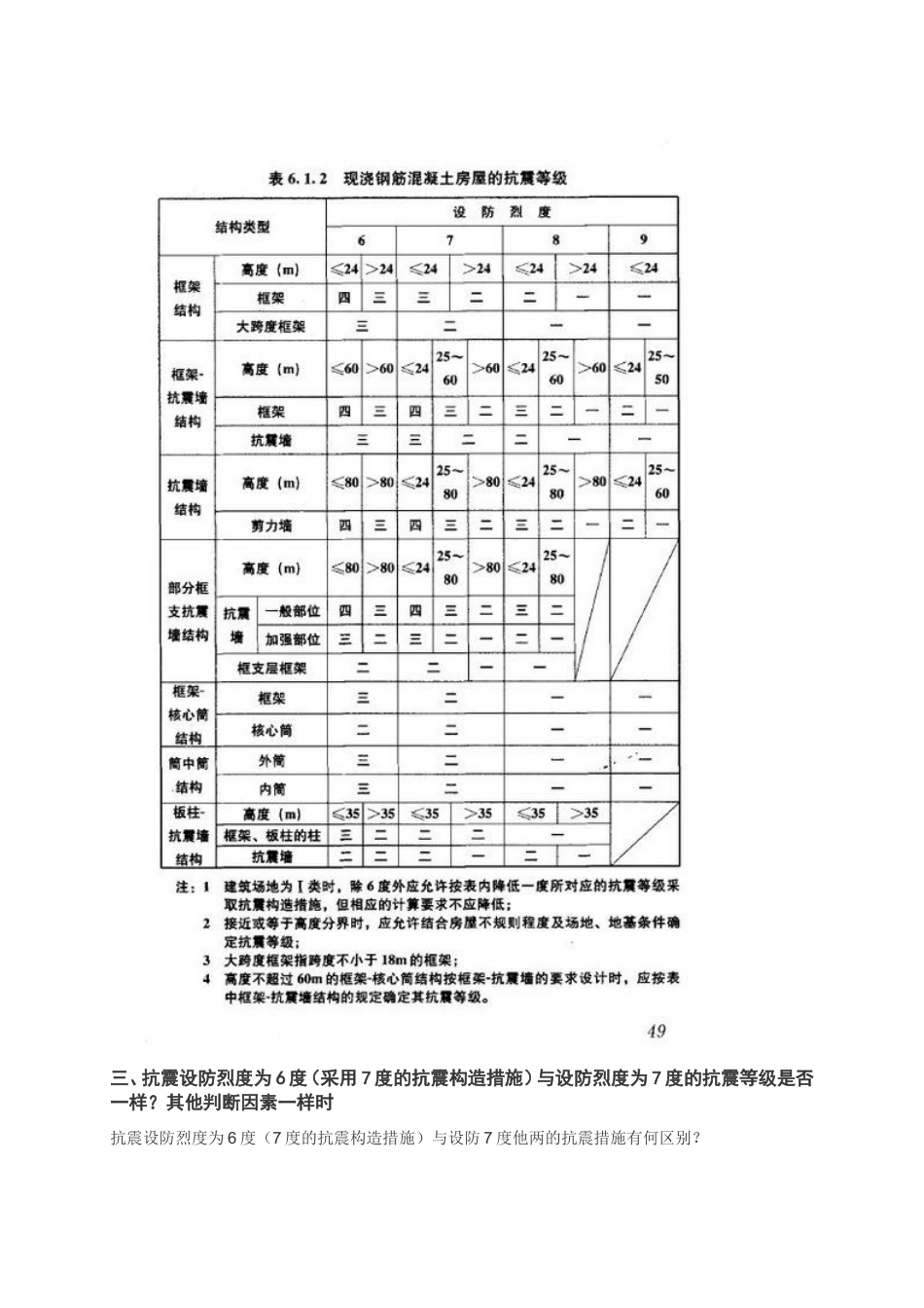
一、抗震设防烈度为6度、抗震等级是多少?这得根据建筑使用功能来分类,甲乙丙丁四类。甲类建筑,地震作用计算按高于本地区抗震设防烈度的要求,其值按高一度(7度)采取抗震构造措施。乙类建筑按6度计算地震作用,按高一度(7度)采取抗震构造措施。丙类建筑按6度计算地震作用,按6度采取抗震构造措施。丁类建筑按6读计算地震作用,按第一度(5度)采取抗震措施二、框架结构的抗震设防烈度为七度,抗震等级为几级?确定抗震等级取决于如下因素:1、抗震设防烈度。这是最基础的条件之一。2、建筑抗震设防分类。甲类建筑提高一度计算地震作用及抗震措施(包括抗震等级),乙类建筑提高一度考虑抗震措施。丙类建筑烈度不变。丁类建筑允许降低一度,6度时则不降低。3、场地条件,1类场地允许降低1度采取抗震构造措施。3、4类场地根据结构布置规则性情况提高抗震等级。4、取决于建筑高度,不同高度抗震等级不一样。5、抗震等级取决于结构类型。同为框架结构时,钢结构与钢筋混凝土结构不一样。实际取法见建筑抗震设计规范。三、抗震设防烈度为6度(采用7度的抗震构造措施)与设防烈度为7度的抗震等级是否一样?其他判断因素一样时抗震设防烈度为6度(7度的抗震构造措施)与设防7度他两的抗震措施有何区别?首先,《建筑抗震设计规范》2.1.10,2.1.11有明确说明,抗震措施包括抗震构造措施,并不完全一样。其次,采用7度得抗震构造措施,并不是把地震烈度提高一度,这样的话地震力会变大,地震力影响系数也会变大,所以如果是乙级建筑,把烈度提高一度计算是不正确的最后,你正文的问题,在抗规《术语和符号》的条文说明里,仔细看,“规范中的一般规定和计算要点中的地震作用效应(内力和变形)调整的规定均属于抗震措施,而设计要求中的规定,可能包含有抗震措施和抗震构造措施,需按术语的定义加以区分。”追问非常感谢,我想再问一下,如果它是乙类建筑,按照规定它本来是提高一度设防的,结果他的图纸上写着抗震设防6度(采用7度抗震结构措施),是不是说明他的抗震设防不满足要求?回答你没理解对,乙类建筑根据抗震设防类别分类标准,要把抗震措施提高一度设防,并不是把地震力提高一度。如果你那个是6度区的乙类建筑,那“抗震设防6度(采用7度抗震结构措施)”就是对的。四、什么时候采用抗震措施什么时候用抗震构造措施抗震措施包括抗震计算时的内力调整措施和各种抗震构造措施。钢筋混凝土房屋应根据本地区抗震设防烈度和建筑物抗震设防类别(甲类、乙类、丙类、丁类)采取相应的抗震措施确定其地震作用。在某些情况下,抗震构造措施的抗震等级可能与抗震措施的抗震等级不同,可能提高或降低。详细参看《高层建筑混凝土结构技术规程》、《建筑抗震设计规范》中具体规定。例如,某地区7度设防(0.10g),某医院建筑,框架结构,乙类建筑(重点设防类,应按高于本地区抗震设防烈度一度加强抗震措施),按规范7度确定地震作用,8度抗震措施。在PKPMsatwe输入参数时,抗震烈度加速度7度,0.10g,框架等级由三级升一级输入二级(框架等级的升高相当于升高一级抗震措施,即8度抗震措施,不同框架等级影响内力计算中的系数取值以及采取的抗震构造措施)。某些情况下,抗震构造措施的抗震等级与抗震措施的抗震等级不同,此时可以在satwe中设置是否提高抗震构造措施。例《建筑抗震设计规范》6.1.3中规定6.1.3钢筋混凝土房屋抗震等级的确定,尚应符合下列要求:1设置少量抗震墙的框架结构,在规定的水平力作用下,底层框架部分所承担的地震倾覆力矩大于结构总地震倾覆力矩的50%时,其框架的抗震等级应按框架结构确定,抗震墙的抗震等级可与其框架的抗震等级相同。注:底层指计算嵌固端所在的层。2裙房与主楼相连,除应按裙房本身确定抗震等级外,相关范围不应低于主楼的抗震等级;主楼结构在裙房顶板对应的相邻上下各一层应适当加强抗震构造措施。裙房与主楼分离时,应按裙房本身确定抗震等级。3当地下室顶板作为上部结构的嵌固部位时,地下一层的抗震等级应与上部结构相同,地下一层以下抗震构造措施的抗震等级可逐层降低一级,但不应低于四级。地下室中无上部结构的部分,抗震构造...

1、当您付费下载文档后,您只拥有了使用权限,并不意味着购买了版权,文档只能用于自身使用,不得用于其他商业用途(如 [转卖]进行直接盈利或[编辑后售卖]进行间接盈利)。
2、本站所有内容均由合作方或网友上传,本站不对文档的完整性、权威性及其观点立场正确性做任何保证或承诺!文档内容仅供研究参考,付费前请自行鉴别。
3、如文档内容存在违规,或者侵犯商业秘密、侵犯著作权等,请点击“违规举报”。

碎片内容

PKPM抗震相关问题集

您可能关注的文档

墨香书阁+ 关注
实名认证
内容提供者

热爱教学事业,对互联网知识分享很感兴趣

相关文档

确认删除?
VIP
微信客服
  • 扫码咨询
会员Q群
  • 会员专属群点击这里加入QQ群
客服邮箱
回到顶部