电脑桌面
添加小米粒文库到电脑桌面
安装后可以在桌面快捷访问

NE5532PVIP免费

NE5532P_第1页
1/7
NE5532P_第2页
2/7
NE5532P_第3页
3/7
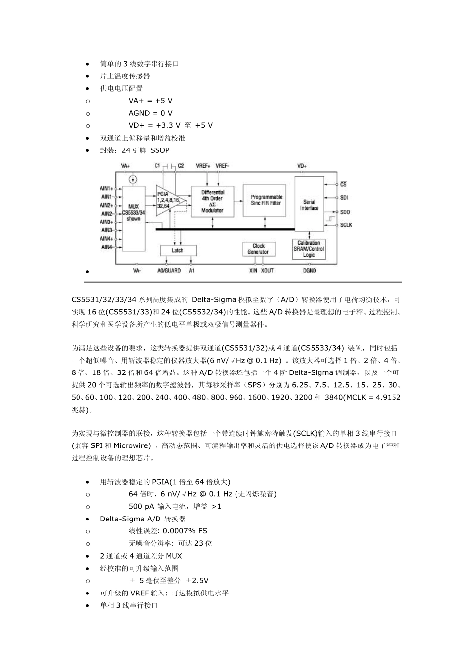
工业用混合信号处理器件CirrusLogic的产品支持多种工业用设备,例如能源勘探;力、电压、温度和功率测量;声纳;以及电讯设备等。我们广泛的数据攫取产品系列可应用于工业自动化设备、仪器仪表、医疗和地球物理测量设备,例如电表、温度计、石油勘探和地震学研究所需的地震波测量仪器、以及商用和科研用高精度天平中。我们的模拟至数字(A/D)转换器系列由多种通用产品和低频测量设备构成。拳头产品:CS5550用于电子秤的A/D转换器拳头产品:CS5534带超低噪音PGIA的A/D转换器拳头产品:CS5512Delta-SigmaA/D转换器拳头产品:CS3001超低噪音运算放大器拳头产品:CS5528Delta-Sigma多量程A/D转换器CS5550是一种便于设计、性价比高的小体积高度集成解决方案。CS5550确保电子秤厂商为客户提供测量精确、物美价廉的解决方案。这种CirrusLogic的新型IC在片内集成了两个Delta-Sigma模拟至数字(A/D)转换器、两个放大器和一个串行接口。为与微控制器通讯,此芯片具有双向串行接口。它可以通过重新设置完成初始化和完全运转。此器件可提供出色的温度稳定性,适于长期工作。CS5550提供了精准的测量,是电子计量秤设计的理想选择。•输出率:2.44kSPS至4kSPS•两通道均拥有24位A/D寄存器o通道1:13ENOBo通道2:10ENOB•功耗低于12mW•通道1输入范围可调整•带单相供电的接地参考信号•片上2.5V参考电压(典型值25ppm/°C)•简单的3线数字串行接口•片上温度传感器•供电电压配置oVA+=+5VoAGND=0VoVD+=+3.3V至+5V•双通道上偏移量和增益校准•封装:24引脚SSOP•CS5531/32/33/34系列高度集成的Delta-Sigma模拟至数字(A/D)转换器使用了电荷均衡技术,可实现16位(CS5531/33)和24位(CS5532/34)的性能。这些A/D转换器是最理想的电子秤、过程控制、科学研究和医学设备所产生的低电平单极或双极信号测量器件。为满足这些设备的要求,这类转换器提供双通道(CS5531/32)或4通道(CS5533/34)装置,同时包括一个超低噪音、用斩波器稳定的仪器放大器(6nV/√Hz@0.1Hz)。该放大器可选择1倍、2倍、4倍、8倍、18倍、32倍和64倍增益。这种A/D转换器还包括一个4阶Delta-Sigma调制器,以及一个可提供20个可选输出频率的数字滤波器,其每秒采样率(SPS)分别为6.25、7.5、12.5、15、25、30、50、60、100、120、200、240、400、480、800、960、1600、1920、3200和3840(MCLK=4.9152兆赫)。为实现与微控制器的联接,这种转换器包括一个带连续时钟施密特触发(SCLK)输入的单相3线串行接口(兼容SPI和Microwire)。高动态范围、可编程输出率和灵活的供电选择使该A/D转换器成为电子秤和过程控制设备的理想芯片。•用斩波器稳定的PGIA(1倍至64倍放大)o64倍时,6nV/√Hz@0.1Hz(无闪烁噪音)o500pA输入电流,增益>1•Delta-SigmaA/D转换器o线性误差:0.0007%FSo无噪音分辨率:可达23位•2通道或4通道差分MUX•经校准的可升级输入范围o±5毫伏至差分±2.5V•可升级的VREF输入:可达模拟供电水平•单相3线串行接口o兼容SPI®和Microwire™o连续时钟的施密特触发(SCLK)•可选择的输出率:每秒采样率(SPS)达6.25至3,840•可选择的50赫兹或60赫兹抑制•供电配置oVA+=+5V;VA-=0V;VD+=+3V至+5VoVA+=2.5V;VA-=-2.5V;VD+=+3V至+5VoVA+=+3V;VA-=-3V;VD+=+3V•封装:20/24引脚SSOPCS5510/11/12/13系列成本低廉、使用方便的Delta-Sigma模拟至数字(A/D)转换器,利用电荷均衡技术实现16位(CS5510/11)和20位(CS5512/13)的性能。这些模/数转换器集成在一个有效利用空间的8引脚SOIC封装中,特别适用于天平、流程控制和其它工业应用的信号测量。为适应这些应用需要,该模/数转换器系列包括一个4阶Delta-Sigma调节器和数字滤波器。当外置主时钟设定在32.768千赫,CS5510/12系列的滤波器可提供高于80分贝的50和60赫兹的线路抑制,同时输出转换可达53.5赫兹。CS5511/13系列包括一个片内震荡器,无须外部时钟源。低压、灵活的电源供电,紧凑的引脚以及使用的便捷性使得该产品系列成为对成本和空间有严格要求的产品应用的理想方案。•Delta-Sigma模/数转换器o线性误差:0.0015%FSo无噪音分辨率:至多达到17位•差分双极模拟输入•VREF输入范围:250毫伏至5伏•50赫...

1、当您付费下载文档后,您只拥有了使用权限,并不意味着购买了版权,文档只能用于自身使用,不得用于其他商业用途(如 [转卖]进行直接盈利或[编辑后售卖]进行间接盈利)。
2、本站所有内容均由合作方或网友上传,本站不对文档的完整性、权威性及其观点立场正确性做任何保证或承诺!文档内容仅供研究参考,付费前请自行鉴别。
3、如文档内容存在违规,或者侵犯商业秘密、侵犯著作权等,请点击“违规举报”。

碎片内容

您可能关注的文档

确认删除?
VIP
微信客服
  • 扫码咨询
会员Q群
  • 会员专属群点击这里加入QQ群
客服邮箱
回到顶部