电脑桌面
添加小米粒文库到电脑桌面
安装后可以在桌面快捷访问

DSL-2.6型煤气发生炉VIP专享VIP免费

DSL-2.6型煤气发生炉_第1页
1/13
DSL-2.6型煤气发生炉_第2页
2/13
DSL-2.6型煤气发生炉_第3页
3/13
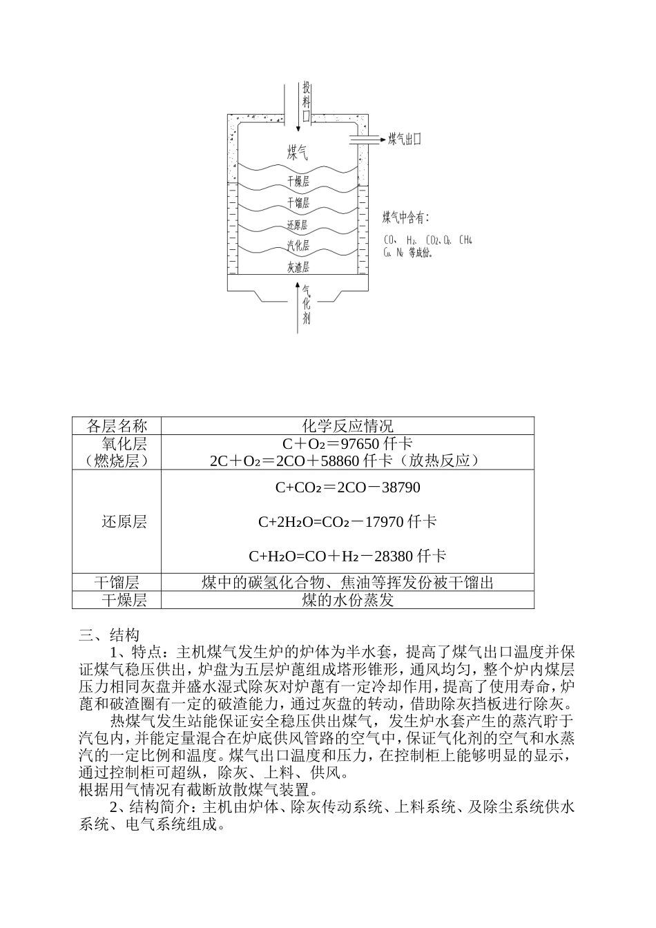
DSL—2.6型煤气发生炉安装使用维护保养说明书辽宁省鞍山市泰德传动机械制造有限公司目录DSL—2.6型煤气发生炉说明书一、概述二、气化原理三、结构DSL—2.6型煤气发生炉安装使用维护保养说明书一、安装须知二、安装步骤三、总装后检验DSL—2.6型发生炉使用条件一、烘炉二、装炉点炉要求三、气化操作四、停炉DSL-2.6型煤气发生炉说明书一、概述发生炉煤气是以固体燃料煤、焦炭为原料,在发生炉中气化得到气体燃料。本煤气发生炉为固体床,以空气和水蒸气为气化剂,使固体燃料得到充分的气化,煤气额热值较高从而提高了固体燃料的热效率,发生炉煤气已是工业上重要的气体燃料。煤气发生炉是热煤气站的主要设备,煤气站必须配备水、电、风、及净化除尘和安全放散装置,配备控制系统,保证煤气生产,及使用的安全。二、气化原理发生炉煤气是以空气和水蒸气为气化剂混合煤气,煤气的产生原理即过程如下:各层名称化学反应情况氧化层(燃烧层)C+O₂=97650仟卡2C+O₂=2CO+58860仟卡(放热反应)还原层C+CO₂=2CO-38790C+2H₂O=CO₂-17970仟卡C+H₂O=CO+H₂-28380仟卡干馏层煤中的碳氢化合物、焦油等挥发份被干馏出干燥层煤的水份蒸发三、结构1、特点:主机煤气发生炉的炉体为半水套,提高了煤气出口温度并保证煤气稳压供出,炉盘为五层炉蓖组成塔形锥形,通风均匀,整个炉内煤层压力相同灰盘并盛水湿式除灰对炉蓖有一定冷却作用,提高了使用寿命,炉蓖和破渣圈有一定的破渣能力,通过灰盘的转动,借助除灰挡板进行除灰。热煤气发生站能保证安全稳压供出煤气,发生炉水套产生的蒸汽聍于汽包内,并能定量混合在炉底供风管路的空气中,保证气化剂的空气和水蒸汽的一定比例和温度。煤气出口温度和压力,在控制柜上能够明显的显示,通过控制柜可超纵,除灰、上料、供风。根据用气情况有截断放散煤气装置。2、结构简介:主机由炉体、除灰传动系统、上料系统、及除尘系统供水系统、电气系统组成。炉底供风系统测温测压装置示意如图3、技术性能序号名称单位性能指标焦炭无烟煤不粘结烟煤1炉腔内径米Φ2.602炉腔断面积米25.313原料粒度毫米6-1313-2525-504原料粒度公斤/小时14805干渣排量公斤/小时6加料次数次/小时7灰盘转速转/小时0.98煤斗捲扬机速度米/分9煤气发热值标米3/小时3500450010煤气发热值仟卡/标米35020567011煤气出口温度°C500-62012煤气出口压力毫米水柱<980pa13最大鼓风压力毫米≤980pa14鼓风饱和温度°C50—6515料层总高度毫米1000—130016火层高度毫米100—20017灰层高度毫米300—50018水套受热面积米22519水套蒸汽产量公斤/小时20水套蒸汽压力kpa0.68kpa21设备总高度毫米865022高备总重量公斤2700023装机总容量仟瓦25.8DSL—2.6型煤气发生炉安装使用维护保养说明书安装该种型号煤气发生炉是由多种部件组成,出厂时不能整体出厂,有些易损环机件必须单独包装运输,全部组件到现场后按此说明书清单零部件,成整体设备,投入生产使用,全部由安装单位完成。一、安装须知1、安装单位必须具备如下技术条件和图纸①产品说明书②热煤气发生站平面布置同图(由使用单位提供)③设备基础图2、安装单位安装前必须进行如下工作①检验分包装,按装箱单进行验收,如件数不符要查明原因。②要检验组件时,对损坏不能使用的组件查明原因处理后附和图纸再用,不准随便使用。③按基础图备齐基础螺栓二、安装步骤按安装顺序号、方法和步骤按表进行安装序设备或组件名称安装方法及注意事项1基础按平面布置和基础图、注意相对位置和标高的一致性2三通管(序号20)三通管放入中心位置注意进风方向3中心轴支座按尺寸安装中心轴支座4托滚保证圆周尺寸三等分安装,找水平托轮上表面在同一平面上5灰盘托轮与灰盘接触平稳不得有摆动现象,手动灰盘应转动平稳6中心轴承中心轴承转动要灵活,安装时注甘油,调整中心轴承间隙,保证水封高度7炉体支柱安装时保证与灰盘距离50mm8炉蓖炉蓖用螺栓与灰盘联接转动灰盘转动是否平稳9炉体炉体必须垂直,炉体与路脚柱可以加垫保证裙板与灰盘底部间隙150—170mm10双钟加煤系统上媒方向对正,拉杆上下灵活11上料装置上支点与加煤小车出料口要正位置,捲搅机位...

1、当您付费下载文档后,您只拥有了使用权限,并不意味着购买了版权,文档只能用于自身使用,不得用于其他商业用途(如 [转卖]进行直接盈利或[编辑后售卖]进行间接盈利)。
2、本站所有内容均由合作方或网友上传,本站不对文档的完整性、权威性及其观点立场正确性做任何保证或承诺!文档内容仅供研究参考,付费前请自行鉴别。
3、如文档内容存在违规,或者侵犯商业秘密、侵犯著作权等,请点击“违规举报”。

碎片内容

DSL-2.6型煤气发生炉

确认删除?
VIP
微信客服
  • 扫码咨询
会员Q群
  • 会员专属群点击这里加入QQ群
客服邮箱
回到顶部