电脑桌面
添加小米粒文库到电脑桌面
安装后可以在桌面快捷访问

带传动教案(全)VIP免费

带传动教案(全)_第1页
1/11
带传动教案(全)_第2页
2/11
带传动教案(全)_第3页
3/11
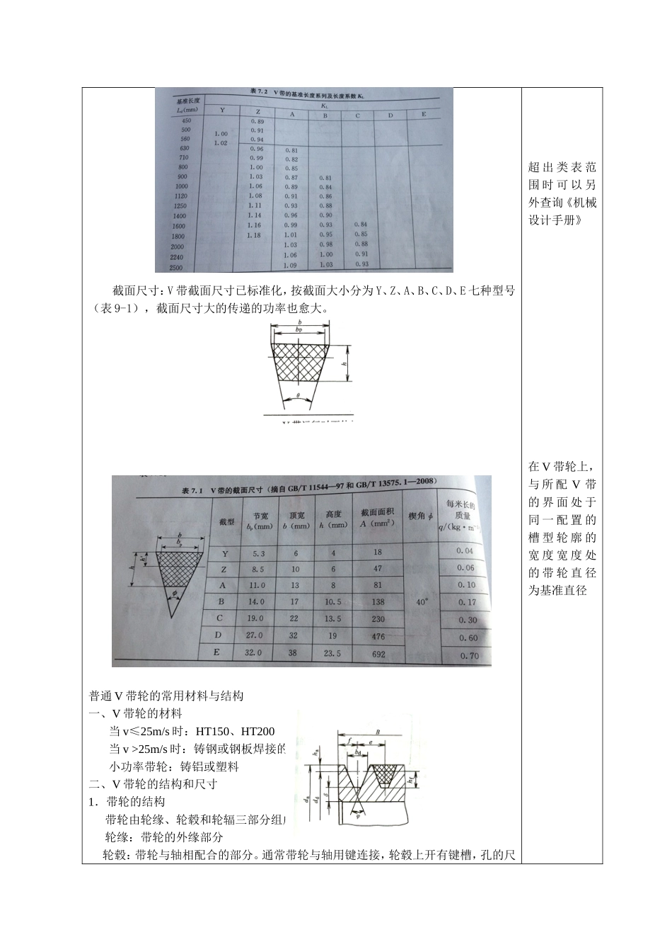
课题名称带传动授课班级授课时间课题序号授课课时授课形式讲授使用教具投影仪教学目的1.了解带传动的类型和特点2.掌握带传动的工作原理3.了解带传动设计方法4.能够进行带传动的安装、张紧和维护教学重点普通V带的结构、V带传动的安装、张紧和维护教学难点带的应力分布图和V带传动的设计方法更新、补充、删减内容无课外作业授课主要内容或板书设计7-1带传动的类型和特点一、带传动的类型二、带传动的特点7-2V带和带轮一、普通V带的结构和标准二、普通V带轮的结构7-3V带传动的工作能力分析一、带传动的受力分析二、带传动的应力分析三、带传动的弹性滑动及传动比7-4V带传动的设计计算一、带传动的失效形式和设计准则二、单根V带的基本额定功率和许用功率三、普通V带传动的设计计算7-5V带传动的安装、张紧和维护一、V带传动的张紧方法二、V带初拉力的测定三、V带传动的安装、使用和维护教学后记课堂教学安排主要教学内容及步骤教学过程师生活动设计意图等7-1带传动的类型和特点一、带传动的组成及其工作原理组成:主动带轮、从动带轮、挠性带和机架组成带传动工作原理:带传动工作时依靠张紧在带轮上的传动带与带轮间的摩擦力来传递运动与动力二、带传动的主要类型1.摩擦带传动平带传动:带为卷带,可任意截取,带内表面为工作面,承载能力不够高V带传动:带为圈带无接头,带两侧面为工作面,承载能力强,一般为平带的3倍多楔带传动:多根平带与V带的组合,具有V带的特点圆带传动:承载能力低,常用于小功率的运动传递2.啮合带传动简介:同步带传动→齿孔带传动三、带传动的特点主要根据①摩擦传动;②挠性带;③特点相对于其它传动(啮合传动)讲的。优点:1)有过载保护作用;2)有缓冲吸振作用;3)运行平稳无噪音;4)适于远距离传动(amax=15m);5)制造、安装精度要求不高缺点:1)有弹性滑动使传动比i不恒定;2)张紧力较大(与啮合传动相比)轴上压力较大;3)结构尺寸较大、不紧凑;4)打滑,使带寿命较短;5)带与带轮间会产生摩擦放电现象,不适宜高温、易燃、易爆的场合。3、应用,适用于中心距较大的中心功率两轴之间的传递运动与动力,一般适于高速端。7-2V带和带轮V带的结构和标准V带的构造:抗拉体1(承受载荷的主体,帘布:抗拉强度高;线绳:抗弯强度高)、顶胶2(弹性材料)、底胶3及包布层4(耐磨)节线与节面:V带运行时不伸长、不缩短的圆周,称为节线,全部节线组成带的节面,带的节面宽度称为节宽,用bp表示带轮基准直径dd:和节宽相对应的带轮直径称为基准直径基准长度Ld:V带在规定的张紧力下,带与带轮基准直径上的周线长度。V带的基准长度已标准化。导入:用中心距较大又需要过载保护的机械传动装置导入,提出带传动的类型,分析其工作原理、带传动的特点和应用。截面尺寸:V带截面尺寸已标准化,按截面大小分为Y、Z、A、B、C、D、E七种型号(表9-1),截面尺寸大的传递的功率也愈大。普通V带轮的常用材料与结构一、V带轮的材料当v≤25m/s时:HT150、HT200当v>25m/s时:铸钢或钢板焊接的带轮小功率带轮:铸铝或塑料二、V带轮的结构和尺寸1.带轮的结构带轮由轮缘、轮毂和轮辐三部分组成轮缘:带轮的外缘部分轮毂:带轮与轴相配合的部分。通常带轮与轴用键连接,轮毂上开有键槽,孔的尺超出类表范围时可以另外查询《机械设计手册》在V带轮上,与所配V带的界面处于同一配置的槽型轮廓的宽度宽度处的带轮直径为基准直径寸ds按轴的强度和刚度要求确定。轮辐:轮缘与轮毂相连的部分。轮辐的结构形式随带轮的基准直径而异,直径小的做成实心式,中等的做成腹板式,大的做成辐条式2.带轮的尺寸7-3V带传动的工作能力分析带传动的受力分析与应力分析一、带传动的受力分析初拉力F0:带静止时带轮两边带中承受的拉力紧边拉力F1:带传动工作时在摩擦力的作用下绕入主动轮一边的带被拉紧,拉力由F0增大到F1,称为紧边拉力松边拉力F2:绕出主动轮一端的带被放松,拉力有F0减至为F2,称为松边拉力有效圆周力:Fe=F1-F2(注意:带传动摩擦力的总和与有效圆周力永远保持相等。其有效拉力由工作机的阻力所确定,而摩擦力由带传动本身的因素决定,与带传动的弹性滑动有关...

1、当您付费下载文档后,您只拥有了使用权限,并不意味着购买了版权,文档只能用于自身使用,不得用于其他商业用途(如 [转卖]进行直接盈利或[编辑后售卖]进行间接盈利)。
2、本站所有内容均由合作方或网友上传,本站不对文档的完整性、权威性及其观点立场正确性做任何保证或承诺!文档内容仅供研究参考,付费前请自行鉴别。
3、如文档内容存在违规,或者侵犯商业秘密、侵犯著作权等,请点击“违规举报”。

碎片内容

带传动教案(全)

确认删除?
VIP
微信客服
  • 扫码咨询
会员Q群
  • 会员专属群点击这里加入QQ群
客服邮箱
回到顶部