电脑桌面
添加小米粒文库到电脑桌面
安装后可以在桌面快捷访问

动力电池保护板工作原理VIP免费

动力电池保护板工作原理_第1页
1/6
动力电池保护板工作原理_第2页
2/6
动力电池保护板工作原理_第3页
3/6
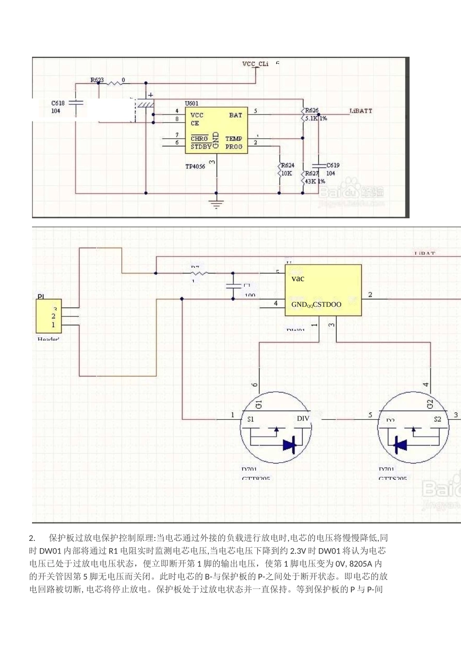
动力电池保护板工作原理锂电池保护板根据使用IC,电压等不同而电路及参数有所不同,常用的保护IC有8261,DW01+,CS213,GEM5018等,其中精工的8261系列精度更好,当然价钱也更贵。后面几种都是台湾出的,国内次级市场基本都用DW01+和CS213了,下面以DW01+配MOS管8205A(8pin)进行讲解:锂电池保护板其正常工作过程为:当电芯电压在2.5V至4.3V之间时,DW01的第1脚、第3脚均输出高电平(等于供电电压),第二脚电压为0V。此时DW01的第1脚、第3脚电压将分别加到8205A的第5、4脚,8205A内的两个电子开关因其G极接到来自DW01的电压,故均处于导通状态,即两个电子开关均处于开状态。此时电芯的负极与保护板的P-端相当于直接连通,保护板有电压输出。2.保护板过放电保护控制原理:当电芯通过外接的负载进行放电时,电芯的电压将慢慢降低,同时DW01内部将通过R1电阻实时监测电芯电压,当电芯电压下降到约2.3V时DW01将认为电芯电压已处于过放电电压状态,便立即断开第1脚的输出电压,使第1脚电压变为0V,8205A内的开关管因第5脚无电压而关闭。此时电芯的B-与保护板的P-之间处于断开状态。即电芯的放电回路被切断,电芯将停止放电。保护板处于过放电状态并一直保持。等到保护板的P与P-间1LiBATU51100PI6D23DIVHeader'R7DW01口D701GTT8205D701GTTS205vacGNDQQCSTDOO接上充电电压后,DW01经B-检测到充电电压后便立即停止过放电状态,重新在第1脚输出高电压,使8205A内的过放电控制管导通,即电芯的B-与保护板的P-又重新接上,电芯经充电器直接充电。3.保护板过充电保护控制原理:当电池通过充电器正常充电时,随着充电时间的增加,电芯的电压将越来越高,当电芯电压升高到4.4V时,DW01将认为电芯电压已处于过充电电压状态,便立即断开第3脚的输出电压,使第3脚电压变为0V,8205A内的开关管因第4脚无电压而关闭。此时电芯的B-与保护板的P-之间处于断开状态。即电芯的充电回路被切断,电芯将停止充电。保护板处于过充电状态并一直保持。等到保护板的P与P-间接上放电负载后,因此时虽然过充电控制开关管关闭,但其内部的二极管正方向与放电回路的方向相同,故放电回路可以进行放电,当电芯的电压被放到低于4.3V时,DW01停止过充电保护状态重新在第3脚输出高电压,使8205A内的过充电控制管导通,即电芯的B-与保护板P-又重新接上,电芯又能进行正常的充放电.4.保护板短路保护控制原理:如图所示,在保护板对外放电的过程中,8205A内的两个电子开关并不完全等效于两个机械开关,而是等效于两个电阻很小的电阻,并称为8205A的导通内阻,每个开关的导通内阻约为30m\U03a9共约为60m\U03a9,加在G极上的电压实际上是直接控制每个开关管的导通电阻的大小当G极电压大于1V时,开关管的导通内阻很小(几十毫欧),相当于开关闭合,当G极电压小于0.7V以下时,开关管的导通内阻很大(几MQ),相当于开关断开。电压UA就是8205A的导通内阻与放电电流产生的电压,负载电流增大则UA必然增大,因UA0.006LXIUA又称为8205A的管压降,UA可以简接表明放电电流的大小。上升到0.2V时便认为负载电流到达了极限值,于是停止第1脚的输出电压,使第1脚电压变为OV、8205A内的放电控制管关闭,切断电芯的放电回路,将关断放电控制管。换言之DW01允许输出的最大电流是3.3A,实现了过电流保护。5.短路保护控制过程:短路保护是过电流保护的一种极限形式,其控制过程及原理与过电流保护一样,短路只是在相当于在PP-间加上一个阻值小的电阻(约为00)使保护板的负载电流瞬时达到10A以上,保护板立即进行过电流保护。保护板由于近几年的动力锂电池的飞速发展,无论是生产工艺还是材料技术改进上,或价格的优势,都有相当大的突破,因此它也为多并多串打下坚实的基础。替代铅酸电池的时代越来越近。无论电动自行车还是后备电源,它的市场占有率自然也开始疯狂扩大,这是不可否认的事实。那么,为了电池的安全与寿命,锂电池的有效保护自然也少不了,此时保护板在电池包内也是一个非常核心的部件之一。理论上来讲,动力多串电池保护板已经没有太多的电子技术含量了,比如电路与软件处理,有太多的选择。其主要是把保护部分如何做到稳定,可靠,更安全,更实用,当然价...

1、当您付费下载文档后,您只拥有了使用权限,并不意味着购买了版权,文档只能用于自身使用,不得用于其他商业用途(如 [转卖]进行直接盈利或[编辑后售卖]进行间接盈利)。
2、本站所有内容均由合作方或网友上传,本站不对文档的完整性、权威性及其观点立场正确性做任何保证或承诺!文档内容仅供研究参考,付费前请自行鉴别。
3、如文档内容存在违规,或者侵犯商业秘密、侵犯著作权等,请点击“违规举报”。

碎片内容

动力电池保护板工作原理

确认删除?
VIP
微信客服
  • 扫码咨询
会员Q群
  • 会员专属群点击这里加入QQ群
客服邮箱
回到顶部