电脑桌面
添加小米粒文库到电脑桌面
安装后可以在桌面快捷访问

江苏省建设工程档案归档目录VIP免费

江苏省建设工程档案归档目录_第1页
1/13
江苏省建设工程档案归档目录_第2页
2/13
江苏省建设工程档案归档目录_第3页
3/13
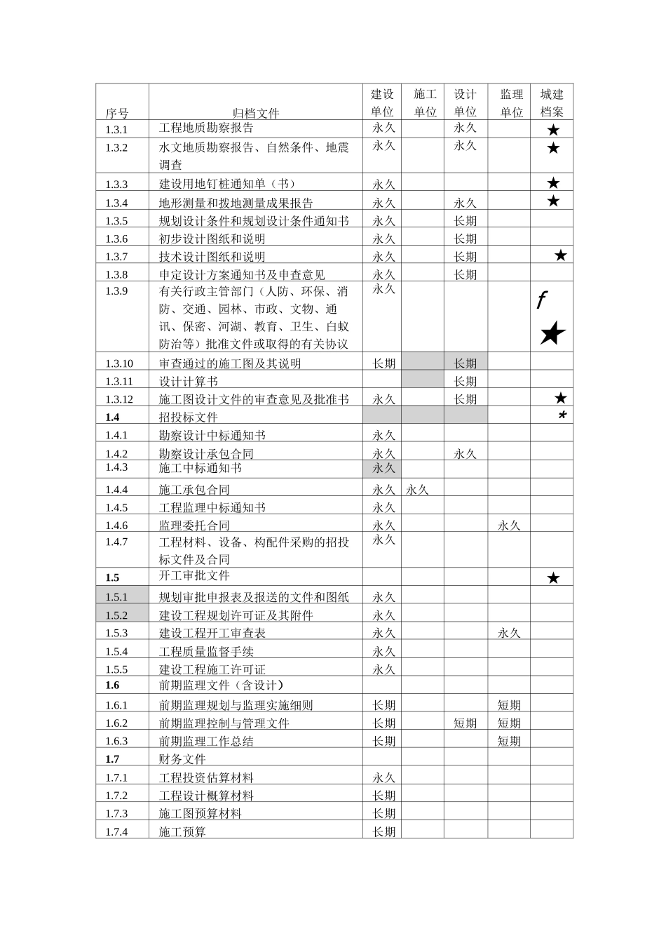
江苏省建设工程档案归档、报送内容目录(试行)★“”标注为向城建档案管理机构报送的内容)序号归档文件保管期限建设单位施工单位设计单位监理单位城建档案1工程准备阶段文件1.1决策项目文件★1.1.1项目建议书永久1.1.2项目建议书审批意见及前期工作通知书永久1.1.3可行性研究报告及附件永久1.1.4可行性研究报告审批意见永久1.1.5与立项有关的会议纪要、领导讲话永久1.1.6专家建议文件永久1.1.7调查资料及项目评估研究材料长期1.2建设用地、征地、拆迁文件1.2.1选址申请及选址意见书永久★1.2.2用地申请报告及县级以上人民政府城乡建设用地批准书永久★1.2.3拆迁安置意见、协议、方案等永久★1.2.4建设用地规划许可证及其附件永久★1.2.5划拨建设用地文件永久★1.2.6国有土地使用证永久1.3勘察、测绘、设计文件序号归档文件建设单位施工单位设计单位监理单位城建档案1.3.1工程地质勘察报告永久永久★1.3.2水文地质勘察报告、自然条件、地震调查永久永久★1.3.3建设用地钉桩通知单(书)永久★1.3.4地形测量和拨地测量成果报告永久永久★1.3.5规划设计条件和规划设计条件通知书永久长期1.3.6初步设计图纸和说明永久长期1.3.7技术设计图纸和说明永久长期★1.3.8申定设计方案通知书及申查意见永久长期1.3.9有关行政主管部门(人防、环保、消防、交通、园林、市政、文物、通讯、保密、河湖、教育、卫生、白蚁防治等)批准文件或取得的有关协议永久f★1.3.10审查通过的施工图及其说明长期长期1.3.11设计计算书长期1.3.12施工图设计文件的审查意见及批准书永久长期★1.4招投标文件*1.4.1勘察设计中标通知书永久1.4.2勘察设计承包合同永久永久1.4.3施工中标通知书永久1.4.4施工承包合同永久永久1.4.5工程监理中标通知书永久1.4.6监理委托合同永久永久1.4.7工程材料、设备、构配件采购的招投标文件及合同永久1.5开工审批文件★1.5.1规划审批申报表及报送的文件和图纸永久1.5.2建设工程规划许可证及其附件永久1.5.3建设工程开工审查表永久永久1.5.4工程质量监督手续永久1.5.5建设工程施工许可证永久1.6前期监理文件(含设计)1.6.1前期监理规划与监理实施细则长期短期1.6.2前期监理控制与管理文件长期短期短期1.6.3前期监理工作总结长期短期1.7财务文件1.7.1工程投资估算材料永久1.7.2工程设计概算材料长期1.7.3施工图预算材料长期1.7.4施工预算长期序号归档文件保管期限建设单位施工单位设计单位监理单位城建档案2工程施工阶段文件2.1建设单位文件2.1.1工程项目管理机构(项目经理部)及责任人名单永久★2.1.2工程项目施工管理机构(施工项目管理部)及责任人名单永久★2.1.3工程项目监理管理机构(项目监理部)及责任人名单永久★2.1.4勘察设计单位及设计人员名单永久★2.1.5工程项目管理规划短期2.1.6建设单位会议记要、领导讲话短期2.1.7建设单位工程变更指令单永久长期★2.1.8建设单位工程其他指令单长期短期2.1.9建设单位工程联系单长期短期短期2.2建筑安装工程2.2.1土建工程2.2.1.1施工技术准备文件2.2.1.1.1施工组织设计及相应申报表短期短期2.2.1.1.2施工方案申报表及相应附件短期短期2.2.1.1.3技术交底长期长期★2.2.1.1.4图纸会审记录长期长期长期★2.2.1.1.5施工预算的审查意见短期短期2.2.1.1.6施工日志短期短期2.2.1.2施工现场准备2.2.1.2.1控制网设置资料及相应报验单长期长期★2.2.1.2.2工程定位测量资料及相应报验单长期长期★2.2.1.2.3基槽开挖线测量资料及相应报验单长期长期★2.2.1.2.4施工安全措施短期短期2.2.1.2.5施工环保措施短期短期2.2.1.3地基处理记录及相应报验单★2.2.1.3.1地基钎探记录及钎探平面布点图永久长期2.2.1.3.2验槽记录和地基处理记录永久长期2.2.1.3.3桩基施工记录永久长期2.2.1.3.4试桩记录短期2.2.1.4工程图纸变更记录2.2.1.4.1设计会议会审记录永久长期长期2.2.1.4.2设计图变更记录永久长期长期2.2.1.5施工材料、预制构件质量证明文件、复试试验报告及相应进场使用报验单序号归档文件保管期限建设单位施工单位设计单位监理单位城建档案221.5.1砂、石、砖、水泥、钢筋、防水材料、隔热保温、防腐材料、轻集料试验,石材和地砖放射性试验汇总表...

1、当您付费下载文档后,您只拥有了使用权限,并不意味着购买了版权,文档只能用于自身使用,不得用于其他商业用途(如 [转卖]进行直接盈利或[编辑后售卖]进行间接盈利)。
2、本站所有内容均由合作方或网友上传,本站不对文档的完整性、权威性及其观点立场正确性做任何保证或承诺!文档内容仅供研究参考,付费前请自行鉴别。
3、如文档内容存在违规,或者侵犯商业秘密、侵犯著作权等,请点击“违规举报”。

碎片内容

江苏省建设工程档案归档目录

您可能关注的文档

wxg+ 关注
实名认证
内容提供者

该用户很懒,什么也没介绍

相关文档

确认删除?
VIP
微信客服
  • 扫码咨询
会员Q群
  • 会员专属群点击这里加入QQ群
客服邮箱
回到顶部