电脑桌面
添加小米粒文库到电脑桌面
安装后可以在桌面快捷访问

同济大学《流体力学》2005-2008全真试题汇总VIP免费

同济大学《流体力学》2005-2008全真试题汇总_第1页
1/18
同济大学《流体力学》2005-2008全真试题汇总_第2页
2/18
同济大学《流体力学》2005-2008全真试题汇总_第3页
3/18
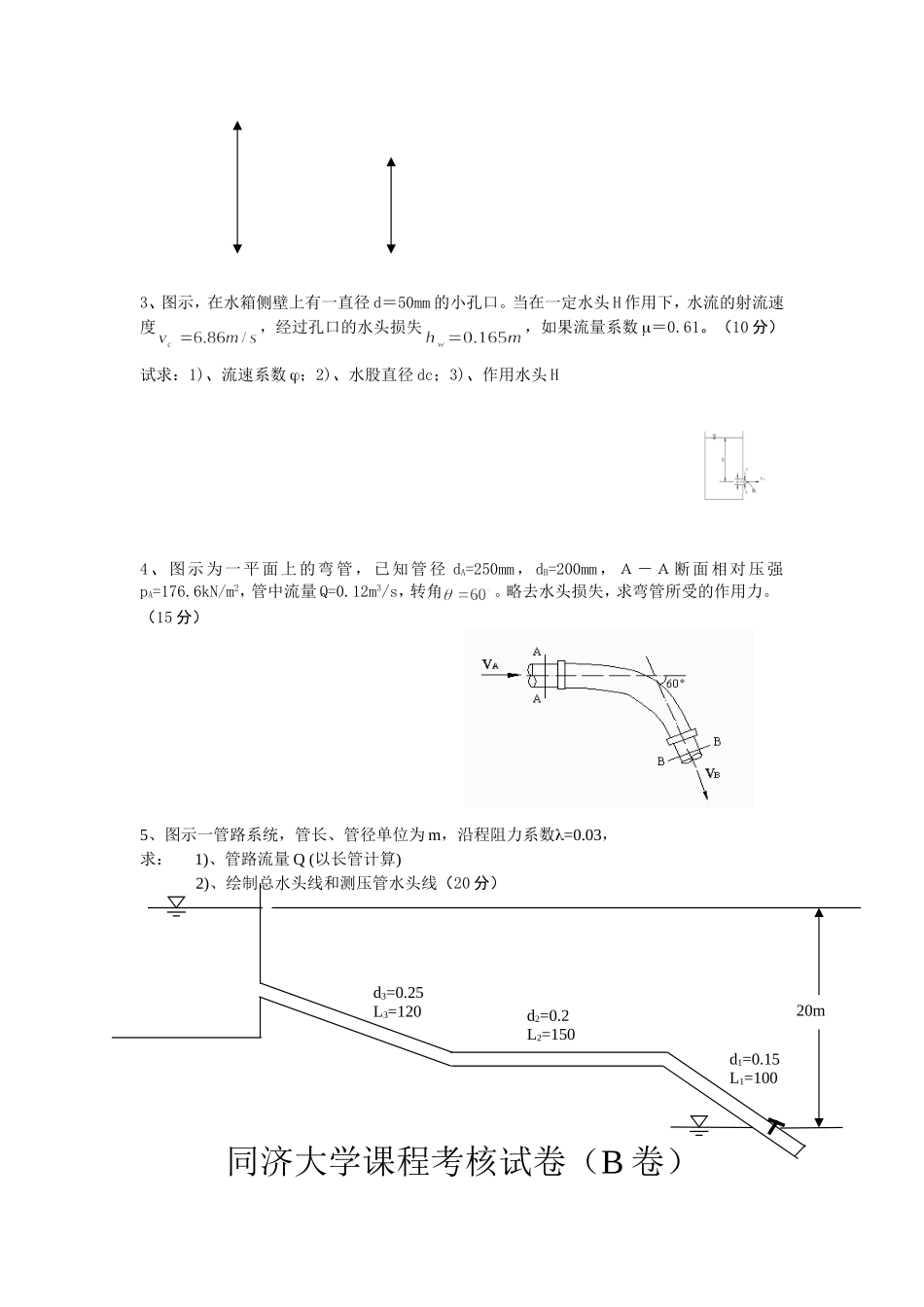
同济大学课程考核试卷(A卷)2005—2006学年第2学期命题教师签名:审核教师签名:课号:12506203课名:流体力学考试考查:考试此卷选为:期中考试()、期终考试()、重考()试卷年级专业学号姓名得分一、选择题(30%,每小题3分)1、牛顿内摩擦定律表明,决定流体内部剪切应力的因素是[]A:动力粘性系数和速度B:动力粘性系数和压强C:动力粘性系数和作用面积D:动力粘性系数和速度梯度2、在圆管紊流(水力)光滑区中,沿程水头损失与速度的[]A:(0~0.5)次方成正比B:(0.5~1.0)次方成正比C:(1.0~2.0)次方成正比D:(2.0~3.0)次方成正比3、恒定流的[]A:位变加速度为零B:时变加速度为零C:位变和时变加速度均为零D:位变和时变加速度均不为零4、两水池的隔板上开设内径相同的孔口B和管嘴A,位置如图示,则两者的流量是[]A:B:C:D:不能确定5、两根串联管道正确的计算公式是[]A:B:C:D:6、在流量一定,渠道断面的形状、尺寸和壁面粗糙一定时,随底坡的增大,正常水深将[]A:增大B:减小C:不变D:不确定7、复式水银测压计如图1所示,在测压计中的同一水平线上四个点上的压强,试问最大压强是、最小压强是。8、恒定总流的能量方程必须建立在过流断面上,9、局部水头损失产生的主要原因是。10、沿程水头损失和局部损失都占相当比重,两者都不能忽略的管道称为。二、计算题(70%)1、矩形闸门AB,宽1.2m,左侧水深H1=3m,右侧水深H2=2m,图1示。求闸门上水压力的大小及作用点的位置。(10分)2、图2示虹吸管,管径为75cm,当地大气压为10m水柱。求管中的流速、流量及最高点的绝对压强(不计损失)。(15分)AEH1H2ABC2m4m图1图2AB水水银空气12343、图示,在水箱侧壁上有一直径d=50mm的小孔口。当在一定水头H作用下,水流的射流速度,经过孔口的水头损失,如果流量系数m=0.61。(10分)试求:1)、流速系数j;2)、水股直径dc;3)、作用水头H4、图示为一平面上的弯管,已知管径dA=250mm,dB=200mm,A-A断面相对压强pA=176.6kN/m2,管中流量Q=0.12m3/s,转角。略去水头损失,求弯管所受的作用力。(15分)5、图示一管路系统,管长、管径单位为m,沿程阻力系数=0.03,求:1)、管路流量Q(以长管计算)2)、绘制总水头线和测压管水头线(20分)同济大学课程考核试卷(B卷)20md1=0.15L1=100d2=0.2L2=150d3=0.25L3=1202005—2006学年第2学期命题教师签名:审核教师签名:课号:12506203课名:流体力学考试考查:考试此卷选为:期中考试()、期终考试()、重考()试卷年级专业学号姓名得分一、选择题(30%,3分/题)1、在液体处于静止状态下,质量力与等压面[]A:重合B:平行C:斜交D:正交2、圆管均匀流断面上,剪切应力在断面分布规律与半径[]A:0.5次方成正比B:1.0次方成正比C:1.75次方成正比D:2.0次方成正比3、在图示的侧板上有两孔口A和B,其大小形状相同,孔口A在底部,则两者的出流量是[]A:B:C:D:不能确定4、并联管道A、B,两管材料、直径相同,长度,两管物理量的关系为[]A:B:C:D:5、圆管紊流(水力)光滑区的层流底层与壁面粗糙度的关系是[]A:无关B:C:D:6、明渠均匀流可能出现在[]A:平坡棱柱形渠道B:顺坡棱柱形渠道C:逆坡棱柱形渠道D:天然渠道7、圆管层流的速度分布是。8、某流体的运动粘性系数,密度,其动力粘性系数=9、渐变流的过流段面上,流体压强的分布规律为。10、何谓水力半径?二、计算题(70%)1、图示AB为直径D=2m的半球面,水深如图。求:作用在AB球面上的静水压力的大小、方向和作用线的位置。(15分)BA水3m2mAB2、一变直径的管道AB,dA=0.2m,dB=0.4m,高差h=1.5m,现测得pA=30kN/m2,pB=40kN/m2,B点处断面平均流速vB=1.5m/s。试判断水在管中的流动方向;并计算水对该管段的作用力。(15分)3、风管断面尺寸1000mm×600mm输送15oC的空气长度100m。壁面粗糙度K=1mm,测得沿程损失hf=8cm水柱,求空气体积流量Q。(15分)(=1.2kg/m3,=15.7×10-6m2/s,)4、图示为水箱侧壁的小孔出流,流速系数j=0.98,收缩系数=0.64。为保持恒定流动,由顶部水管补充水量,管径D=100mm,补充水流的方向与水箱水面成60度角。孔口直径d=50mm,作用水头H=1m求:1)、孔口流量...

1、当您付费下载文档后,您只拥有了使用权限,并不意味着购买了版权,文档只能用于自身使用,不得用于其他商业用途(如 [转卖]进行直接盈利或[编辑后售卖]进行间接盈利)。
2、本站所有内容均由合作方或网友上传,本站不对文档的完整性、权威性及其观点立场正确性做任何保证或承诺!文档内容仅供研究参考,付费前请自行鉴别。
3、如文档内容存在违规,或者侵犯商业秘密、侵犯著作权等,请点击“违规举报”。

碎片内容

同济大学《流体力学》2005-2008全真试题汇总

您可能关注的文档

确认删除?
VIP
微信客服
  • 扫码咨询
会员Q群
  • 会员专属群点击这里加入QQ群
客服邮箱
回到顶部