电脑桌面
添加小米粒文库到电脑桌面
安装后可以在桌面快捷访问

汽车维修辅助材料名称[1]VIP免费

汽车维修辅助材料名称[1]_第1页
1/187
汽车维修辅助材料名称[1]_第2页
2/187
汽车维修辅助材料名称[1]_第3页
3/187
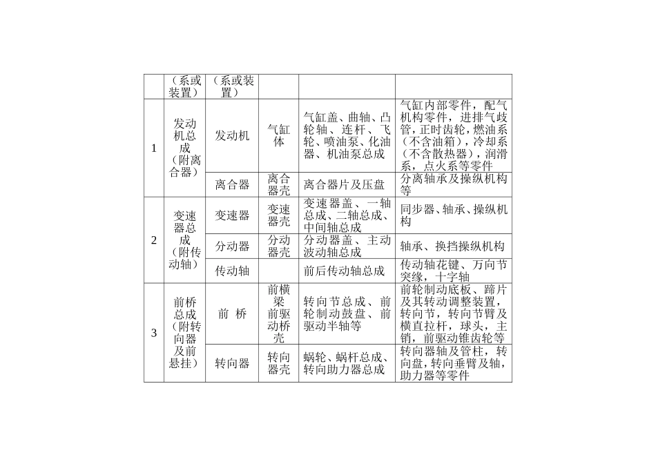
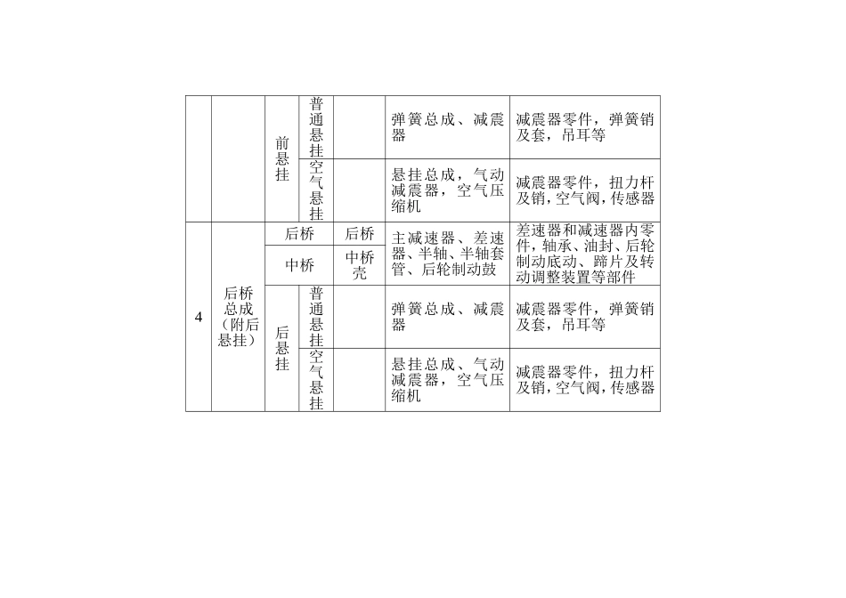
汽车维修辅助材料名称辅助材料名称洗涤用汽、柴油、煤油、酒精、黄油、烧碱、硫酸、盐酸、蒸馏水、焊条、焊膏、漆片、钢丝、铁丝、铜皮、锯条、毛毡、石棉纸、棉纱、线卡子、凡尔砂、透明胶带、木螺钉、元钉、卡扣、合页、扣吊、插销、开口销、φ10mm及以下的标准螺栓、螺帽、弹簧垫圈、平垫圈、螺钉等。汽车总成及其零部件划分表(一)序号总成名称总成包括范围基础件主要零部件其他零件(系或装置)(系或装置)(系或装置)1发动机总成(附离合器)发动机气缸体气缸盖、曲轴、凸轮轴、连杆、飞轮、喷油泵、化油器、机油泵总成气缸内部零件,配气机构零件,进排气歧管,正时齿轮,燃油系(不含油箱),冷却系(不含散热器),润滑系,点火系等零件离合器离合器壳离合器片及压盘分离轴承及操纵机构等2变速器总成(附传动轴)变速器变速器壳变速器盖、一轴总成、二轴总成、中间轴总成同步器、轴承、操纵机构分动器分动器壳分动器盖、主动波动轴总成轴承、换挡操纵机构传动轴前后传动轴总成传动轴花键、万向节突缘,十字轴3前桥总成(附转向器及前悬挂)前桥前横梁前驱动桥壳转向节总成、前轮制动鼓盘、前驱动半轴等前轮制动底板、蹄片及其转动调整装置,转向节,转向节臂及横直拉杆,球头,主销,前驱动锥齿轮等转向器转向器壳蜗轮、蜗杆总成、转向助力器总成转向器轴及管柱,转向盘,转向垂臂及轴,助力器等零件前悬挂普通悬挂弹簧总成、减震器减震器零件,弹簧销及套,吊耳等空气悬挂悬挂总成,气动减震器,空气压缩机减震器零件,扭力杆及销,空气阀,传感器4后桥总成(附后悬挂)后桥后桥主减速器、差速器、半轴、半轴套管、后轮制动鼓差速器和减速器内零件,轴承、油封、后轮制动底动、蹄片及转动调整装置等部件中桥中桥壳后悬挂普通悬挂弹簧总成、减震器减震器零件,弹簧销及套,吊耳等空气悬挂悬挂总成、气动减震器,空气压缩机减震器零件,扭力杆及销,空气阀,传感器汽车总成及其零部件划分表(二)序号总成名称(系或装置)总成包括范围(系或装置)基础件主要零部件其他零件(系或装置)5制动系(不含前后轮)气压制动空压机空压机缸体缸盖、曲轴及连杆空滤器、皮带轮、活塞、活塞环等储气筒及控制机构储气筒、制动阀、各制动气室油水分离器、继动阀、快放阀、防冻器,气压感载比例阀,多回路压力保护阀液压制动制动总泵泵体活塞、顶杆皮碗、止回阀、弹簧等制动分泵泵体活塞皮碗、弹簧及连接管路等真空(空气)增压助力器缸体安全缸、真空泵液压感载比例阀,皮碗,回位弹簧等辅助制动发动机排气制动排气制动阀门连接叉、曲杆、杠杆等电涡流制动器排气制动阀离合开关、加速开关等液力下坡缓行器盖、转子轴转子、密封座等车轮防抱装置电磁传感器电子控制防抱装置电子控制装置压力调节阀、连接装置零件等驻车制动器机械式驻车制动器制动鼓、盘制动蹄、摩擦片,制动拉杆及支架操纵控制机构6车架总成车架车架纵梁、横梁、牵引装置保险杠、备胎架、油箱和架、蓄电池架、踏板架、翼子板支架等汽车总成及其零部件划分表(三)序号总成名称(系或装置)总成包括范围(系或装置)基础件主要零部件其他零件(系或装置)7车身总成货车车身驾驶室驾驶室骨架车门及外蒙皮、窗框、仪表台座椅、靠背、玻璃、椅架、摇窗机构、雨刮器车头翼子板、发动机罩、散热器总成散热器罩、百叶窗等车厢纵、横梁底板、边板、前板边板、边柱、后板、挡泥板、篷杆、挂钩等轿车客车车身轿车车棚仪表台、车门门玻璃及升降器、车门控制装置、发动机等翼子板、雨刮器等客车横梁、车身骨架散热器总成、底板、内外蒙皮、车门总成座椅、翼子板、仪表板架、货架、发动机罩、散热器罩、玻璃及升降器,雨刮器等8电系起动电源发电机、起动机、电瓶、调节器开关、电磁阀电子控制控制装置各种传感器等照明及灯光各种灯具、电器仪表、接线盒、连接线路等空调装置冷气系统发动机缸体缸盖、曲轴、连杆、飞轮等气缸内部零件、配气机构零件等压缩机缸体活塞、斜盘活塞环、空调开关、吹风机及管路等其他电器喇叭、收音机连接线路等9车轮(附轮胎总成)车轮轮辋轮盘、凸缘、轮辐挡圈、锁圈、衬块、螺栓等轮胎外胎、内胎垫带...

1、当您付费下载文档后,您只拥有了使用权限,并不意味着购买了版权,文档只能用于自身使用,不得用于其他商业用途(如 [转卖]进行直接盈利或[编辑后售卖]进行间接盈利)。
2、本站所有内容均由合作方或网友上传,本站不对文档的完整性、权威性及其观点立场正确性做任何保证或承诺!文档内容仅供研究参考,付费前请自行鉴别。
3、如文档内容存在违规,或者侵犯商业秘密、侵犯著作权等,请点击“违规举报”。

碎片内容

汽车维修辅助材料名称[1]

确认删除?
VIP
微信客服
  • 扫码咨询
会员Q群
  • 会员专属群点击这里加入QQ群
客服邮箱
回到顶部