电脑桌面
添加小米粒文库到电脑桌面
安装后可以在桌面快捷访问

写字楼物业费测算标准与模板VIP免费

写字楼物业费测算标准与模板_第1页
1/6
写字楼物业费测算标准与模板_第2页
2/6
写字楼物业费测算标准与模板_第3页
3/6
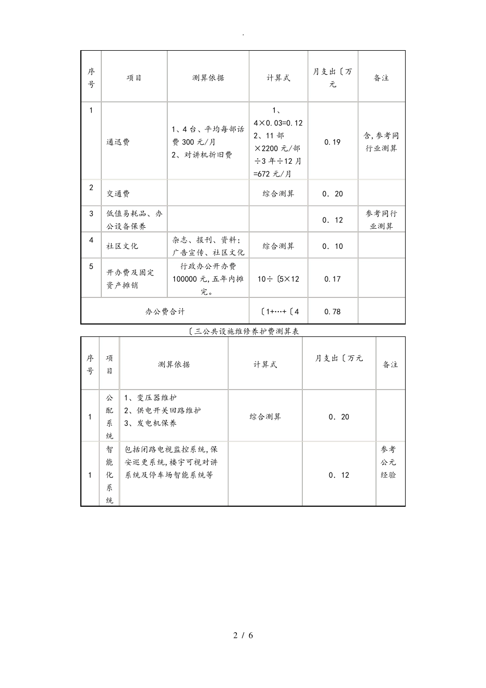
.写字楼物业费测算标准及模板〔一工资及福利费测算表序号123456789项目测算依据计算式月支出〔万元0.300.420.200.180.600.180.282.550.100.560.195.560.56备注管理处主任客服员、物管员、收款员客服主管维修主管水电工安全事务主管保安班长保安员保洁主管按月均3000按月人均1400按月人均2000按月人均1800按月人均1200按月人均1800按月人均1400按月人均1000按月人均1000按月人均800按月人均8000.30×10.14×30.20×10.18×10.12×50.18×10.14×20.10×250.10×10.08×70.08×21+2…〔12每人月工资的10%10保洁员11食堂厨师12工资总额13社会保险1415计提福利费按月工资10%计算5.14×10%0.56〔12+〔13+〔146.67工资及福利费合计伙食补贴及福利包括、伙食补贴、服装费等支出。人员2.1管理处主任1人。2.3客服中心〔4人:主管1人,收款员1人,客服员1人,物管员1人。2.4工程维修部〔6人:主管1人,水电工2人,弱电技术员1人,泥水工1人,空调工1人。2.5安全事务部〔28人:主管1人,班长2人,保安员25人〔其中顶休3人,分三班。2.6保洁部〔8人:主管1人,保洁员7人〔其中顶休1人。2.7食堂厨师〔2人合计:49人。〔二办公费测算表1/6.序号1项目测算依据计算式月支出〔万元备注1、1、4台、平均每部话通迅费费300元/月2、对讲机折旧费4×0.03=0.122、11部×2200元/部÷3年÷12月=672元/月0.19含,参考同行业测算2交通费综合测算0.200.120.103低值易耗品、办公设备保养45社区文化开办费及固定资产摊销参考同行业测算杂志、报刊、资料;广告宣传、社区文化行政办公开办费100000元,五年内摊完。办公费合计综合测算10÷〔5×120.17〔1+…+〔40.78〔三公共设施维修养护费测算表序项月支出〔万元号目公1配系统智能1化系测算依据计算式备注1、变压器维护2、供电开关回路维护3、发电机保养包括闭路电视监控系统,保安巡更系统,楼宇可视对讲系统及停车场智能系统等综合测算0.20参考公元0.12经验统2/6.1污水井、雨水井维护清理费给生活、消防水泵轴承、盘根等排2水系维修保养费3排污泵维修保养费4管道、阀门维修更换6排水管、下水道每年更新二次供水水池清洗、每半年一次。供3电系统公共4照明系统消5防系统6写字楼中、写字楼中央空调管道加药费7央空调系统写字8〔缓蚀剂、阻垢剂、除菌剂、维保费。消防设备设施维保路灯、庭园灯、办公室、灯具损耗、外墙灯综合测算0.151变压器年检费、保养费2低压配电柜维修保养综合测算0.20统5普通水龙头每年更换0.100.15马路、道路及场地养护综合测算①夏季5个月:1094KW×8时×30天×5月×0.835元/度=1096188元②冬季3个月:700KW×8时×30天×3月×0.835元/度=420840元〔①+②×30%÷12月=37925.7元①电费:6台×18.5KW×12时0.203.80×30天×0.835元楼、写字楼电梯运行电费、年检费、/度=33366.6元/电维保费月梯调系②年检费:1600元/台×6台÷12月3.783/6.=800元/月③维保费:600元/台×6台=3600元/月说明机电设备设施维护费合计〔1+…+〔78.70〔四公共部分水电费说明:《XX市物价局关于对XX市城市物业管理服务收费实施办法执行中有关问题的通知》中第六项规定:由于业主共用部位、共用设备设施〔如楼道照明、消防通道照明、电梯间照明、院墙路灯、小区路灯、草坪灯、小区水景、二次供水泵、自备发电机油料的用水、用电费用未进入物业服务收费成本,应按户据实分摊后由产权人或使用人缴纳。序号月支出〔万元项目测算依据计算式备注1、供配电及备用发电系统综合测算0.151公共电费2、管理处、食堂、物业公司用电、智能中央控制室、地下停车场用电1、保洁、绿化用水综合测算0.202公共水费2、办公室、食堂3、管理处、物业公司用水合计综合测算0.15〔1+〔2〔五绿化管理费测算表0.50序号项目绿化1养护费〔六清洁卫生费测算表专业绿化公司承包根据现有绿化面积计算0.45不含节日摆花测算依据计算式月支出〔万元备注4/6.序号项目测算依据计算式月支出〔万元备注1垃圾清运费外包给专业公司,并参考公元经验外包给专业公司,参考公元经验综合测算综合测算0.120.150.100.130.502消杀费保洁工具4和用品、消耗清洁卫生费合计3化粪池清理并参...

1、当您付费下载文档后,您只拥有了使用权限,并不意味着购买了版权,文档只能用于自身使用,不得用于其他商业用途(如 [转卖]进行直接盈利或[编辑后售卖]进行间接盈利)。
2、本站所有内容均由合作方或网友上传,本站不对文档的完整性、权威性及其观点立场正确性做任何保证或承诺!文档内容仅供研究参考,付费前请自行鉴别。
3、如文档内容存在违规,或者侵犯商业秘密、侵犯著作权等,请点击“违规举报”。

碎片内容

写字楼物业费测算标准与模板

您可能关注的文档

确认删除?
VIP
微信客服
  • 扫码咨询
会员Q群
  • 会员专属群点击这里加入QQ群
客服邮箱
回到顶部