电脑桌面
添加小米粒文库到电脑桌面
安装后可以在桌面快捷访问

10KV变电所安装工程施工组织设计VIP免费

10KV变电所安装工程施工组织设计_第1页
1/13
10KV变电所安装工程施工组织设计_第2页
2/13
10KV变电所安装工程施工组织设计_第3页
3/13
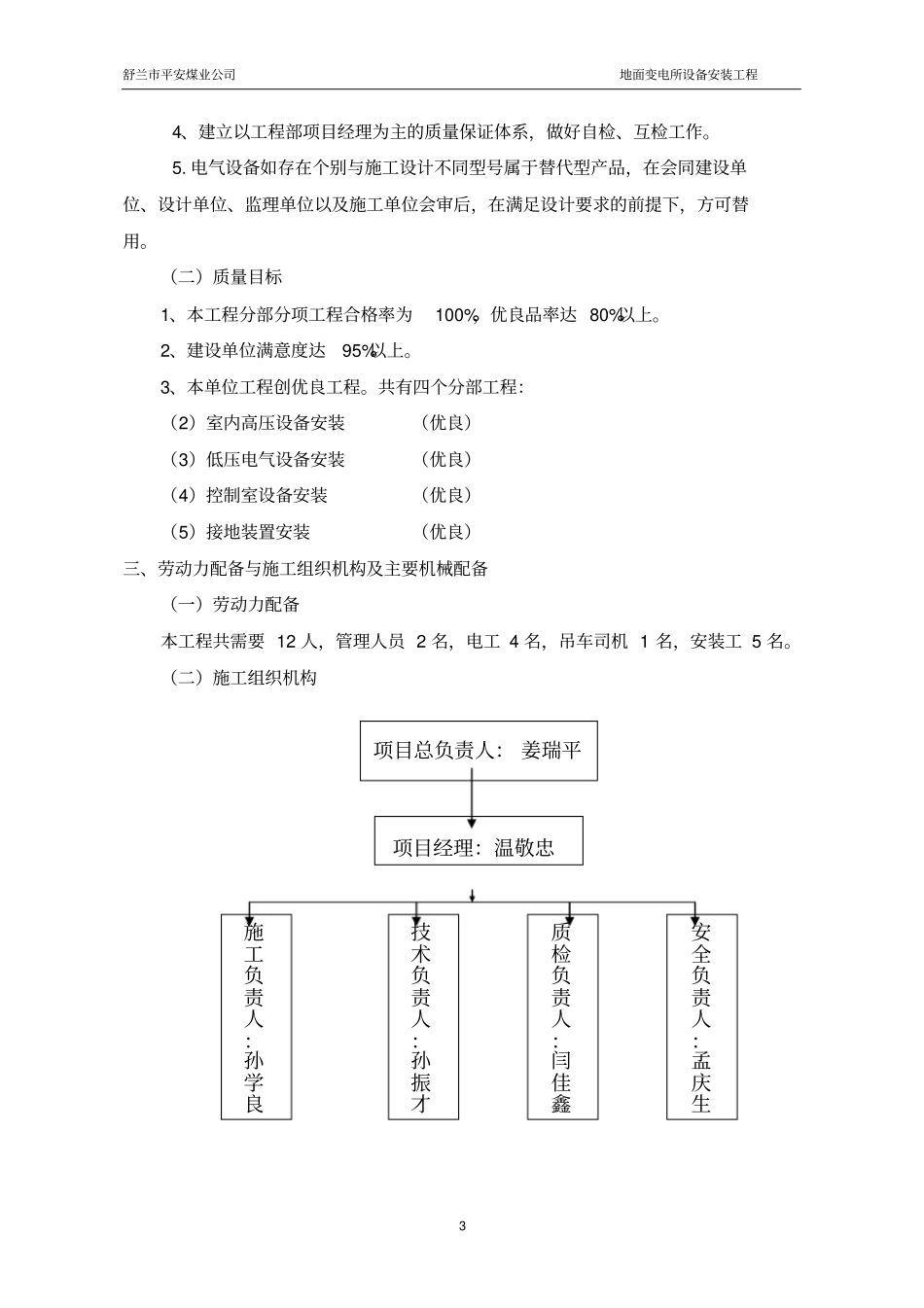
舒兰市平安煤业有限责任公司10KV地面变电所设备安装工程施工组织措施吉林安装集团吉林市第二分公司二O一二年七月舒兰市平安煤业公司地面变电所设备安装工程2一、工程概况舒兰市平安煤业有限公司矿井地面工业主场10kV变电所,两回10kV线路分别引自,平安变电所66kV变电站;和七里变电所七平线10kV架空线路,导线型号为LGJ-50mm2钢芯铝绞线,输电距离约4.5km;两回线路同时带电运行,两回电源线路均采用砼杆架空引来。地面10kV变电所以两回10kV电源线路向井下中央变电所、地面变压器供电;提升机房变压器供电;以一趟10KV高压向主斜井胶带输送机供电,以400V低压向矿井地面其它设备供电。变电所主要设备有KYN28A-12Z型高压配电柜15台,S11-500/10/0.4型变压器,2台,GGD2-380型低压配电柜10台。由于时间紧、任务急,特制订如下措施,望全体施工人员施工前认真贯彻执行。计划施工时间:2012年7月17日-2012年7月23日结束,工期7天。二、编写依据表2-1引用标准及规范名称序号标准及规范名称1GBJ147-90《电气装置安装工程高压电器施工及验收规范》2DL408-91《电业安全工作规程》(发电厂和变电所电气部分)3DL5009.3-1997《电力建设安全工作规程(变电所部分)》4Q/CSG10001-2004《变电站安健环设施标准》5Q/CSG10007-2004《电力设备预防性试验规程》6Q/CSG10017.2-2007《10kV~35kV送变电工程质量检验及评定标准》7Q/CSG11105.2-2008《电气工程施工工艺控制规范》二、质量保证措施与质量目标本工程的质量管理必须依据GB/T19001—2000质量管理体系,对工程进行科学管理、精心施工,坚持“真诚服务、品质卓越;持续改进、质量至上”的方针,对工程质量从严要求,实行全过程控制,建设一流达标变电工程的目标。(一)质量保证措施1、电气设备安装前,必须进行严格的检查,合格后方可进站。2、电气设备的试验严格按电气试验规范进行调整试验。3、专职质检员必须严把质量关,对于不合格项应及时处理。舒兰市平安煤业公司地面变电所设备安装工程34、建立以工程部项目经理为主的质量保证体系,做好自检、互检工作。5.电气设备如存在个别与施工设计不同型号属于替代型产品,在会同建设单位、设计单位、监理单位以及施工单位会审后,在满足设计要求的前提下,方可替用。(二)质量目标1、本工程分部分项工程合格率为100%,优良品率达80%以上。2、建设单位满意度达95%以上。3、本单位工程创优良工程。共有四个分部工程:(2)室内高压设备安装(优良)(3)低压电气设备安装(优良)(4)控制室设备安装(优良)(5)接地装置安装(优良)三、劳动力配备与施工组织机构及主要机械配备(一)劳动力配备本工程共需要12人,管理人员2名,电工4名,吊车司机1名,安装工5名。(二)施工组织机构项目总负责人:姜瑞平项目经理:温敬忠施工负责人:孙学良技术负责人:孙振才质检负责人:闫佳鑫安全负责人:孟庆生舒兰市平安煤业公司地面变电所设备安装工程4(三)安全组织机构(四)械和仪表配置序号设备名称规格单位数量备注(KVA)01电工工具套402万用表MF-47个303绝缘电阻测试仪ZC-92500V台104接地电阻测试仪ZC8台105高压验电测试仪HB-L台106吊车8T辆1四、总体施工方案1、施工准备阶段:为保证施工质量,避免返工和浪费,施工前准备阶段非常重要,必须进行培训学习和技术交底。由设备厂家洛阳维克特孙工给讲,安装工作顺序,及注意事项,设备怎么运输进屋,需要干什么工作,用什么工序,安装后的验收标准是什么,工作前要认真准备,认真做好施工图的审查、技术交底和其他技术保障工作,完成施工组织设计(内含质量保证措施、安全保证措施)、创优目标、预防质量通病措施、作业指导书、材料计划等的编制,完成材料的采购供应、施工机械和人力资源配置及施工临建等工作,做到百分之百达标,无缺陷投运。组长:孟庆生成员:温习学成员:刘士臻成员:鲁秋生成员:曲海强舒兰市平安煤业公司地面变电所设备安装工程52、施工图纸会审施工图纸应先由公司技术专责组织各施工班组的班长、技术员、专业技术骨干参加公司内部的施工图预审,并填写施工图纸审核记录。各施工人员都应提前认真熟悉图纸,弄清设计意图,对本...

1、当您付费下载文档后,您只拥有了使用权限,并不意味着购买了版权,文档只能用于自身使用,不得用于其他商业用途(如 [转卖]进行直接盈利或[编辑后售卖]进行间接盈利)。
2、本站所有内容均由合作方或网友上传,本站不对文档的完整性、权威性及其观点立场正确性做任何保证或承诺!文档内容仅供研究参考,付费前请自行鉴别。
3、如文档内容存在违规,或者侵犯商业秘密、侵犯著作权等,请点击“违规举报”。

碎片内容

10KV变电所安装工程施工组织设计

确认删除?
VIP
微信客服
  • 扫码咨询
会员Q群
  • 会员专属群点击这里加入QQ群
客服邮箱
回到顶部