电脑桌面
添加小米粒文库到电脑桌面
安装后可以在桌面快捷访问

2019年福建电子竞赛题目VIP免费

2019年福建电子竞赛题目_第1页
1/19
2019年福建电子竞赛题目_第2页
2/19
2019年福建电子竞赛题目_第3页
3/19
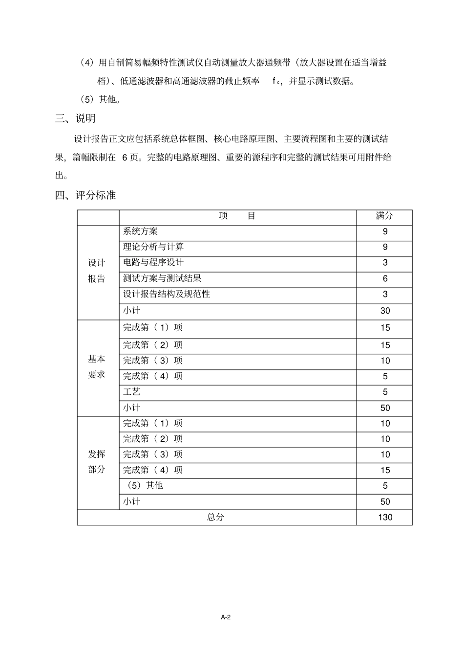
A-1程控放大滤波器(A题)【本科组】一、任务设计并制作一个程控放大滤波器,其组成如图1所示。图中放大器增益可设置;低通或高通滤波器通带、截止频率等参数可设置。放大器滤波器信号输入参数设置参数设置信号输出RL测试端子图1程控放大滤波器组成框图二、要求1.基本要求(1)放大器输入正弦信号电压振幅为10mV,电压增益为48dB,增益6dB步进可调,通频带为100Hz~50kHz,放大器输出电压无明显失真。(2)滤波器可设置为低通滤波器,其-3dB截止频率fc在1kHz~25kHz范围内可调,调节的频率步进为1kHz,2fc处放大器与滤波器的总电压增益不大于40dB,RL=1k。(3)电压增益与截止频率的误差均不大于10%。(4)有设置参数显示功能。2.发挥部分(1)放大器电压增益为60dB,输入信号电压振幅为10mV;增益6dB步进可调,电压增益误差不大于5%。(2)滤波器可设置为高通滤波器,其-3dB截止频率fc在1kHz~25kHz范围内可调,调节的频率步进为1kHz,0.5fc处放大器与滤波器的总电压增益不大于40dB,截止频率设置误差不大于5%,RL=1k。(3)制作一个简易幅频特性测试仪,其扫频输出信号的频率变化范围是100Hz~200kHz,频率步进1kHz。A-2(4)用自制简易幅频特性测试仪自动测量放大器通频带(放大器设置在适当增益档)、低通滤波器和高通滤波器的截止频率fc,并显示测试数据。(5)其他。三、说明设计报告正文应包括系统总体框图、核心电路原理图、主要流程图和主要的测试结果,篇幅限制在6页。完整的电路原理图、重要的源程序和完整的测试结果可用附件给出。四、评分标准项目满分设计报告系统方案9理论分析与计算9电路与程序设计3测试方案与测试结果6设计报告结构及规范性3小计30基本要求完成第(1)项15完成第(2)项15完成第(3)项10完成第(4)项5工艺5小计50发挥部分完成第(1)项10完成第(2)项10完成第(3)项10完成第(4)项15(5)其他5小计50总分130A-3简易射门机器人(B题)【本科组】一、任务设计制作一个简易机器人,不能使用外接电源,机器人在设定的场地范围内行动,能在指定区域内寻找到乒乓球,并进行射门动作,但机器人不能超越球门区线。球门中心上方20cm处有25W白炽灯指示;场地内有5名防守者,其中三名防守者位置固定(如图所示),两名防守者可以随机摆放;乒乓球放置在铁环的圆心处,并可以随机摆放在球门区线、EF区间隔线和球门中心两条放射线所围成的区域内,场地如图所示:二、要求1、基本要求(1)机器人从出发区域开始启动,能自动确定自身大体坐标位置(如A2,B4等)。存贮并显示对应参数。(2)在场地中可以避开防守者(可以触碰但不能推倒或使其明显移动)。A-4(3)寻找乒乓球的位置(在球门中心放射线夹角为90度),遇到铁环必须停止行动2秒钟。(4)确定乒乓球的位置,机器人移动到合适的位置,然后完成射门。(5)从启动到完成射门时间不超过3分钟。2、发挥部分(1)能够在不同的状态下发出不同的提示声。(2)寻找乒乓球的位置(在球门中心放射线夹角为120度)。(3)能确定乒乓球的大体位置(如G2、F4等)。(4)能够自动计算、存储和显示行走距离、时间和行走轨迹。(5)从启动到完成射门时间不超过2.5分钟,在70秒之内得满分。(6)其他。三、评分标准项目满分设计报告检测、控制部分方案10设计与计算7各种电路图8测试结果2摘要、正文结构完整性、图表的规范性3小计30基本要求完成第(1)项12完成第(2)项10完成第(3)项10完成第(4)项13完成第(5)项5小计50发挥部分完成第(1)项5完成第(2)项5完成第(3)项10完成第(4)项10完成第(5)项5其他创新15小计50总分130四、说明1、机器人要求自制,允许用玩具车改装,但不能采用人工遥控。A-52、指定区域内用白纸铺设,黑线宽度为2cm。3、防守者为金属圆筒:直径为5.5cm,高度为13.3cm,其重量不超过300克(参考椰树牌椰汁易拉罐),防守者的颜色允许自选。4、铁环内径为10cm,外径为12cm,放置在白纸下面。5、乒乓球颜色可以自选,其内填充物重量不超过50克。6、机器人的前轮在完成射门时及之后均不得进入球门区。7、若机器人带球时,不得使用化学粘合剂粘附乒乓球。8、设计报告正文应包括系统总体框图、核...

1、当您付费下载文档后,您只拥有了使用权限,并不意味着购买了版权,文档只能用于自身使用,不得用于其他商业用途(如 [转卖]进行直接盈利或[编辑后售卖]进行间接盈利)。
2、本站所有内容均由合作方或网友上传,本站不对文档的完整性、权威性及其观点立场正确性做任何保证或承诺!文档内容仅供研究参考,付费前请自行鉴别。
3、如文档内容存在违规,或者侵犯商业秘密、侵犯著作权等,请点击“违规举报”。

碎片内容

2019年福建电子竞赛题目

您可能关注的文档

确认删除?
VIP
微信客服
  • 扫码咨询
会员Q群
  • 会员专属群点击这里加入QQ群
客服邮箱
回到顶部