电脑桌面
添加小米粒文库到电脑桌面
安装后可以在桌面快捷访问

互联网药品交易服务现场验收标准(实施细则)VIP免费

互联网药品交易服务现场验收标准(实施细则)_第1页
1/34
互联网药品交易服务现场验收标准(实施细则)_第2页
2/34
互联网药品交易服务现场验收标准(实施细则)_第3页
3/34
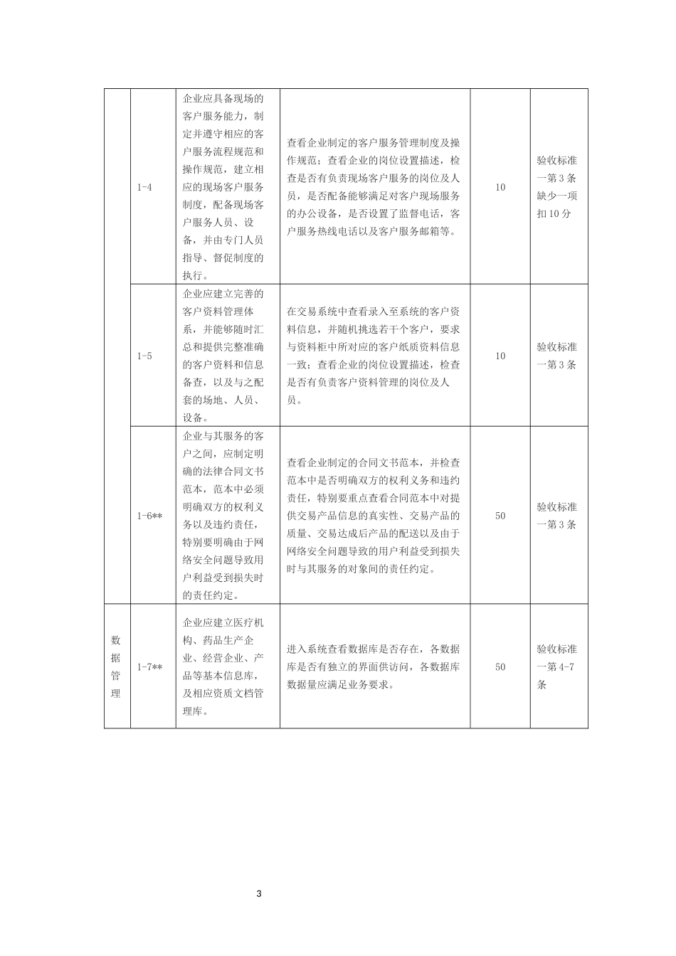
1互联网药品交易服务现场验收标准(实施细则)一、为统一互联网药品交易服务验收标准,规范现场检验程序,保证验收工作质量,根据《互联网药品交易服务审批暂行规定》及《互联网药品交易服务机构验收标准》,特制定本实施细则。二、《互联网药品交易服务现场验收标准(实施细则)》中验收标准一的检查项目共39项,其中必须项目11项(条款前加“**”),重要项目(条款前加“*”)15项,一般项目13项。《互联网药品交易服务现场验收标准(实施细则)》中验收标准二的检查项目共20项,其中必须项目6项(条款前加“**”),重要项目(条款前加“*”)7项,一般项目7项。三、现场检查时,应对检查的项目及其涵盖的内容进行全面检查,并逐项做出”通过”或者”未通过”的评定。四、评分规则:基础分值为100分,未通过的条款,按其分值进行扣除,如果验收后分值大于或等于60分(即未通过条款扣除的分值少于40分),则视为现场验收合格;否则为现场验收不合格,不予发放互联网药品交易服务资格证书。五、分值附表:项目类型验收标准一的检查项目分值验收标准二的检查项目分值必须项目**50分**50分重要项目*25分*30分一般项目10分15分2条款检查内容检查办法及细则所占分数备注企业管理1-1**企业应具有互联网药品信息服务资格证书、营业执照以及与执业人员要求相符的执业证明。查看《互联网药品信息服务资格证书》,营业执照原件,并查验是否在有效期内。50《互联网药品交易服务审批暂行规定》第6条。此为必备项,少一项则扣50分;资质不全的扣50分。查看药品及医疗器械相关专业技术人员学历证明及其专业技术资格证书复印件(执业药师或医药专业中级以上职称证书等)、公司法定代表人身份证复印件。1-2*企业应有关于互联网药品交易服务的业务发展规划。业务发展规划必须对提供互联网药品交易服务的商业模式、市场目标、盈利模式、组织体系、保障措施等进行详细说明。业务发展规划的商业模式应清晰明确,描述其在行业中地位及其所提供的服务和产品模式;市场目标清晰、具体、合理,有三至五年的业务发展规划;盈利模式主要包括其收入模式,即对收费项目存在明确的界定。10验收标准一第1条组织体系应包括企业内部的组织结构图、业务部门的岗位及人员设置。5保障措施应包括健全的管理机构、具备保障网络及交易安全的措施及管理制度、对交易各个环节可能出现的风险控制措施或手段。上述制度或措施应具有针对性和可操作性。101-3**企业应具有承担数据管理、技术维护、客户服务、交易审查等专项职能的部门,且拥有相应的场所、设施,并具备自我管理和维护的能力。各部门需有相应的管理制度,每个部门配有能胜任相应职责的工作人员。20验收标准一第2条企业应该拥有自有服务器,并拥有独立的机房,或者将自有服务器托管于IDC机房(InternetDataCenter互联网数据中心),人员有独立办公场所。此小项未达到扣掉50分,但不重复扣本大项中其他小项的分数。交易审查部门应制定产品订单审核制度,并制定相应的操作规程。交易审查部门的人员应具有药品或相关专业本科学历,熟悉药品、医疗器械相关法律法规。2031-4企业应具备现场的客户服务能力,制定并遵守相应的客户服务流程规范和操作规范,建立相应的现场客户服务制度,配备现场客户服务人员、设备,并由专门人员指导、督促制度的执行。查看企业制定的客户服务管理制度及操作规范;查看企业的岗位设置描述,检查是否有负责现场客户服务的岗位及人员,是否配备能够满足对客户现场服务的办公设备,是否设置了监督电话,客户服务热线电话以及客户服务邮箱等。10验收标准一第3条缺少一项扣10分1-5企业应建立完善的客户资料管理体系,并能够随时汇总和提供完整准确的客户资料和信息备查,以及与之配套的场地、人员、设备。在交易系统中查看录入至系统的客户资料信息,并随机挑选若干个客户,要求与资料柜中所对应的客户纸质资料信息一致;查看企业的岗位设置描述,检查是否有负责客户资料管理的岗位及人员。10验收标准一第3条1-6**企业与其服务的客户之间,应制定明确的法律合同文书范本,范本中必须明确双方的权利义务以及违约责任,特别要明确由于网络...

1、当您付费下载文档后,您只拥有了使用权限,并不意味着购买了版权,文档只能用于自身使用,不得用于其他商业用途(如 [转卖]进行直接盈利或[编辑后售卖]进行间接盈利)。
2、本站所有内容均由合作方或网友上传,本站不对文档的完整性、权威性及其观点立场正确性做任何保证或承诺!文档内容仅供研究参考,付费前请自行鉴别。
3、如文档内容存在违规,或者侵犯商业秘密、侵犯著作权等,请点击“违规举报”。

碎片内容

互联网药品交易服务现场验收标准(实施细则)

书海行舟+ 关注
实名认证
内容提供者

热爱教学事业,对互联网知识分享很感兴趣

确认删除?
VIP
微信客服
  • 扫码咨询
会员Q群
  • 会员专属群点击这里加入QQ群
客服邮箱
回到顶部