电脑桌面
添加小米粒文库到电脑桌面
安装后可以在桌面快捷访问

4位共阳-共阴极-LED数码管VIP免费

4位共阳-共阴极-LED数码管_第1页
1/4
4位共阳-共阴极-LED数码管_第2页
2/4
4位共阳-共阴极-LED数码管_第3页
3/4
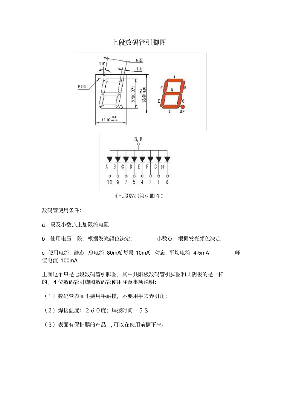
七段数码管引脚图《七段数码管引脚图》数码管使用条件:a、段及小数点上加限流电阻b、使用电压:段:根据发光颜色决定;小数点:根据发光颜色决定c、使用电流:静态:总电流80mA(每段10mA);动态:平均电流4-5mA峰值电流100mA上面这个只是七段数码管引脚图,其中共阳极数码管引脚图和共阴极的是一样的,4位数码管引脚图数码管使用注意事项说明:(1)数码管表面不要用手触摸,不要用手去弄引角;(2)焊接温度:260度;焊接时间:5S(3)表面有保护膜的产品,可以在使用前撕下来。++++++++++++++这类数码管可以分为共阳极与共阴极两种,共阳极就是把所有LED的阳极连接到共同接点com,而每个LED的阴极分别为a、b、c、d、e、f、g及dp(小数点);共阴极则是把所有LED的阴极连接到共同接点com,而每个LED的阳极分别为a、b、c、d、e、f、g及dp(小数点),如下图所示。图中的8个LED分别与上面那个图中的A~DP各段相对应,通过控制各个LED的亮灭来显示数字。那么,实际的数码管的引脚是怎样排列的呢?对于单个数码管来说,从它的正面看进去,左下角那个脚为1脚,以逆时针方向依次为1~10脚,左上角那个脚便是10脚了,上面两个图中的数字分别与这10个管脚一一对应。注意,3脚和8脚是连通的,这两个都是公共脚。还有一种比较常用的是四位数码管,内部的4个数码管共用a~dp这8根数据线,为人们的使用提供了方便,因为里面有4个数码管,所以它有4个公共端,加上a~dp,共有12个引脚,下面便是一个共阴的四位数码管的内部结构图(共阳的与之相反)。引脚排列依然是从左下角的那个脚(1脚)开始,以逆时针方向依次为1~12脚,下图中的数字与之一一对应。(点击图片放大)厂家直销哪个便宜买哪个数码管链接

1、当您付费下载文档后,您只拥有了使用权限,并不意味着购买了版权,文档只能用于自身使用,不得用于其他商业用途(如 [转卖]进行直接盈利或[编辑后售卖]进行间接盈利)。
2、本站所有内容均由合作方或网友上传,本站不对文档的完整性、权威性及其观点立场正确性做任何保证或承诺!文档内容仅供研究参考,付费前请自行鉴别。
3、如文档内容存在违规,或者侵犯商业秘密、侵犯著作权等,请点击“违规举报”。

碎片内容

4位共阳-共阴极-LED数码管

您可能关注的文档

确认删除?
VIP
微信客服
  • 扫码咨询
会员Q群
  • 会员专属群点击这里加入QQ群
客服邮箱
回到顶部