电脑桌面
添加小米粒文库到电脑桌面
安装后可以在桌面快捷访问

模具加工制作流程VIP免费

模具加工制作流程_第1页
1/8
模具加工制作流程_第2页
2/8
模具加工制作流程_第3页
3/8
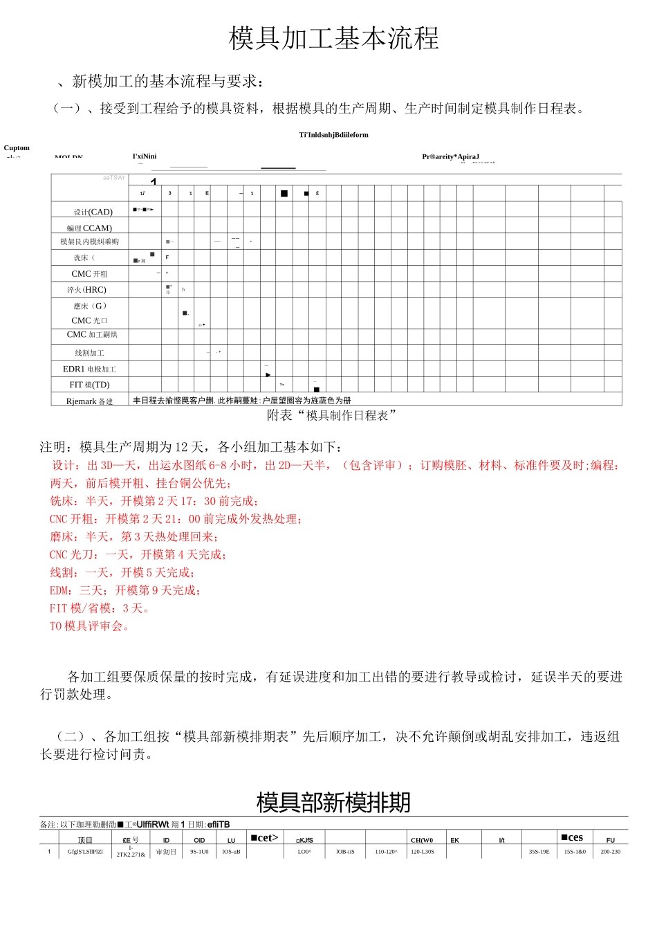
aaTSWr应毎11I31E-1■■£设计(CAD)■=-■=►蝙理CCAM)模架艮内模糾乘购■--—----・诜床(■■r耳FCMC开粗—*淬火(HRC)■*斗h應床(G)CMC光口■.»•CMC加工嗣烘线割加工-・*EDR1电极加工-►FIT模(TD)Ti■-■Rjemark备建丰日程去揄悭罠客户删.此柞嗣蔓鮭:户屋望圈容为旌蔬色为册模具加工基本流程、新模加工的基本流程与要求:(一)、接受到工程给予的模具资料,根据模具的生产周期、生产时间制定模具制作日程表。Ti'InldsnhjBdiileform附表“模具制作日程表”注明:模具生产周期为12天,各小组加工基本如下:设计:出3D—天,出运水图纸6-8小时,出2D—天半,(包含评审);订购模胚、材料、标准件要及时;编程:两天,前后模开粗、挂台铜公优先;铣床:半天,开模第2天17:30前完成;CNC开粗:开模第2天21:00前完成外发热处理;磨床:半天,第3天热处理回来;CNC光刀:一天,开模第4天完成;线割:一天,开模5天完成;EDM:三天;开模第9天完成;FIT模/省模:3天。TO模具评审会。各加工组要保质保量的按时完成,有延误进度和加工出错的要进行教导或检讨,延误半天的要进行罚款处理。(二)、各加工组按“模具部新模排期表”先后顺序加工,决不允许颠倒或胡乱安排加工,违返组长要进行检讨问责。模具部新模排期备注:以下珈理勒删劭■工®UlffiRWt翔1日期:efliTB顶目£E号IDOiDLU■cet>□KJfSCH(W0EKI/t■ces>FU1GfglS'LSllPlZlI-2TK2.271&5审沏日9S-1U0lOS-uBLO0^lOB-iiS110-120^120-L30S35S-19E15S-1&0200-230Cuptoma1*户:MOLDNI'xiNinie产Pr®areity*ApiraJ«皇:弼目耳號:2I-Z7636fli5S9日50]T=30^0ZL=[Hi99-1110IDa-ii日1E0-L30SmS-iiB期日-】5日耳15S-19Bida-1502QH-2303举培L&9L-CP1-27£d胡25日11B-120120-15g»iSH-LdHSUH-J5HP]&H-so0i&H-iTH21H-250Wtt:W:制件:附表“模具部新模排期表”模具工件时要分清安排加工的先后顺序。1.要按照试模先后顺序加工;2•改模要优先新模加工;3.前后模、行位要优先其它散件加工,要多个加工部门要优先其它单个和少加工部门加工;4.淬火的工件要优先不用淬火的工件加工;5.外发工件要优先不用外发的工件加工;6.遇到模具繁多,有的加工部门可能积压很多工件,有的部门机器待工件加工的现象,这时必须进行合理调整;7.安排钢料与铜公的加工互相配合,不能脱节;8.PMC对各加工组的每日加工能力及时互相调配。(三)、各加工组要根据“新模生产进度状况表”实际情况,主动跟进合理安排好机台加工。■■KM;号产国名呼■'-/'■HA呼眸航口T8BF■1®.㈣;7.:-:1■:用呼因■]讯HI^H?J:.M:■■■rjjvn盘W1Manaa•:EEK生产堆ut异竿席战:附表“新模生产进度状况表”模号:ZTO-2759工^®Eiifi绅利ttpclEfcAAnmGEISHAM4l时囘血僅掘牧A目“耐囘自科M11•CP-t-£州-打乳“-比*T213-L.-24ffli?E5Zm-c-ar-E-tM-r5厅刚■dMt-C-I-Bfl-FeLU(三)各加工组加工完要进行自检,并且要认真填写好“工件加工程序表”和“工件检查记录表”,然后把加工完的工件与填写好的“工件加工程序表”和“工件检查记录表”送到检测或下个加工组。送到下个加工部门,接受部门负责人在“工件转移登记表”签收。WORKPROCEDURELIST工作程序表CUSTOMER;FOTKATEs客户试模日处MOLDNdPREPAREEYs摸号:安排者=DET.NO;DATEISSUED:号:日期:DESCRIPTION:MATERIAL:樓件喀就:QUANKTY:MATESIZE:数量:材料尺寸:REMARKS:WORKCENTER:ir备注:...

1、当您付费下载文档后,您只拥有了使用权限,并不意味着购买了版权,文档只能用于自身使用,不得用于其他商业用途(如 [转卖]进行直接盈利或[编辑后售卖]进行间接盈利)。
2、本站所有内容均由合作方或网友上传,本站不对文档的完整性、权威性及其观点立场正确性做任何保证或承诺!文档内容仅供研究参考,付费前请自行鉴别。
3、如文档内容存在违规,或者侵犯商业秘密、侵犯著作权等,请点击“违规举报”。

碎片内容

模具加工制作流程

确认删除?
VIP
微信客服
  • 扫码咨询
会员Q群
  • 会员专属群点击这里加入QQ群
客服邮箱
回到顶部