电脑桌面
添加小米粒文库到电脑桌面
安装后可以在桌面快捷访问

磷酸盐型燃料电池VIP免费

磷酸盐型燃料电池_第1页
1/5
磷酸盐型燃料电池_第2页
2/5
磷酸盐型燃料电池_第3页
3/5
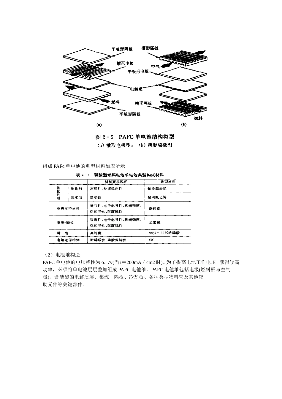
磷酸盐型燃料电池1、原理1.1电极反应磷酸型照料电他(PAFC)以磷酸为电解质,具有耐转化燃料气及空气中的CO2,能力。因此,与低温型AFC(燃料气中不允许含CO2和CO)及SPFC(燃料气中不允许含CO)相比,PAFC更能适应各种工作环境。磷酸在水溶液中易解离出氢离子(H3PO4—H+十H2PO4-),它能将阳极(燃料极)反应中生成的氢离子传输至阴极(空气极)。阳极:H2—2H++2e-阴极:1/2O2+2H++2e-—H2O1.2三相电极作用原理磷酸型燃料电他的工作条件有以下几个方面:(1)工作温度PAFC的工作温度为453—483K。选择这一温度范围的依据是磷酸的蒸汽压、讨料的耐腐蚀性能、电催化剂的耐co能力及电池特性。研究表明,提7哥工作温度能使PAFc电池推效串更高。(2)工作压力PAFC的工作压力为常压至零点几兆铂。通常,对于小容量电他采用常压操作。对于大容量PAPc电他堰,多采用加压操作。与低压操作时情况相灶;、PAPC电他堰在较高压力下运行时,反应速率加快、发电效率提高。对于加压操作曲PAFc系统,工作废力一般设定在o.7一o.8MPa。(3)冷却方式包括水冷却式、空气冷却式与绝缘油冷却3种方式。(4)燃料利用率P观的燃料利用率为70%一80%。所谓燃料利用率指的是在燃料电他内部转化为电能的氢气量与燃料中所含的氢气量之比。(5)氧化剂利用率PAFl:的氧化剂利用率为50%一60%。以空气作氧化剂为例,空气中氧含量约为21%,50%一60%的氧化剂利用率指的是空气中的氧有50%一60%在燃料电池内被消耗掉。(6)反应气组成典型的转化燃料气中约含80%Hz、20%c02以及少量CH4、C()与硫化物。磷酸型燃料电池的特点与熔融碳酸盐燃料电池(MCFC)与固体氧化物燃料电池(SOFC)相比,PAPC具有以下优缺点。。(1)优点磷酸型燃料电池的优点是:能在低温下发电,而且稳定性良好;余热利用中获得的水可宜接作为人们日常生活用热水;起动时间短。(2)缺点磷酸型燃料电他的缺点是:电催化剂必须采用贵金届;苦燃料气中co含量过高,电催化剂将会被co毒化而失去催化活性。2、系统的基本构造PAFC系统主要由电池本体、燃料转化装置、逆变器及控制系统等部分组成。2.1电池本体(1)单电池构造根据电极与隔板的结构形式,PAFc单电池分为槽形电极型与槽形隔板型。组成PAFc单电他的典型材料如表组成PAFc单电他的典型材料如表所示(2)电池堆构造PAFC单电他的电压特性为o.7v(当i=200mA/cm2时)。为了提高电池工作电压,获得较高功率,必须将单电池层层叠加组成PAFC电他维。PAFC电他堆包括电极(燃料极与空气极)、含磷酸的电解质层、集流—隔板、冷却板、各种类型物料管及其他辐助元件等关键部件。表2-2PAFc系统中常用冷却方式比较2.2燃料转化装置燃料转化过程包括脱琉、催化转化与一氧化碳变换3个反应过程(如图2—9)。这3个过程的作用、反应式、操作条件及其催化剂比较如表2—4所示。2.3电池系统运行特性燃料电池的效率仅与单电池拍出电压有关。降低电流密度能有效地提高燃料电池效率。但是,降低电流密度将使燃料电池投资费用增大。在实际操作中,PAFc的电流密度一般控制在150一350赃A/cm2。常压操作时,单电他的输出电压约为700一600mv,按这种基准计算,燃料电池效率约为40%一47%(HW)或48%一部%(LI于V)。影响电池系统运行特性因素有工作温度、工作压力、反应物浓度、电池的内阻和燃料无中杂质。在PAFC运行过程中,电解质层磷酸浓度也是一个非常重要的参数。

1、当您付费下载文档后,您只拥有了使用权限,并不意味着购买了版权,文档只能用于自身使用,不得用于其他商业用途(如 [转卖]进行直接盈利或[编辑后售卖]进行间接盈利)。
2、本站所有内容均由合作方或网友上传,本站不对文档的完整性、权威性及其观点立场正确性做任何保证或承诺!文档内容仅供研究参考,付费前请自行鉴别。
3、如文档内容存在违规,或者侵犯商业秘密、侵犯著作权等,请点击“违规举报”。

碎片内容

磷酸盐型燃料电池

文泉书屋+ 关注
实名认证
内容提供者

热爱教学事业,对互联网知识分享很感兴趣

相关文档

确认删除?
VIP
微信客服
  • 扫码咨询
会员Q群
  • 会员专属群点击这里加入QQ群
客服邮箱
回到顶部