电脑桌面
添加小米粒文库到电脑桌面
安装后可以在桌面快捷访问

模_数变换_ADC_集成电路MST9883简介_上_VIP免费

模_数变换_ADC_集成电路MST9883简介_上__第1页
1/3
模_数变换_ADC_集成电路MST9883简介_上__第2页
2/3
模_数变换_ADC_集成电路MST9883简介_上__第3页
3/3
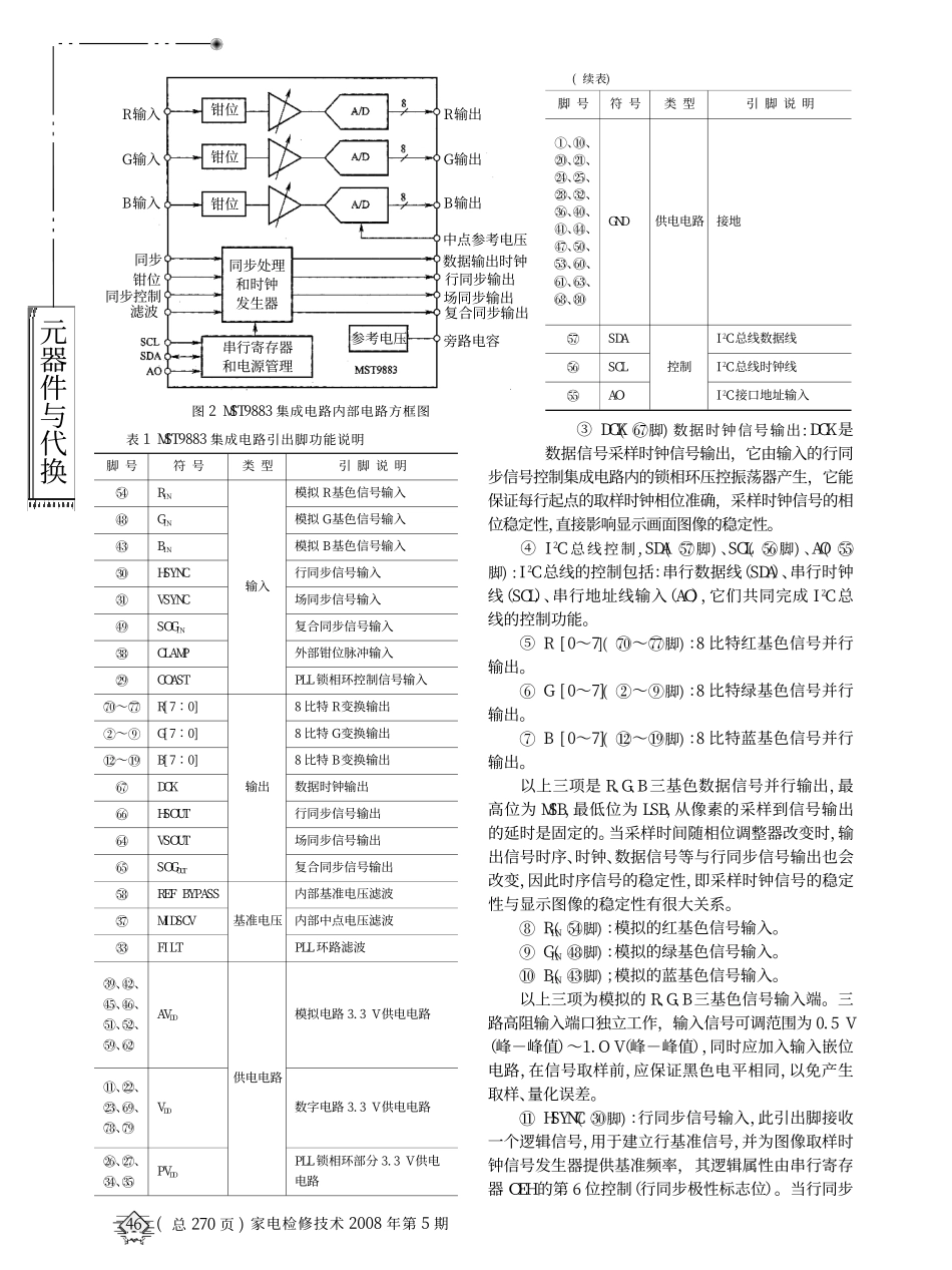
家电检修技术2008年第5期()元器件与代换效应制成的摄像管称为光电导型摄像管。根据其光电导材料的不同,它可分为很多种类,如:硫化锑管、硒砷锑管等。利用光电效应制成的摄像管称为移像型摄像管,超正析像管等就属于这一类。此外,还有用于夜视的摄像管,管子上带有像增强器,因而灵敏度很高。!MST9883集成电路是MSTAR公司专为平板显示器前端接口设计的模/数变换电路。采用80个脚LQFP封装结构,单一+3.3V直流供电,内置3通道8比特110MHz采样频率的ADC电路,并具有:同步信号处理电路、时钟信号发生器电路、I2C总线接口电路等功能电路。数字视频输出接口支持4∶4∶4RGB/YUV格式或4∶2∶2YUV标准数字视频编码格式。其主要特点有:(1)模/数变换器的取样频率在12~140MHz之间可选;(2)压控振荡器的取样时钟频率与行同步信号锁相,保证每行取样点与行同步信号保持一定的相位关系,取样点位置精确;(3)归一化的定时脉冲发生器(压控振荡器)可以保证电路各部分工作协调、稳定;(4)可以提供精确的基准参考电压,保证取样电平稳定、可靠;(5)兼容VGA到SXVGA的RGB字符/图形信号。图1为MST9883集成电路外形图。图2为MST9883集成电路的内部电路方框图。表1给出了其引出脚功能说明。图3(图见下期)是MST9883集成电路在TCL王牌PDP4226H/42U3H彩色电视机的典型应用图。下面分别介绍MST9883集成电路某些特殊引出脚的功能。!"HSOUT(#$%脚)行同步信号输出:行同步信号用来确定水平方向每行图像的显示起点,它由前端!"#脚输入的行同步信号直通得到,或者由集成电路内部同步信号处理电路,从复合同步信号或G(绿基色)信号中,经同步分离电路分离产生,其输出极性由I2C总线控制的寄存器控制。&’VSOUT(()*脚)场同步信号输出:场同步信号用来确定垂直方向每场(帧)图像的显示起点,同样它也由前端$%&脚输入的场同步信号直通得到,或者由集成电路内部同步信号处理电路,从复合同步信号或G信号中,经场同步分离电路产生,其输出极性由I2C总线的寄存器控制。模/数变换(ADC)集成电路MST9883简介(上)"何强图1MST9883集成电路外形图45总269页家电检修技术2008年第5期()元器件与代换③DCK(!"#脚)数据时钟信号输出:DCK是数据信号采样时钟信号输出,它由输入的行同步信号控制集成电路内的锁相环压控振荡器产生,它能保证每行起点的取样时钟相位准确,采样时钟信号的相位稳定性,直接影响显示画面图像的稳定性。④I2C总线控制,SDA($%&脚)、SCL(’()脚)、AO(*+,脚):I2C总线的控制包括:串行数据线(SDA)、串行时钟线(SCL)、串行地址线输入(AO),它们共同完成I2C总线的控制功能。⑤R[0~7](-./~012脚):8比特红基色信号并行输出。34G[0~7](56~78脚):8比特绿基色信号并行输出。9:B[0~7](;<=~>?@脚):8比特蓝基色信号并行输出。以上三项是R、G、B三基色数据信号并行输出,最高位为MSB,最低位为LSB,从像素的采样到信号输出的延时是固定的。当采样时间随相位调整器改变时,输出信号时序、时钟、数据信号等与行同步信号输出也会改变,因此时序信号的稳定性,即采样时钟信号的稳定性与显示图像的稳定性有很大关系。ABRIN(CDE脚):模拟的红基色信号输入。FGGIN(HIJ脚):模拟的绿基色信号输入。KLMBIN(NOP脚);模拟的蓝基色信号输入。以上三项为模拟的R、G、B三基色信号输入端。三路高阻输入端口独立工作,输入信号可调范围为0.5V(峰-峰值)~1.OV(峰-峰值),同时应加入输入嵌位电路,在信号取样前,应保证黑色电平相同,以免产生取样、量化误差。QRSHSYNC(TUV脚):行同步信号输入,此引出脚接收一个逻辑信号,用于建立行基准信号,并为图像取样时钟信号发生器提供基准频率,其逻辑属性由串行寄存器OEH的第6位控制(行同步极性标志位)。当行同步R输入钳位钳位钳位同步处理和时钟发生器串行寄存器和电源管理参考电压G输入B输入同步同步控制钳位滤波R输出G输出B输出中点参考电压数据输出时钟行同步输出场同步输出复合同步输出旁路电容图2MST9883集成电路内部电路方框图表1MST9883集成电路引出脚功能说明!"#GIN$%&BIN’()HSYNC*+,VSYNC-./SOGIN012CLAMP345COAST678~9:;R[7∶0]<=~>?G[7∶0]...

1、当您付费下载文档后,您只拥有了使用权限,并不意味着购买了版权,文档只能用于自身使用,不得用于其他商业用途(如 [转卖]进行直接盈利或[编辑后售卖]进行间接盈利)。
2、本站所有内容均由合作方或网友上传,本站不对文档的完整性、权威性及其观点立场正确性做任何保证或承诺!文档内容仅供研究参考,付费前请自行鉴别。
3、如文档内容存在违规,或者侵犯商业秘密、侵犯著作权等,请点击“违规举报”。

碎片内容

模_数变换_ADC_集成电路MST9883简介_上_

确认删除?
VIP
微信客服
  • 扫码咨询
会员Q群
  • 会员专属群点击这里加入QQ群
客服邮箱
回到顶部