电脑桌面
添加小米粒文库到电脑桌面
安装后可以在桌面快捷访问

JL-A019月付款报审表VIP免费

JL-A019月付款报审表_第1页
1/18
JL-A019月付款报审表_第2页
2/18
JL-A019月付款报审表_第3页
3/18
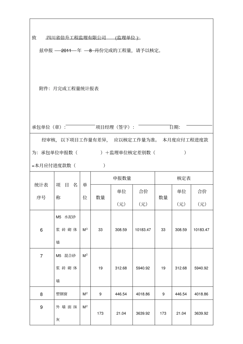
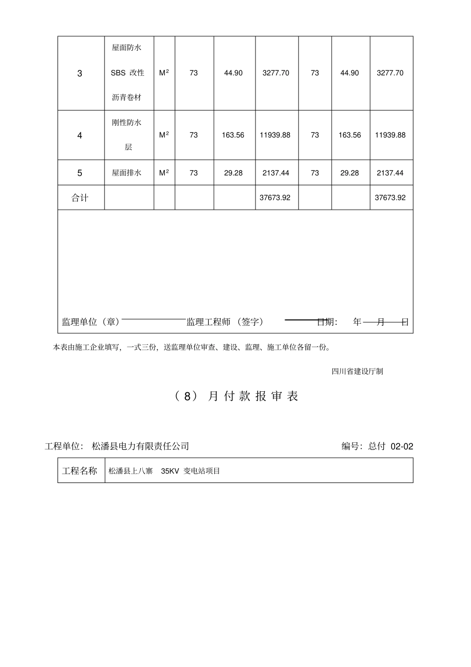
JL-A019(8)月付款报审表工程单位:松潘县电力有限责任公司编号:总付02-01工程名称松潘县上八寨35KV变电站项目致四川省倍升工程监理有限公司(监理单位):兹申报2011年8月份完成的工程量,请予以核定。附件:月完成工程量统计报表承包单位(章):项目经理(签字):日期:经审核,以下项目工作量有差异,应以核定工作量为准。本月度应付工程进度款为:承包单位申报数()+监理单位核定差别数()=本月应付进度款数()统计表序号项目名称单位申报数量核定表数量单位(元)合价(元)数量单位(元)合价(元)1屋面梁板M3171001.3517022.95171001.3517022.952屋面保温M27345.153295.957345.153295.953屋面防水SBS改性沥青卷材M27344.903277.707344.903277.704刚性防水层M273163.5611939.8873163.5611939.885屋面排水M27329.282137.447329.282137.44合计37673.9237673.92监理单位(章)监理工程师(签字)日期:年月日本表由施工企业填写,一式三份,送监理单位审查、建设、监理、施工单位各留一份。四川省建设厅制(8)月付款报审表工程单位:松潘县电力有限责任公司编号:总付02-02工程名称松潘县上八寨35KV变电站项目致四川省倍升工程监理有限公司(监理单位):兹申报2011年8月份完成的工程量,请予以核定。附件:月完成工程量统计报表承包单位(章):项目经理(签字):日期:经审核,以下项目工作量有差异,应以核定工作量为准。本月度应付工程进度款为:承包单位申报数()+监理单位核定差别数()=本月应付进度款数()统计表序号项目名称单位申报数量核定表数量单位(元)合价(元)数量单位(元)合价(元)6M5水泥砂浆砖砌体墙M333308.5910183.4733308.5910183.477M5混合砂浆砖砌体墙M219312.685940.9219312.685940.928塑钢窗M29446.544018.869446.544018.869外墙面抹灰M217321.043639.9217321.043639.9210内墙面抹灰M223328.286589.2423328.286589.24合计30372.4130372.41监理单位(章)监理工程师(签字)日期:年月日本表由施工企业填写,一式三份,送监理单位审查、建设、监理、施工单位各留一份。四川省建设厅制(8)月付款报审表工程单位:松潘县电力有限责任公司编号:总付02-03工程名称松潘县上八寨35KV变电站项目致四川省倍升工程监理有限公司(监理单位):兹申报2011年8月份完成的工程量,请予以核定。附件:月完成工程量统计报表承包单位(章):项目经理(签字):日期:经审核,以下项目工作量有差异,应以核定工作量为准。本月度应付工程进度款为:承包单位申报数()+监理单位核定差别数()=本月应付进度款数()统计表序号项目名称单位申报数量核定表数量单位(元)合价(元)数量单位(元)合价(元)11C25砼框架柱M2101088.0310880.30101088.0310880.3012C20砼柱梁M341035.894143.5641035.894143.5613C15砼零星M32938.651877.302938.651877.3014钢筋用量调整t25664.6411329.2825664.6411329.2815钢丝网M26335.222218.866335.222218.86小计30449.330449.3监理单位(章)监理工程师(签字)日期:年月日本表由施工企业填写,一式三份,送监理单位审查、建设、监理、施工单位各留一份。四川省建设厅制(8)月付款报审表工程单位:松潘县电力有限责任公司编号:总付02-04工程名称松潘县上八寨35KV变电站项目致四川省倍升工程监理有限公司(监理单位):兹申报2011年8月份完成的工程量,请予以核定。附件:月完成工程量统计报表承包单位(章):项目经理(签字):日期:经审核,以下项目工作量有差异,应以核定工作量为准。本月度应付工程进度款为:承包单位申报数()+监理单位核定差别数()=本月应付进度款数()统计表序号项目名称单位申报数量核定表数量单位(元)合价(元)数量单位(元)合价(元)16基础土方施工M3638.56539.28638.56539.2817土方运输M3607.44446.40607.44446.4018条形基础C25M38733.285866.248733.285866.2419钢筋砼墙M3141147.4016063.60141147.4016063.6020内外抹灰M29523.002185.009523.002185.00小计25100.5225100.52监理单位(章)监理工程师(签字)日期:年月日本表由施工企业填写,一式三份,送监理单位审查、建设、监理、...

1、当您付费下载文档后,您只拥有了使用权限,并不意味着购买了版权,文档只能用于自身使用,不得用于其他商业用途(如 [转卖]进行直接盈利或[编辑后售卖]进行间接盈利)。
2、本站所有内容均由合作方或网友上传,本站不对文档的完整性、权威性及其观点立场正确性做任何保证或承诺!文档内容仅供研究参考,付费前请自行鉴别。
3、如文档内容存在违规,或者侵犯商业秘密、侵犯著作权等,请点击“违规举报”。

碎片内容

JL-A019月付款报审表

您可能关注的文档

确认删除?
VIP
微信客服
  • 扫码咨询
会员Q群
  • 会员专属群点击这里加入QQ群
客服邮箱
回到顶部