电脑桌面
添加小米粒文库到电脑桌面
安装后可以在桌面快捷访问

真空断路器安装作业指导书VIP免费

真空断路器安装作业指导书_第1页
1/5
真空断路器安装作业指导书_第2页
2/5
真空断路器安装作业指导书_第3页
3/5
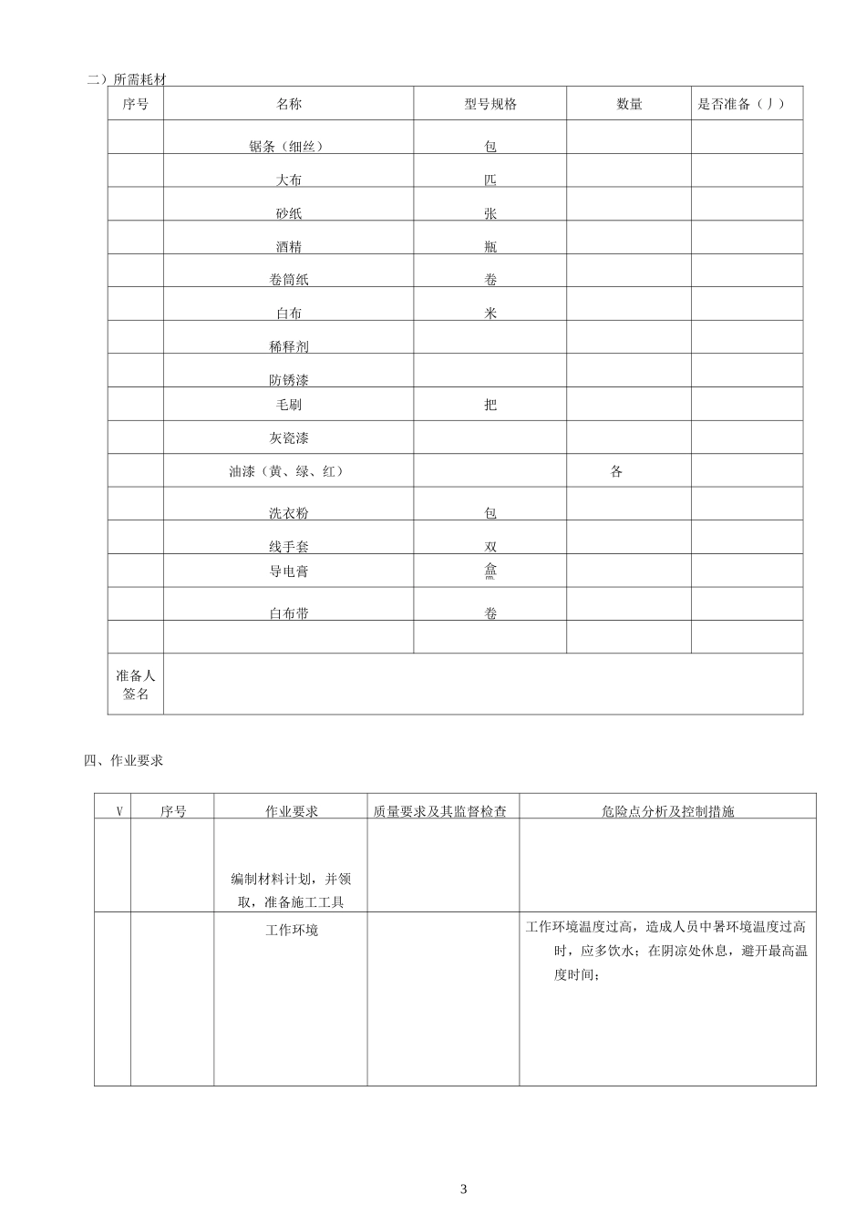
1高压开关柜断路器安装作业指导书一、基本条件工作任务开关柜安装作业指导书编号••工作条件室外无雨,风力级工种变电检修设备类型开关柜低压开关柜工作组成员及分工作业人员共人不含高压试验和继电保护人员,工作负责人监护人人,起重工、电气焊工各人,开关本体安装人员人,机构及配合检修人员人,工作人员必须经培训合格,持证上岗作业人员职责工作负责监护人职责:办理工作票,组织并合理分配工作,进行安全教育,督促、监护工作人员遵守安全规程,检查工作票所记安全措施是否正确完备,安全措施是否符合现场实际条件。一般情况下,工作前对工作人员交代安全事项,对整个工程的安全、技术等负责。工作结束后总结经验与不足之处,工作负责监护人不得兼做其他工作。工作班成员:认真努力学习本作业指导书,严格遵守、执行安全规程和现场“安全措施卡”,互相关心施工安全标准作业时间个工作人员天内完成综合工日个制订依据•—《电力建设安全工作规程》变电所部分—《电业安全工作规程》发电厂和变电所电气部分—《电气装置安装工程高压电器施工及验收规范》二、开关柜安装、调试网络图2三、所需工具、器材(一)工器具及设备序号名称型号规格数量是否准备(丿)开口扳手把梅花扳手把开口扳手把梅花扳手把开口扳手把梅花扳手把开口扳手把梅花扳手把开口扳手把梅花扳手把管钳把大螺丝刀把钢卷尺把长梯个台钳台电焊机台切割机台台钻台专用工具断路器专用套开关特性仪台回路电阻测试仪台万用表块配电箱个电源线X米准备人签名3二)所需耗材序号名称型号规格数量是否准备(丿)锯条(细丝)包大布匹砂纸张酒精瓶卷筒纸卷白布米稀释剂防锈漆毛刷把灰瓷漆油漆(黄、绿、红)各洗衣粉包线手套双导电膏盒rm.白布带卷准备人签名四、作业要求V序号作业要求质量要求及其监督检查危险点分析及控制措施编制材料计划,并领取,准备施工工具工作环境工作环境温度过高,造成人员中暑环境温度过高时,应多饮水;在阴凉处休息,避开最高温度时间;4五、作业步骤序号完成(V)作业程序质量要求及其监督检查危险点分析及控制措施负责人签名安装人员签名安装前准备工作班成员进入工作现场应戴安全帽,按规定着装。服从命令听指挥,不准在现场打闹,不准超越遮栏进入运行设备区工作开始前,工作负责人及时召开班前会,对该项工作的安全措施、组织措施、技术措施向工作班成员交底,做到每个工作班成员心中有数。拆卸的木板钉器扎伤人员拆卸后的木板钉器放置在不响施工、保证人员安全的位置开箱检查附件检查装箱单所装零部件是否齐全开箱检查,全部部件应完整、无损瓷件部分没有外观损伤开箱时注意工器具的使用,避免对部件的伤害记录各部件铭牌参数检查各部分产品说明书、合格证,保证其资料的完整开关柜安装施工准备:()技术准备开工前现场工作人员应认真学习本措施和电业安全规程有关部分及开关柜安装使用说明书作业现场情况核查的不全面()布置作业前,必须核对图纸,勘查现场,彻底查明可能向作业地点反送电的所有电源,并应断开其断路器、隔离开关()对大型作业等较为复杂的施工项目,有关人员必须在施工前深入到现场,对现场周围的带电部位、大型施工器械的行走路线和工作位置以及对施工构成障碍的物体等核查清楚,以便确定可行的施工方案,查明作业中的不安全因素,制定可靠的安全防范措施()组织准备()安装前应组织有关人员到现场了解设备及基础情况,对重要施工项目制定具体方案,落实施工设备布置场所等()各班组工区的分工,合理编制各班组的施工进度()物资准备()各班组按工作任务准备相应的材料、工具。准备好材料并妥善存放()参照本措施和工程实际情况准备好工器具,检查其状态、性能,保证其处于良好的工作状态;工器具放置整齐有序;工具的发放由专人负责,并做好记录安装前的检查()安装前应检查真空室有无破裂()产品铭牌、合格证是否与订货相符工作不协调()几人同时进行工作时,需互相呼应,协同动作()几人同时进行工作,又呼应困难时,应设专人指挥,并明确指挥方式5续表序号完成(V)作业程序质量要求及其监督检查危险点分析及控制措施负责人签名安装人员签名安装调整真空断路器上下分支母线铜...

1、当您付费下载文档后,您只拥有了使用权限,并不意味着购买了版权,文档只能用于自身使用,不得用于其他商业用途(如 [转卖]进行直接盈利或[编辑后售卖]进行间接盈利)。
2、本站所有内容均由合作方或网友上传,本站不对文档的完整性、权威性及其观点立场正确性做任何保证或承诺!文档内容仅供研究参考,付费前请自行鉴别。
3、如文档内容存在违规,或者侵犯商业秘密、侵犯著作权等,请点击“违规举报”。

碎片内容

真空断路器安装作业指导书

您可能关注的文档

wxg+ 关注
实名认证
内容提供者

该用户很懒,什么也没介绍

确认删除?
VIP
微信客服
  • 扫码咨询
会员Q群
  • 会员专属群点击这里加入QQ群
客服邮箱
回到顶部