电脑桌面
添加小米粒文库到电脑桌面
安装后可以在桌面快捷访问

最全汽车吊性能参数表8-500吨VIP专享VIP免费

最全汽车吊性能参数表8-500吨_第1页
1/31
最全汽车吊性能参数表8-500吨_第2页
2/31
最全汽车吊性能参数表8-500吨_第3页
3/31
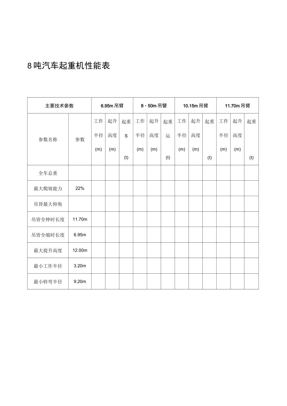
8-500吨汽车吊性能参数表8吨汽车起重机性能表错误!未定义书签。20吨汽车吊机额定性能表错误!未定义书签。25吨汽车起重机起重性能表(主臂)错误!未定义书签。30吨汽车起重机性能表(一)错误!未定义书签。50吨汽车起重机性能表(主表)错误!未定义书签。80吨汽车起重机起重性能表(一)错误!未定义书签。100t汽车吊性能表错误!未定义书签。120吨汽车起重机起重性能表错误!未定义书签。150吨汽车起重机性能表(一)错误!未定义书签。150吨汽车起重机性能表(二)错误!未定义书签。160t汽车吊性能表错误!未定义书签。200吨汽车吊车错误!未定义书签。260吨吊车性能表错误!未定义书签。LTM1300/1-300t全液压汽车吊机错误!未定义书签。LTM1500-500t全液压汽车吊机错误!未定义书签。LTM1500-500t全液压汽车吊机错误!未定义书签。8吨汽车起重机性能表主要技术參数6.95m吊臂8・50m吊譬10.15m吊臂11.70m吊臂参数名称参数工作半径(m)起升高度(m)起重S(t)工作半径(m)起升高度(m)起重运(t)工作半径(m)起升高度(m)起重(t)工作半径(m)起升高度(m)起重(t)全车总重最大爬坡能力22%吊皆最大仰角吊皆全伸时长度11.70m吊皆全缩时长度6.95m最大提升高度12.00m最小工作半径3.20m最小转弯半径9.20m20吨汽车吊机额定性能表以下工况仅供参考,实际请与本公司业务员联系!回转半径(m)主皆长度(m)主皆+付皆+201010995425吨汽车起重机起重性能表(主臂)以下工况仅供参考,实际请与本公司业务员联系!工作半径(m)吊骨长度“(32541857671177107885976106124143316182022112426282930(注:本表内红字及红字以上栏目的数字为吊臂强度所决定,其下面栏目数字为倾翻力矩决定)25吨汽车起近机起萱性能表(副臂)主臂主角副臂副皆倾角5度副皆倾角30度80度75度70度65度60度55度50度30吨汽车起重机性能表(一)以下工况仅供参考,实际请与本公司业务员联系!主要技术參数主骨起■性能工作半径(m)支腿全伸不用支腿名称参数10.00m17.00m24.00m31.00m10.00m全车总重最大爬坡能力31%最大提升高度34.00m吊皆全伸时长度31.00m吊皆全缩时长度10.00m最小转弯半径11.50m最大仰角80°30t吊钩重12t吊钩重4t吊钩重10m吊皆时钢丝绳数8根10-17m时钢丝绳数5根24m时钢丝绳数4根31m时钢丝绳数3根(注:本表内红字及红字以上栏目的数字为吊皆强度所决定,其下面栏目数字为倾翻力矩决定)30吨汽车起重机性能表(二)吊皆角度工作半径使用8.45m副皆倾角5。吊皆角度工作半径使用13.5m副臂倾角5°80°80°077°78°76°76°74°74°72°72°70°70°68°68°66°66°64°64°62°62°60°60°58°58°55°55°54°54°52°52°50°50°48°48°注:1、若副皆在工作位置,但仍用主皆吊装,主臂的起重性能应相应的减去2、使用副皆吊装时,主皆的角度不得大于45,否则将倾翻50吨汽车起重机性能表(主表)以下工况仅供参考,实际请与本公司业务员联系!不支第五支腿,吊臂位于起重机前方或后方;支起第五支腿,吊住位于侧方、后方、前方工作半径(m)主皆长度(m)各皆二0100100100100伸缩三003366100率四003366100(%)五003366100钢丝绳倍率128543吊钩重虽(注:本表内红字及红字以上栏目的数字为吊皆强度所决定•其下面栏目数字为倾翻力矩决定)50吨汽车起重机性能表(副臂)吊宵位于起■机侧方或后方主臂仰角(°)吊臂长度(m)+主皆+副皆+主皆+副皆+主皆+副皆0。20。0。20°0°20°78757270656055各节二100臂伸缩率四(%)〒钢丝绳倍率1吊钩重呈80吨汽车起重机起重性能表(~)以下工况仅供参考,实际请与本公司业务员联系!主住起■性能哀工作半径(m)吊皆长度(支腿全伸)吊皆长度(不伸支腿)12.0m18.Om24.0m30.Om36.Om40.0m44.Om12.0m80吨汽车起重机起重性能表(二)主要技术参数副臂起重性能主皆仰角支腿全伸在两侧或后部吊装名称参数44m主臂+9・5(n副皆5。夹角44m主皆+15m副皆5。夹角工作半径(m)起重性能(t)工作半径(m)起重性能(t)全车总重O主皆全伸时长度44.00mO主皆全缩时长度12.00mO最大仰角82°O最大爬坡能力16%O最小转弯半径%O最大提升高度58.50mO80t主吊钩重1tO80t辅助吊钩重O6t副吊钩重Oloot汽车吊性能表in()T汽车吊车徃能表Parjiuim!Iffl令伸們力和...

1、当您付费下载文档后,您只拥有了使用权限,并不意味着购买了版权,文档只能用于自身使用,不得用于其他商业用途(如 [转卖]进行直接盈利或[编辑后售卖]进行间接盈利)。
2、本站所有内容均由合作方或网友上传,本站不对文档的完整性、权威性及其观点立场正确性做任何保证或承诺!文档内容仅供研究参考,付费前请自行鉴别。
3、如文档内容存在违规,或者侵犯商业秘密、侵犯著作权等,请点击“违规举报”。

碎片内容

最全汽车吊性能参数表8-500吨

确认删除?
VIP
微信客服
  • 扫码咨询
会员Q群
  • 会员专属群点击这里加入QQ群
客服邮箱
回到顶部