电脑桌面
添加小米粒文库到电脑桌面
安装后可以在桌面快捷访问

微动开关规格书VIP免费

微动开关规格书_第1页
1/5
微动开关规格书_第2页
2/5
微动开关规格书_第3页
3/5
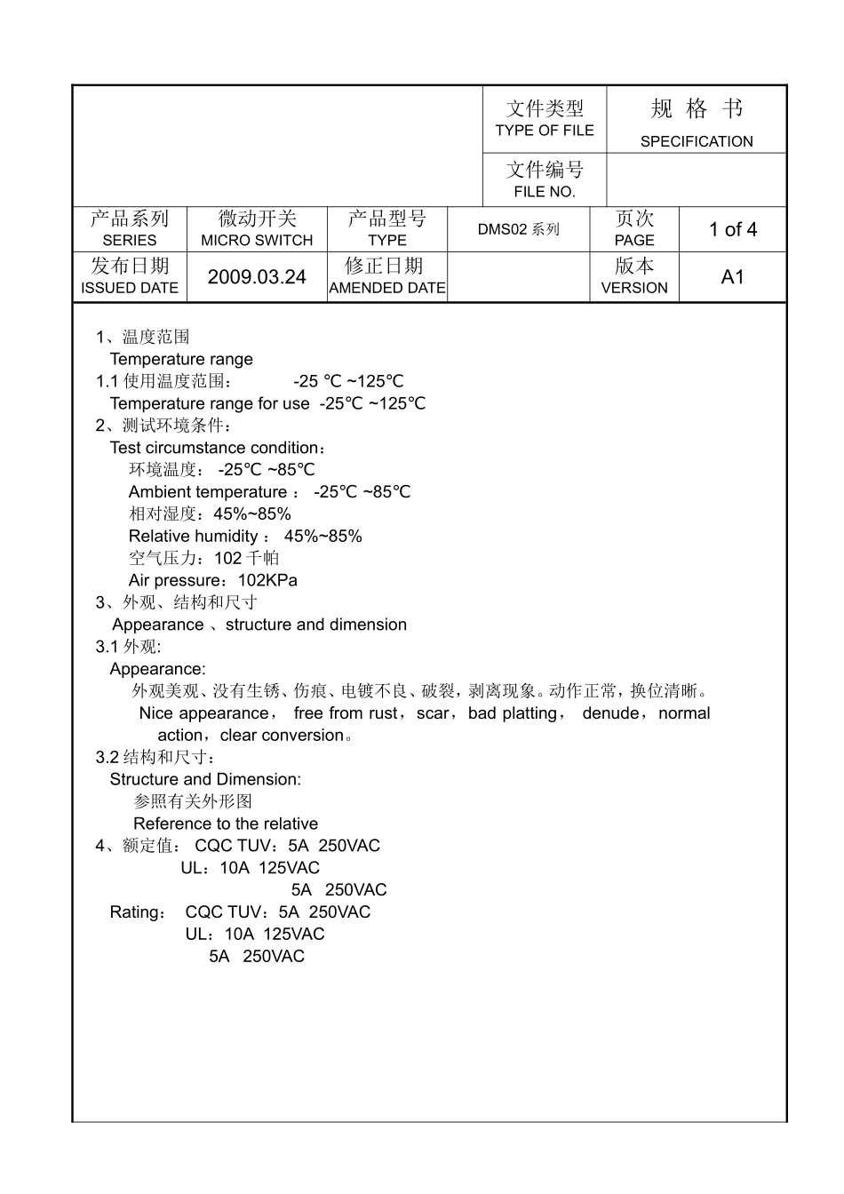
文件类型TYPEOFFILE规格书SPECIFICATION文件编号FILENO.产品系列SERIES微动开关MICROSWITCH产品型号TYPEDMS02系列页次PAGE1of4发布日期ISSUEDDATE2009.03.24修正日期AMENDEDDATE版本VERSIONA11、温度范围Temperaturerange1.1使用温度范围:-25℃~125℃Temperaturerangeforuse-25℃~125℃2、测试环境条件:Testcircumstancecondition:环境温度:-25℃~85℃Ambienttemperature:-25℃~85℃相对湿度:45%~85%Relativehumidity:45%~85%空气压力:102千帕Airpressure:102KPa3、外观、结构和尺寸Appearance、structureanddimension3.1外观:Appearance:外观美观、没有生锈、伤痕、电镀不良、破裂,剥离现象。动作正常,换位清晰。Niceappearance,freefromrust,scar,badplatting,denude,normalaction,clearconversion。3.2结构和尺寸:StructureandDimension:参照有关外形图Referencetotherelative4、额定值:CQCTUV:5A250VACUL:10A125VAC5A250VACRating:CQCTUV:5A250VACUL:10A125VAC5A250VAC文件类型TYPEOFFILE规格书SPECIFICATION文件编号FILENO.产品系列SERIES微动开关MICROSWITCH产品型号TYPEDMS02系列页次PAGE2of4发布日期ISSUEDDATE2009.03.24修正日期AMENDEDDATE版本VERSIONA1项目Item测试条件TestCondition规格Performance5、机械性能MechanicalPerformance5.1动作力OperatingForce开关垂直于操作方向放置,在按钮一侧逐渐施力,测量开关导通所需的最大力度。Verticalplacingtheswitchwiththedirectionofswitchoperation,thengraduallyincreasingtheforce,measuredemandedmaximumforcethatswitchcontinuity.0.6±0.2N5.2端子强度Terminalstrength在端子的顶部施加一向内推的25N静负荷,持续60秒。Enforcepush-inwardstatic25Nloadonthetopofterminal,lasting60seconds端子无损伤,脱落,开关功能动作正常。Nodamage,leafing,switchfunctionactionisnormal.5.3可焊性试验Solder-Ability将端子浸入熔融的锡槽内,温度为235±5℃,时间为3±0.5秒。Immersetheterminaltothemoltensoldertank,temperaturereachto235±5℃,timereachto3±0.5seconds浸入的部分90%以上表面被锡覆盖。90%ofthesurfacewillbecoveredbysolder.5.4耐焊性试验Solderingresistancetest端子的焊接部分浸入温度为260±5℃熔融的锡炉内3±0.5秒。Theweldingpartofterminalimmersemoltensolderatatemperatureof260±5℃for3±0.5seconds.本体无变形,能满足于机械、电气性能Withoutdeformationofbase,cansatisfymechanical,electronicperformance.手工烙铁焊接:焊接温度350±5℃,焊接时间3±0.5秒。焊接时在端子上不能施加异常压力。Manualironwelding:weldingtemperature:350±5℃,weldingtime:3±0.5seconds.Whenwelding,can’tenforceanomalypressureontheterminal.文件类型TYPEOFFILE规格书SPECIFICATION文件编号FILENO.产品系列SERIES微动开关MICROSWITCH产品型号TYPEDMS02系列页次PAGE3of4发布日期ISSUEDDATE2009.03.24修正日期AMENDEDDATE版本VERSIONA1项目Item测试条件TestCondition规格Performance5.5动作位置见成图OP=11.8+1.5/-0mm6、电气性能ElectronicPerformance6.1接触电阻Contactresistance在1KHz小电流下测量。Beingmeasuredat1KHzsmallcurrent.50毫欧姆以下50mΩMAX.6.2绝缘电阻Insulationresistance在端子之间和端子与外壳之间施加DC500V,一分钟后测量。MeasurementshallbemadeenforcingDC500Vbetweenterminalsandbetweenterminalsandframefor1minute.100兆欧姆以上100MΩMIN.6.3耐电压Withstandvoltage在极与极之间施加AC1000V,0.5mA1分钟,在极与操动轴之间施加AC1500V,0.5mA1分钟。EnforceAC1000V,0.5mAbetweenpoleandpolein1minute,enforceAC1500V,0.5mAbetweenpoleandframein1minute.无击穿现象出现。Nobreakdown.7、耐久性能Durability7.1机械寿命Mechanicallife每分钟30次的速度连续工作5E4次Operating5E4cyclesatarateof30cyclesperminute外观,动作功能正常7.2电气寿命Electricallife额定负载条件下,每分钟30次的速度操作≥1E4次.Operating≥1E4cyclesatarateof30c...

1、当您付费下载文档后,您只拥有了使用权限,并不意味着购买了版权,文档只能用于自身使用,不得用于其他商业用途(如 [转卖]进行直接盈利或[编辑后售卖]进行间接盈利)。
2、本站所有内容均由合作方或网友上传,本站不对文档的完整性、权威性及其观点立场正确性做任何保证或承诺!文档内容仅供研究参考,付费前请自行鉴别。
3、如文档内容存在违规,或者侵犯商业秘密、侵犯著作权等,请点击“违规举报”。

碎片内容

微动开关规格书

确认删除?
VIP
微信客服
  • 扫码咨询
会员Q群
  • 会员专属群点击这里加入QQ群
客服邮箱
回到顶部