电脑桌面
添加小米粒文库到电脑桌面
安装后可以在桌面快捷访问

物质的鉴别专题复习VIP免费

物质的鉴别专题复习_第1页
1/4
物质的鉴别专题复习_第2页
2/4
物质的鉴别专题复习_第3页
3/4
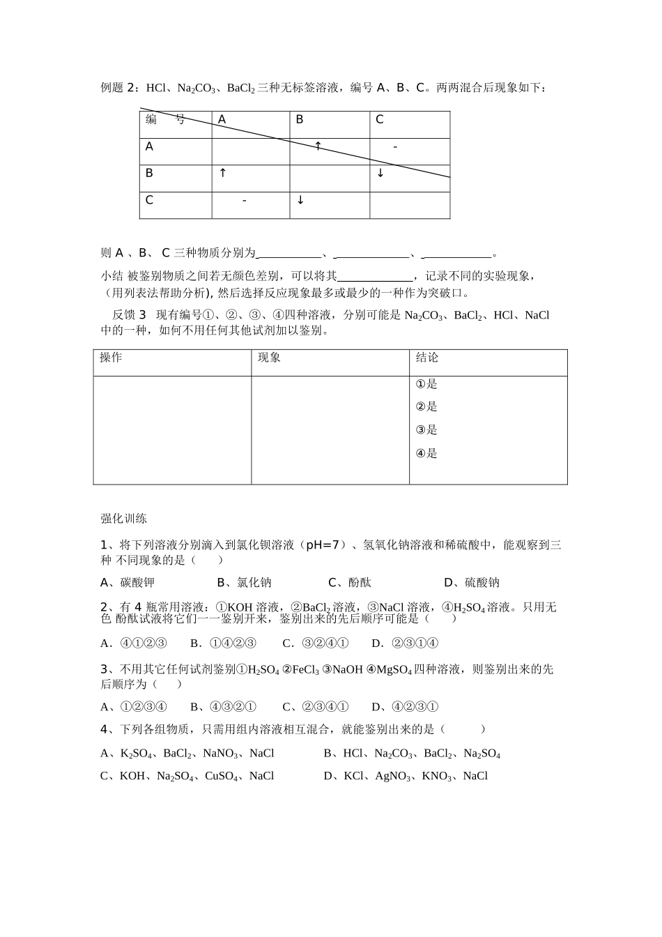
1/4物质的鉴别小结1、取样编号。专题复习——物质的鉴别2、思考:一般先考虑物质的物理性质(如颜色、溶解性等),再考虑其化学性质。3、正确选择试剂和操作方法当用一种试剂鉴别几种物质时,一般用到酸碱指示剂、水、酸溶液、碱溶液、碳酸盐溶液等;当不用任何试剂时,先尝试用物理方法(看颜色、闻气味),再用两两混合的方法。4、叙述要求:取样编号——操作——现象——结论★了解物质鉴别的常见类型(一)——不限试剂和方法的鉴别例题:桌面上现有编号为A、B的两瓶无色液体,其中一瓶是食盐,一瓶是纯碱。想想看,我们能用哪些方法鉴别它们呢?方法越多越好。(除尝味道外其它合理方法均可)操作现象结论A为B为小结不限试剂和方法的鉴别,可以从个别物质的性质出发,选择相应的试剂,但不应出现相同或相近的现象,如碳酸钠可以考虑通过滴加、溶液、溶液或溶液等不同类型的试剂进行检测。反馈1实验室有两瓶失去标签的溶液,经过初步判断,它们是饱和食盐水和硝酸钾溶液,下列哪些方法可以将它们鉴别出来。(填写编号)A、取样,分别蒸发,先析出晶体的是饱和食盐水,后析出晶体的是硝酸钾溶液B、取样,分别滴入硝酸银溶液,变浑浊的是饱和食盐水,无明显变化的是硝酸钾溶液C、取样,分别滴入酚酞,使酚酞变红的是饱和食盐水,不能使酚酞变红的是硝酸钾溶液D、取样,分别加入少量食盐,不能溶解的是饱和食盐水,还能继续溶解的是硝酸钾溶液E、取样,分别做焰色反应,火焰呈黄色的是饱和食盐水,透过蓝色的钴玻璃片观察,火焰呈紫色的是硝酸钾溶液★了解物质鉴别的常见类型(二)————外加一种试剂的鉴别例题1:每组限用一种试剂一次性鉴别以下组内物质(1)Na2SO4、H2SO4、NaOH三种无色溶液(2)CaCO3、NaOH、CuSO4三种白色固体(3)BaCl2、Na2SO4、Na2CO3三种无色溶液小结采用一种试剂一次性鉴别不同物质时,可以从以下几个方面考虑:(1)物质间有明显的酸碱性差异时用鉴别(2)物质间有明显的溶解度、颜色、吸放热差异时,用加的方法鉴别(3)被鉴别物质中含有碳酸盐时,可以考虑加入产生气泡例题2:只提供无色酚酞试液一种试剂,你能鉴别出NaOH、H2SO4、NaCl三种无色溶液吗?操作现象结论小结采用一种试剂分步鉴别不同物质时,可以先利用给定的试剂找出其中的一种,再利用相互反应产生明显不同的现象依次分辨出余下的几种。反馈2只提供硫酸铜溶液一种试剂、你能鉴别出NaOH、H2SO4、NaCl三种无色溶液吗?操作现象结论★了解物质鉴别的常见类型(二)——不借助外来试剂的鉴别例题:1:怎样鉴别Na2SO4、BaCl2、NaOH、CuSO4四瓶溶液?操作现象结论小结根据被鉴别物质不同先鉴别出一种物质,然后用这种物质去鉴别其他物质。例题2:HCl、Na2CO3、BaCl2三种无标签溶液,编号A、B、C。两两混合后现象如下:编号ABCA↑-B↑↓C-↓则A、B、C三种物质分别为、、。小结被鉴别物质之间若无颜色差别,可以将其,记录不同的实验现象,(用列表法帮助分析),然后选择反应现象最多或最少的一种作为突破口。反馈3现有编号①、②、③、④四种溶液,分别可能是Na2CO3、BaCl2、HCl、NaCl中的一种,如何不用任何其他试剂加以鉴别。操作现象结论①是②是③是④是强化训练1、将下列溶液分别滴入到氯化钡溶液(pH=7)、氢氧化钠溶液和稀硫酸中,能观察到三种不同现象的是()A、碳酸钾B、氯化钠C、酚酞D、硫酸钠2、有4瓶常用溶液:①KOH溶液,②BaCl2溶液,③NaCl溶液,④H2SO4溶液。只用无色酚酞试液将它们一一鉴别开来,鉴别出来的先后顺序可能是()A.④①②③B.①④②③C.③②④①D.②③①④3、不用其它任何试剂鉴别①H2SO4②FeCl3③NaOH④MgSO4四种溶液,则鉴别出来的先后顺序为()A、①②③④B、④③②①C、②③④①D、④②③①4、下列各组物质,只需用组内溶液相互混合,就能鉴别出来的是()A、K2SO4、BaCl2、NaNO3、NaClB、HCl、Na2CO3、BaCl2、Na2SO4C、KOH、Na2SO4、CuSO4、NaClD、KCl、AgNO3、KNO3、NaCl5、有A、B、C、D四种溶液分别是K2CO3溶液、H2SO4溶液、Ba(NO3)2溶液、KNO3溶液中的一种,两两混合现象为:A+B——有气体;B+C——有沉淀;A+D——无明显现象。则A、B、C、D。6、实验...

1、当您付费下载文档后,您只拥有了使用权限,并不意味着购买了版权,文档只能用于自身使用,不得用于其他商业用途(如 [转卖]进行直接盈利或[编辑后售卖]进行间接盈利)。
2、本站所有内容均由合作方或网友上传,本站不对文档的完整性、权威性及其观点立场正确性做任何保证或承诺!文档内容仅供研究参考,付费前请自行鉴别。
3、如文档内容存在违规,或者侵犯商业秘密、侵犯著作权等,请点击“违规举报”。

碎片内容

物质的鉴别专题复习

您可能关注的文档

精华资料店+ 关注
实名认证
内容提供者

大量教育教学资料

确认删除?
VIP
微信客服
  • 扫码咨询
会员Q群
  • 会员专属群点击这里加入QQ群
客服邮箱
回到顶部