电脑桌面
添加小米粒文库到电脑桌面
安装后可以在桌面快捷访问

高中物理 第5章 习题课 4 变压器的应用学案 新人教版选修3-2-新人教版高二选修3-2物理学案VIP专享VIP免费

高中物理 第5章 习题课 4 变压器的应用学案 新人教版选修3-2-新人教版高二选修3-2物理学案_第1页
1/6
高中物理 第5章 习题课 4 变压器的应用学案 新人教版选修3-2-新人教版高二选修3-2物理学案_第2页
2/6
高中物理 第5章 习题课 4 变压器的应用学案 新人教版选修3-2-新人教版高二选修3-2物理学案_第3页
3/6
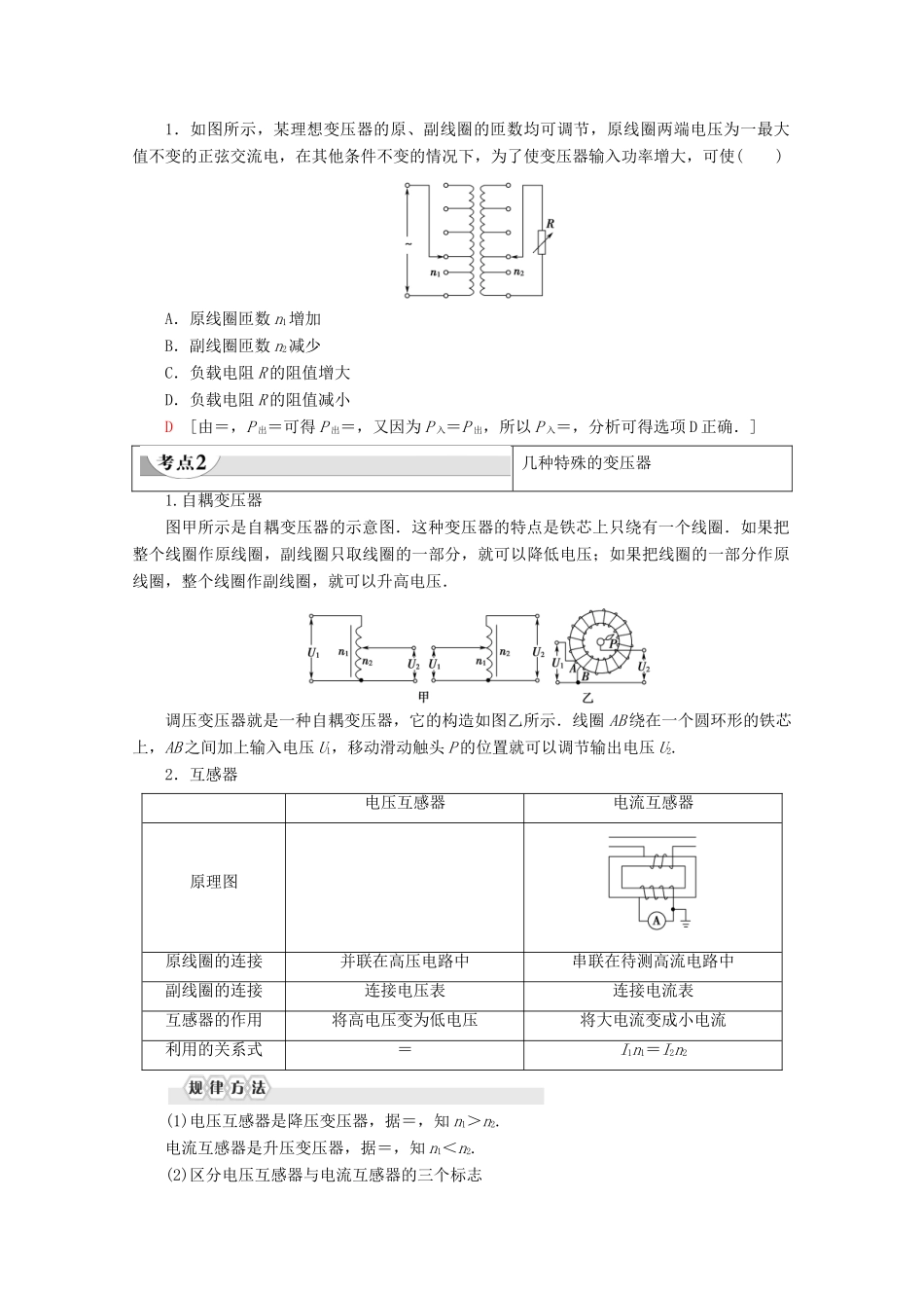
习题课4变压器的应用[学习目标]1.会分析变压器的动态变化问题,掌握解答此类问题的思路.2.理解自耦变压器和互感器的原理.3.掌握变压器的原理,会解答具有多个副线圈的变压器问题.理想变压器的动态变化问题1.变压器的动态电路分析一是要符合变压器的基本规律(电压、电流、功率关系);二是要遵循欧姆定律.首先确定是哪些量在变,哪些量不变,然后根据相应的规律判断,具体问题具体分析.2.需要注意的几点(1)负载增多,不等于电阻变大.并联的负载增多对应用电器增多,消耗功率增大,其总电阻减小.(2)负载发生变化时,电流和电压如何变化的判断:先要由=判断U2是否变化,再根据U2及负载电阻变大或变小的情况,由欧姆定律确定线圈中的电流I2的变化情况,最后再由P入=P出判断原线圈中电流的变化情况.3.动态问题的分析思路可表示为【例1】理想变压器的原线圈连接电流表,副线圈接入电路的匝数可以通过触头Q调节,在副线圈输出端连接了定值电阻R0和滑动变阻器R,在原线圈上加一电压为U的交流电,如图所示.下列情况可能出现的是()A.若Q位置不变,将P向上滑动,U′变大B.若Q位置不变,将P向上滑动,电流表的读数变大C.若P位置不变,将Q向上滑动,电流表的读数变大D.若P位置不变,将Q向上滑动,变压器的输入功率不变C[当理想变压器的输入电压U,以及原、副线圈的匝数比不变时,副线圈两端的电压也不变,A项错误;由P出=知R增大时,输出功率减小,又由P入=P出得原线圈中的电流表读数要减小,B项错误;Q向上滑动时,U′增大,而负载电阻不变,则输出功率要增大,即输入功率也要增大,原线圈中的电流就要增大,C项正确,D项错误.]处理这类问题的关键是要分清变量与不变量,弄清理想变压器中各量间的联系和制约关系.在理想变压器中,U2由U1和匝数比决定;I2由U2和负载电阻决定;I1由I2和匝数比决定.1.如图所示,某理想变压器的原、副线圈的匝数均可调节,原线圈两端电压为一最大值不变的正弦交流电,在其他条件不变的情况下,为了使变压器输入功率增大,可使()A.原线圈匝数n1增加B.副线圈匝数n2减少C.负载电阻R的阻值增大D.负载电阻R的阻值减小D[由=,P出=可得P出=,又因为P入=P出,所以P入=,分析可得选项D正确.]几种特殊的变压器1.自耦变压器图甲所示是自耦变压器的示意图.这种变压器的特点是铁芯上只绕有一个线圈.如果把整个线圈作原线圈,副线圈只取线圈的一部分,就可以降低电压;如果把线圈的一部分作原线圈,整个线圈作副线圈,就可以升高电压.调压变压器就是一种自耦变压器,它的构造如图乙所示.线圈AB绕在一个圆环形的铁芯上,AB之间加上输入电压U1,移动滑动触头P的位置就可以调节输出电压U2.2.互感器电压互感器电流互感器原理图原线圈的连接并联在高压电路中串联在待测高流电路中副线圈的连接连接电压表连接电流表互感器的作用将高电压变为低电压将大电流变成小电流利用的关系式=I1n1=I2n2(1)电压互感器是降压变压器,据=,知n1>n2.电流互感器是升压变压器,据=,知n1<n2.(2)区分电压互感器与电流互感器的三个标志①测量仪器不同,前者后者;②原、副线圈匝数关系不同;③原线圈接线方式不同,前者接在火线和零线间,后者接在火线上.(3)使用互感器时,一定要将互感器的外壳和副线圈接地.【例2】如图所示,L1和L2是高压输电线,甲、乙是两只互感器,若已知n1∶n2=1000∶1,n3∶n4=1∶100,图中电压表示数为220V,电流表示数为10A,则高压输电线的送电功率为()A.2.2×103WB.2.2×10-2WC.2.2×108WD.2.2×104WC[根据题图甲可得,高压输电线的送电电压U=U甲=220kV;根据题图乙可得,送电电流I=I乙=1000A;所以高压输电线的送电功率P=UI=220kV×1000A=2.2×108W,C正确.]【例3】调压变压器就是一种自耦变压器,它的构造如图甲所示.线圈AB绕在一个圆环形的铁芯上,C、D之间输入交变电压,转动滑动触头P就可以调节输出电压.图甲中两电表均为理想交流电表,R1、R2为定值电阻,R3为滑动变阻器.现在C、D两端输入图乙所示正弦式交流电,变压器视为理想变压器,那么()A.由乙图可知C、D两端输入交流电压u的表达式为u=36sin100t(V)B...

1、当您付费下载文档后,您只拥有了使用权限,并不意味着购买了版权,文档只能用于自身使用,不得用于其他商业用途(如 [转卖]进行直接盈利或[编辑后售卖]进行间接盈利)。
2、本站所有内容均由合作方或网友上传,本站不对文档的完整性、权威性及其观点立场正确性做任何保证或承诺!文档内容仅供研究参考,付费前请自行鉴别。
3、如文档内容存在违规,或者侵犯商业秘密、侵犯著作权等,请点击“违规举报”。

碎片内容

高中物理 第5章 习题课 4 变压器的应用学案 新人教版选修3-2-新人教版高二选修3-2物理学案

确认删除?
VIP
微信客服
  • 扫码咨询
会员Q群
  • 会员专属群点击这里加入QQ群
客服邮箱
回到顶部