电脑桌面
添加小米粒文库到电脑桌面
安装后可以在桌面快捷访问

中式烹调师初级工技能操作试题001VIP免费

中式烹调师初级工技能操作试题001_第1页
1/8
中式烹调师初级工技能操作试题001_第2页
2/8
中式烹调师初级工技能操作试题001_第3页
3/8
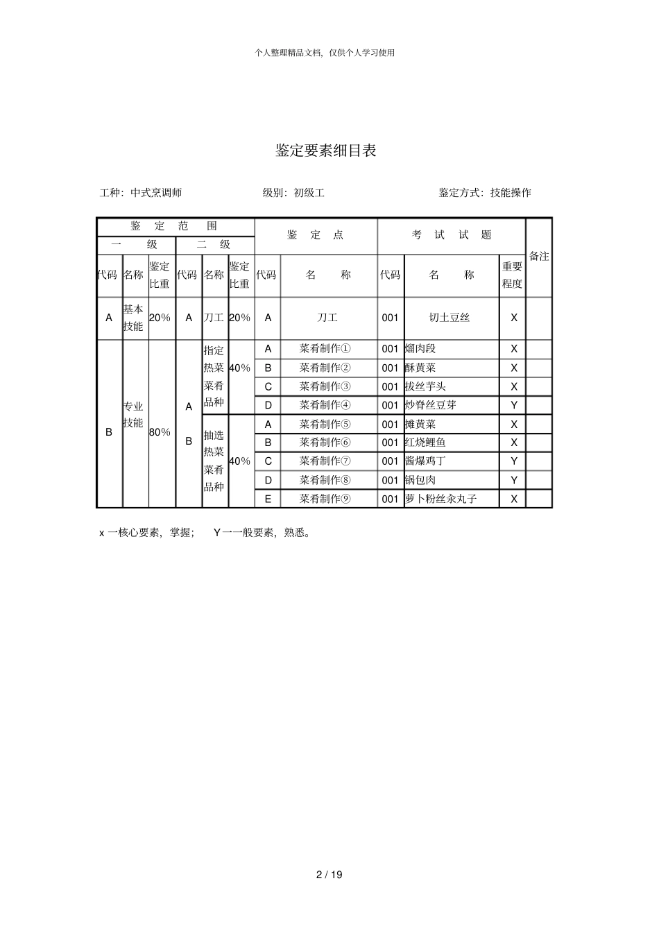
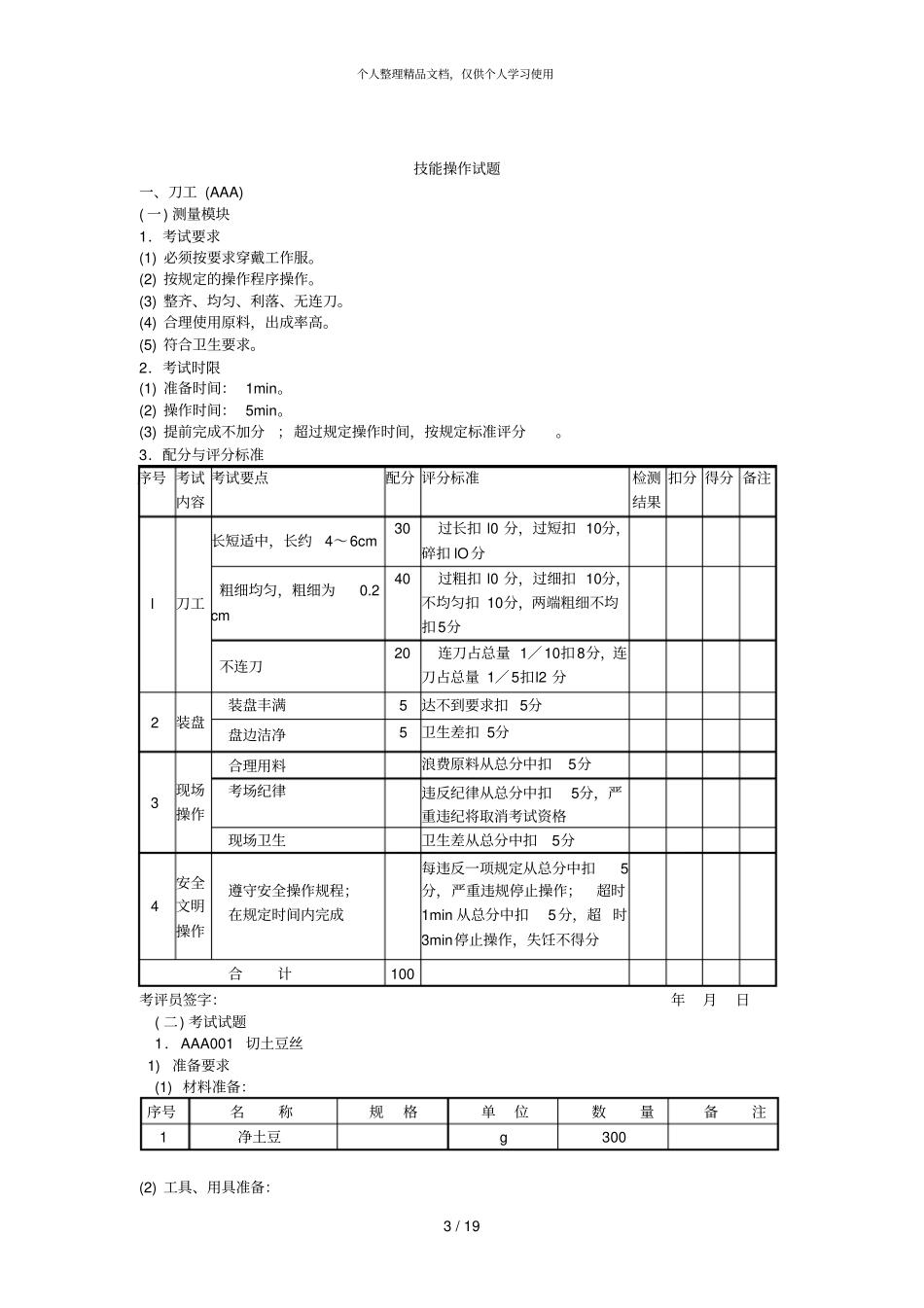
个人整理精品文档,仅供个人学习使用1/19中式烹调师初级工技能操作试题考试内容层次结构表技能操作综合能力时间时间基本技能专业技能刀工雕刻技术冷菜拼摆热菜设计与培训论文与答辩合计指定品种抽选品种自选品种筵席制作初级工20分5min一项400分25min一项40分25min一项100分55min中级工60分50min二项40分25min一项100分75min高级工2055min一项40分50min二项20分25min一项20分20min100分150min技师10分10min一项15分90min15分80min25分25min一项20分25min一项15分40min100分270min高级技师60分180min15分30min25分20min100分230min内容项目级别个人整理精品文档,仅供个人学习使用2/19鉴定要素细目表工种:中式烹调师级别:初级工鉴定方式:技能操作鉴定范围鉴定点考试试题备注一级二级代码名称鉴定比重代码名称鉴定比重代码名称代码名称重要程度A基本技能20%A刀工20%A刀工001切土豆丝XB专业技能80%AB指定热菜菜肴品种40%A菜肴制作①001熘肉段XB菜肴制作②001酥黄菜XC菜肴制作③001拔丝芋头XD菜肴制作④001炒脊丝豆芽Y抽选热菜菜肴品种40%A菜肴制作⑤001摊黄菜XB莱肴制作⑥001红烧鲤鱼XC菜肴制作⑦001酱爆鸡丁YD菜肴制作⑧001锅包肉YE菜肴制作⑨001萝卜粉丝汆丸子Xx一核心要素,掌握;Y一一般要素,熟悉。个人整理精品文档,仅供个人学习使用3/19技能操作试题一、刀工(AAA)(一)测量模块1.考试要求(1)必须按要求穿戴工作服。(2)按规定的操作程序操作。(3)整齐、均匀、利落、无连刀。(4)合理使用原料,出成率高。(5)符合卫生要求。2.考试时限(1)准备时间:1min。(2)操作时间:5min。(3)提前完成不加分;超过规定操作时间,按规定标准评分。3.配分与评分标准序号考试内容考试要点配分评分标准检测结果扣分得分备注l刀工长短适中,长约4~6cm30过长扣l0分,过短扣10分,碎扣lO分粗细均匀,粗细为0.2cm40过粗扣l0分,过细扣10分,不均匀扣10分,两端粗细不均扣5分不连刀20连刀占总量1/10扣8分,连刀占总量1/5扣l2分2装盘装盘丰满5达不到要求扣5分盘边洁净5卫生差扣5分3现场操作合理用料浪费原料从总分中扣5分考场纪律违反纪律从总分中扣5分,严重违纪将取消考试资格现场卫生卫生差从总分中扣5分4安全文明操作遵守安全操作规程;在规定时间内完成每违反一项规定从总分中扣5分,严重违规停止操作;超时1min从总分中扣5分,超时3min停止操作,失饪不得分合计100考评员签字:年月日(二)考试试题1.AAA001切土豆丝1)准备要求(1)材料准备:序号名称规格单位数量备注1净土豆g300(2)工具、用具准备:个人整理精品文档,仅供个人学习使用4/19序号名称规格单位数量备注l刀把l2盆24寸个13盘8寸块l★刀具由考生自备(3)考场准备:菜墩1个,操作台1个。2)操作考试规定说明(1)操作程序说明:①将土豆去皮,洗净。②将土豆均匀切成片,再均匀切成所需的丝。③将切好的土豆丝用清水冲洗干净装盘即可。(2)考试规定说明:①操作过程中如出现技术违章行为或切伤、烫伤等伤情严重者,将停止考试。②考试采用百分制,考试项目得分按组卷比例进行折算。(3)考试方式说明:该项目为实际操作试题,全过程操作按标准进行评分。3)考试时限同测量模块。4)配分与评分标准同测量模块。二、菜肴制作①(BAA)(一)测量模块1.考试要求(1)必须按要求穿戴工作服。(2)选用常见原料。(3)要突出刀工和基本的烹调方法。(4)色、香、味、形、质、养俱佳。(5)符合卫生要求。2.考试时限(1)准备时间:1min。(2)操作时间:25min。(3)提前完成不加分;超过规定操作时间,按规定标准评分。3.配分与评分标准序号考试内容考试要点配分评分标准检测结果扣分得分备注l色泽色泽为金黄色10色泽过重或过轻扣l0分口味成鲜5口味不准扣5分2调味口味适中10口味过轻或过重扣l0分无异味3有异味扣3分3形状主料为段7主料不是段扣7分4刀工段长短相等5段长短不均匀扣5分5火候火候适中5火候掌不准扣5分不过火、不欠火10过火或欠火扣l0分无焦煳5炸焦煳扣5分6浆糊糊均匀5糊不均匀扣5分个人整理精品文档,仅供个人学习使用5/19不脱糊5脱糊扣5分外焦里嫩10达不到要求扣l0分7芡汁油量合适5油大扣5分芡汁紧包原料7不符合要求扣7分8装盘装盘丰满4不符合要...

1、当您付费下载文档后,您只拥有了使用权限,并不意味着购买了版权,文档只能用于自身使用,不得用于其他商业用途(如 [转卖]进行直接盈利或[编辑后售卖]进行间接盈利)。
2、本站所有内容均由合作方或网友上传,本站不对文档的完整性、权威性及其观点立场正确性做任何保证或承诺!文档内容仅供研究参考,付费前请自行鉴别。
3、如文档内容存在违规,或者侵犯商业秘密、侵犯著作权等,请点击“违规举报”。

碎片内容

中式烹调师初级工技能操作试题001

确认删除?
VIP
微信客服
  • 扫码咨询
会员Q群
  • 会员专属群点击这里加入QQ群
客服邮箱
回到顶部