电脑桌面
添加小米粒文库到电脑桌面
安装后可以在桌面快捷访问

游标卡尺与螺旋测微器的读数VIP免费

游标卡尺与螺旋测微器的读数_第1页
1/5
游标卡尺与螺旋测微器的读数_第2页
2/5
游标卡尺与螺旋测微器的读数_第3页
3/5
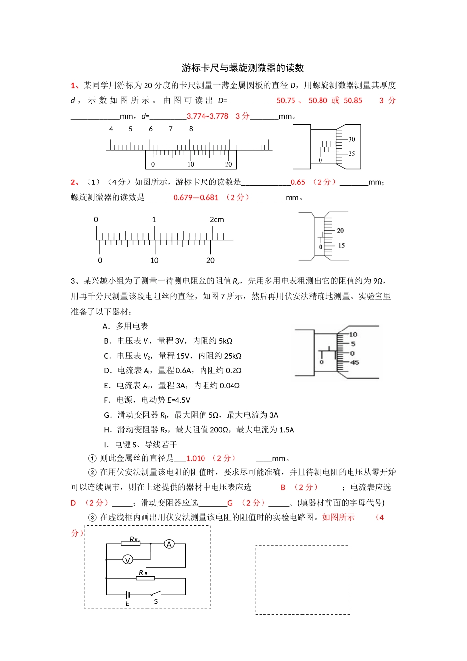
游标卡尺与螺旋测微器的读数1、某同学用游标为20分度的卡尺测量一薄金属圆板的直径D,用螺旋测微器测量其厚度d,示数如图所示。由图可读出D=____________50.75、50.80或50.853分____________mm,d=_________3.774~3.7783分_______mm。2、(1)(4分)如图所示,游标卡尺的读数是____________0.65(2分)_______mm;螺旋测微器的读数是_______0.679—0.681(2分)________mm。3、某兴趣小组为了测量一待测电阻丝的阻值Rx,先用多用电表粗测出它的阻值约为9Ω,用再千分尺测量该段电阻丝的直径,如图7所示,然后再用伏安法精确地测量。实验室里准备了以下器材:A.多用电表B.电压表Vl,量程3V,内阻约5kΩC.电压表V2,量程15V,内阻约25kΩD.电流表Al,量程0.6A,内阻约0.2ΩE.电流表A2,量程3A,内阻约0.04ΩF.电源,电动势E=4.5VG.滑动变阻器Rl,最大阻值5Ω,最大电流为3AH.滑动变阻器R2,最大阻值200Ω,最大电流为1.5AI.电键S、导线若干①则此金属丝的直径是___1.010(2分)____mm。②在用伏安法测量该电阻的阻值时,要求尽可能准确,并且待测电阻的电压从零开始可以连续调节,则在上述提供的器材中电压表应选B(2分);电流表应选D(2分);滑动变阻器应选G(2分)。(填器材前面的字母代号)③在虚线框内画出用伏安法测量该电阻的阻值时的实验电路图。如图所示(4分)45678201002cm10SERxxVRA4、有一根细长而均匀的金属管线样品,长约为60cm,电阻大约为6Ω。横截面如图8所示。①用螺旋测微器测量金属管线的外径,示数如图9所示,金属管线的外径为_________mm;1.125±0.001②现有如下器材A.电流表(量程0.6A,内阻约0.1Ω)B.电流表(量程3A,内阻约0.03Ω)C.电压表(量程3V,内阻约3kΩ)D.滑动变阻器(1750Ω,0.3A)E.滑动变阻器(15Ω,3A)F.蓄电池(6V,内阻很小)G.开关一个,带夹子的导线若干要进一步精确测量金属管线样品的阻值,电流表应选A,滑动变阻器应选E。(只填代号字母)。③请将图10所示的实际测量电路补充完整。④已知金属管线样品材料的电阻率为,通过多次测量得出金属管线的电阻为R,金属管线的外径为d,要想求得金属管线内形状不规则的中空部分的截面积S,在前面实验的基础上,还需要测量的物理量是管线长度L。计算中空部分截面积的表达式为S=。5、某同学要测量一均匀新材料制成的圆柱体的电阻率ρ。步骤如下:①用游标为20分度的卡尺测量其长度如图,由图可知其长度为50.15mm;②用螺旋测微器测量其直径如右上图,由图可知其直径为4.700mm;③用多用电表的电阻“×10”挡,按正确的操作步骤测此圆柱体的电阻,表盘的示数如图,则该电阻的阻值约为220Ω。mm0201010d图8图9图10答图115252005④该同学想用伏安法更精确地测量其电阻R,现有的器材及其代号和规格如下:待测圆柱体电阻R电流表A1(量程0~4mA,内阻约50Ω)电流表A2(量程0~10mA,内阻约30Ω)电压表V1(量程0~3V,内阻约10kΩ)电压表V2(量程0~15V,内阻约25kΩ)直流电源E(电动势4V,内阻不计)滑动变阻器R1(阻值范围0~15Ω,允许通过的最大电流2.0A)滑动变阻器R2(阻值范围0~2kΩ,允许通过的最大电流0.5A)开关S导线若干为使实验误差较小,要求测得多组数据进行分析,请在右框中画出测量的电路图,并标明所用器材的代号。⑤若该同学用伏安法跟用多用电表测量得到的R测量值几乎相等,由此可估算此圆柱体材料的电阻率约为ρ=27.610Ω·m。(保留2位有效数字)6、读出下图给出的螺旋测微器和游标卡尺的示数,螺旋测微器的示数为_______________mm,游标卡尺A的示数________________cm,游标卡尺B的示数为cm。答案:6.1254.1201.0957、图中;游标卡尺的示数是mm。螺旋测微器的示数是mm。答案:(1)7.2(1分)8.695(1分)8、如图甲所示是某同学探究小车加速度与力的关系的实验装置,他将光电门固定在水平轨道上的B点,用不同重物通过细线拉同一小车,每次小车都从同一位置A由静止释放.V1A2RSR1(1)若用游标卡尺测出遮光条的宽度d如图乙所示,则d=________cm;实验时将小车从图示位置由静止释放,由数字计时器读出遮光条通过光电门的时间Δt=2.0×10-2s,则小车经...

1、当您付费下载文档后,您只拥有了使用权限,并不意味着购买了版权,文档只能用于自身使用,不得用于其他商业用途(如 [转卖]进行直接盈利或[编辑后售卖]进行间接盈利)。
2、本站所有内容均由合作方或网友上传,本站不对文档的完整性、权威性及其观点立场正确性做任何保证或承诺!文档内容仅供研究参考,付费前请自行鉴别。
3、如文档内容存在违规,或者侵犯商业秘密、侵犯著作权等,请点击“违规举报”。

碎片内容

游标卡尺与螺旋测微器的读数

您可能关注的文档

确认删除?
VIP
微信客服
  • 扫码咨询
会员Q群
  • 会员专属群点击这里加入QQ群
客服邮箱
回到顶部