游标卡尺与螺旋测微器得使用方法游标卡尺就是一种常用得量具,具有结构简单、使用方便、精度中等与测量得尺寸范围大等特点,可以用它来测量...
班级: 姓名: 学号: 常用长度量具(一)-—游标卡尺得使用1、游标卡尺得结构: (1)简介:就是一种比较精密得测量长度得仪器,常用得游标卡...
第三章 第四节 1.关于磁场方向、电流方向、安培力方向三者之间的关系,正确的说法是( )A.磁场方向、电流方向、安培力方向三者之间总是...
游标卡尺和螺旋测微器习题1、准确度为 0.1mm 的游标卡尺,游标卡尺刻度总长度为 9mm,若其最末一个刻度线与主尺的 44mm 刻度线对齐,...
螺旋测微器的原理及应用1■千分尺的组成结构螺旋测微器又称千分尺,是比游标卡尺更精密的测长仪器,准确度可在0.01--0.001mm 之间。常用于...
2015 年 12 月 29 日 1224966 的高中物理组卷一.填空题(共 23 小题)1.____________________________________________________...
游标卡尺螺旋测微器读数练习题 班级___ 姓名_____ 10 分度(0.1mm)1 读数:_____mm2 读数:_____mm3 读数:__...
hIII Illi1II11Illi Illi11,Illi1M0123iiin4567IlliIlli0注意:该条黑线是尺的边缘,不是刻度线。IllrTTIm102011 游标;millrTrnrI血 i...
01/78cm游标卡尺卡尺分类主尺最小刻度(mm)游标刻度总长(mm)精确度(mm)10 分度190.120 分度1190.0550 分度1490.02]1)看清游标的精...
练习使用游标卡尺和螺旋测微器 1 实验 练习使用游标卡尺和螺旋测微器 1. 理解游标卡尺和螺旋测微器的工作原理. 2. 熟悉游标卡尺和螺...
实验一 用游标卡尺、螺旋测微器、读数显微镜测量长度 【学习重点】 1.游标卡尺、螺旋测微器、读数显微镜的测量原理和使用方法; 2.一般...
67I1,1,1,1,1,1,1,1 I, I.U,I'⑵,III|IIII]II0102卡尺分类主尺最小刻度(mm)游标刻度总长(mm)精确度(mm)10 分度190.120 分度1190.0550 ...
1 / 3 502025 151.游标卡尺⑴10 分度的游标卡尺。游标上相邻两个刻度间的距离为0.9mm,比主尺上相邻两个刻度间距离小0.1mm。读数时先...
游标卡尺螺旋测微器练习题1、准确度为 0.1mm的游标卡尺,游标卡尺刻度总长度为9mm,若其最末一个刻度线与主尺的 44mm刻度线对齐,则游标...
1 / 4 勇新教育培训学校游标卡尺与螺旋测微器练习二姓名 ________________学号 ______________班级 ______________得分 ___________...
1 / 3 D F E B 《游标卡尺和螺旋测微器》实验报告一、螺旋测微器(千分尺)( 1)构造:尺架、套筒、制动旋钮、微调旋钮( 2)原...
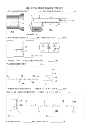
游标卡尺和螺旋测微器读数试题精选1.图甲中螺旋测微器的读数应为mm;图乙中游标卡尺的读数应为cm。2.下图中螺旋测微器读数应为_______mm ...
5 0 20 25 15 2 0 0 8 年高考物理游标卡尺和螺旋测微器专项练习 1 .游标卡尺 ⑴10 分度的游标卡尺。游标上相邻两个刻度间的距...
1 游标卡尺和螺旋测微器练习 一、使用原理 1、游标卡尺 器材实物与手持方法:(如右图) 测量范围:0~150m m 精度:标尺等分数精度...
游标卡尺和螺旋测微器的使用方法 游标卡尺是一种常用的量具,具有结构简单、使用方便、精度中等和测量的尺寸范围大等特点,可以用它来测量...

