电脑桌面
添加小米粒文库到电脑桌面
安装后可以在桌面快捷访问

游标卡尺和螺旋测微器读数试题精选

游标卡尺和螺旋测微器读数试题精选_第1页
1/9
游标卡尺和螺旋测微器读数试题精选_第2页
2/9
游标卡尺和螺旋测微器读数试题精选_第3页
3/9
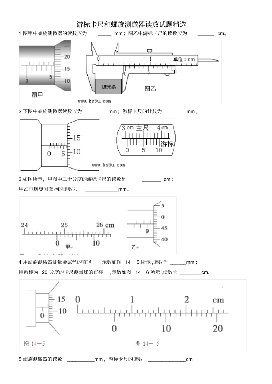
游标卡尺和螺旋测微器读数试题精选1.图甲中螺旋测微器的读数应为mm;图乙中游标卡尺的读数应为cm。2.下图中螺旋测微器读数应为_______mm ;游标卡尺的计数为_______mm 。3.如图所示,甲图中二十分度的游标卡尺的读数是cm;甲乙中螺旋测微器的读数为mm。4.用螺旋测微器测量金属丝的直径,示数如图 14-5 所示 ,读数为 ______mm ;用游标为 20 分度的卡尺测量球的直径,示数如图 14-6 所示 ,读数为 ________cm. 5.螺旋测微器的读数__________mm ,游标卡尺的读数______________cm 6.图甲中游标卡尺的读数是2.98cm,图乙中螺旋测微器的读数是5.680mm.7.用螺旋测微器测量某金属丝直径时的读数如下图一,金属丝直径为mm.(2)图二为用50 分度的游标卡尺测量物体长度时的读数,由于遮挡,只能看见游标的后半部分,这个物体的长度为mm.8.读出游标卡尺的读数为 __________cm.螺旋测微器的读数为 __________mm 9.读出游标卡尺的读数为 __________cm.螺旋测微器的读数为 __________mm 10.如图所示,螺旋测微器的读数为mm;游标卡尺的读数为cm。11.用螺旋测微器测圆柱体的直径时,示数如图甲所示,此示数为mm,用游标卡尺测量某物体的厚度时,示数如图乙所示,此示数为cm 12.(1)游标尺上有20 个等分刻度的游标卡尺测量工件的情况如图所示,读数为mm。(2)游标尺上有50 个等分刻度的游标卡尺测量工件的情况,读数为mm 。13. (2 分)游标尺上有 10 个等分刻度的游标卡尺,游标尺刻度的总长为9mm,游标尺的每一分度与主尺的最小分度相差0.1mm.有一把这样的游标卡尺,由于长期使用,测量爪磨损严重,当左、右测量爪合在一起时,游标尺的零线与主尺的零线不重合,出现如图所示的情况,此时两零刻线间的距离为____________mm . 14.在“练习使用螺旋测微器”的实验中,测量某金属丝直径时的刻度位置如图所示,从图中读出金属丝的直径为mm。15.1)某同学用自己发明的新式游标卡尺测量小钢球的直径,新式卡尺将主尺上39mm 在游标尺上均分成 20 等份。如图所示,则小钢球的直径为d=_____________cm。(2)该同学又用螺旋测微器测量某电阻丝的直径,示数如图,则该金属丝的直径为mm。16.有一游标卡尺,主尺的最小分度是1mm,游标上有20 个小的等分刻度. 用它测量一小球的直径,如图甲所示的读数是mm. 用螺旋测微器测量一根金属丝的直径,如图乙所示的读数是mm. 17.分别使用游标卡尺和螺旋测微器测量圆柱体的长度和...

1、当您付费下载文档后,您只拥有了使用权限,并不意味着购买了版权,文档只能用于自身使用,不得用于其他商业用途(如 [转卖]进行直接盈利或[编辑后售卖]进行间接盈利)。
2、本站所有内容均由合作方或网友上传,本站不对文档的完整性、权威性及其观点立场正确性做任何保证或承诺!文档内容仅供研究参考,付费前请自行鉴别。
3、如文档内容存在违规,或者侵犯商业秘密、侵犯著作权等,请点击“违规举报”。

碎片内容

游标卡尺和螺旋测微器读数试题精选

您可能关注的文档

确认删除?
VIP
微信客服
  • 扫码咨询
会员Q群
  • 会员专属群点击这里加入QQ群
客服邮箱
回到顶部