电脑桌面
添加小米粒文库到电脑桌面
安装后可以在桌面快捷访问

市政工程消耗定额VIP免费

市政工程消耗定额_第1页
1/32
市政工程消耗定额_第2页
2/32
市政工程消耗定额_第3页
3/32
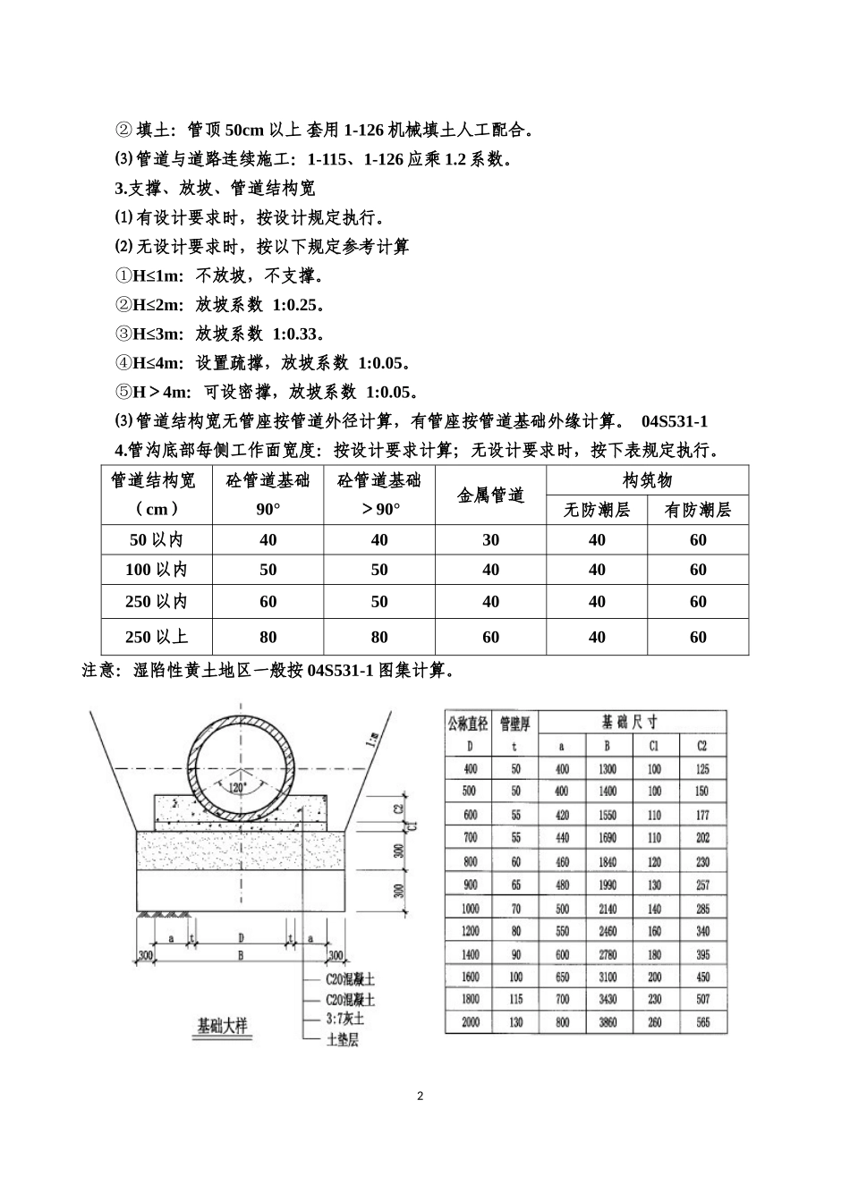
2004市政工程消耗定额及2009补充定额●土石方工程一、一般土方1.使用范围⑴道路土方。⑵底宽>7m、长度>底宽3倍土方。⑶基坑底面积在150m2以上的土方。2.人工、机械施工的确定⑴人工①挖土、运土:量小、运距近、不适合机械施工。②人行道:10%挖土1-1、1-2*1.5;填土1-114、1-125⑵机械①人行道:90%挖土1-8~1-10;填土1-121、1-122、1-125②快慢车道:挖土100%1-8~1-10(薄:推土机)1-14、1-15(厚:挖掘机);填土:1-121、1-1223.夯填土的夯实系数⑴路床以下80cm以内:1.22。⑵路床以下超过80cm:1.15。二、沟槽土方1.使用范围⑴底宽≤7m,底长>底宽3倍按沟槽计算。⑵检查井土方(顶管工作坑除外)应计入沟槽土方。2.人工、机械施工的确定⑴人工①挖土:10%1-21~1-28×1.5;一侧出土且未随挖随运时,可以乘以1.13系数;H>8m时:每增深1m,按上步定额乘1.12系数。注意:没有机械开挖,仅人工开挖时,不能乘以1.5人工辅助开挖系数。②填土:管顶50cm以下套用1-115人工填土;一侧填土,人工可以乘以1.13系数。③雨水过街管沟、埋深不足1m的管道管沟、有地下横穿管线的管沟:可以100%套用人工挖填土。⑵机械①挖土:90%1-29~1-32H>6m时,2010.3.1以前每增深1m,按上步定额乘1.07系数。2010.3.1以后每增深1m,按上步定额乘1.10系数。1②填土:管顶50cm以上套用1-126机械填土人工配合。⑶管道与道路连续施工:1-115、1-126应乘1.2系数。3.支撑、放坡、管道结构宽⑴有设计要求时,按设计规定执行。⑵无设计要求时,按以下规定参考计算H≤1m①:不放坡,不支撑。H≤2m②:放坡系数1:0.25。H≤3m③:放坡系数1:0.33。H≤4m④:设置疏撑,放坡系数1:0.05。H⑤>4m:可设密撑,放坡系数1:0.05。⑶管道结构宽无管座按管道外径计算,有管座按管道基础外缘计算。04S531-14.管沟底部每侧工作面宽度:按设计要求计算;无设计要求时,按下表规定执行。管道结构宽(cm)砼管道基础90°砼管道基础>90°金属管道构筑物无防潮层有防潮层50以内4040304060100以内5050404060250以内6050404060250以上8080604060注意:湿陷性黄土地区一般按04S531-1图集计算。25.清单沟槽的计算:按照新定额表中的宽度计算,不构成工程实体的,造成的错误自负报价责任。沟槽土方计算宽度参考下表(未计算工作面)严格上讲:工程量计算包含两种,一种是清单工程量,一种是定额工程量,清单工程量是按照投影来算的,不可计算放坡,定额工程量需要计算放坡,具体按照哪一个工程量还要看你招标清单上给的是实挖量还是清单量。6.凡400以内砼管道:不含保温层厚度,一般按450mm计算,另增加工作面。7.面层下埋设300mm以内管道:拆除宽按80cm计算,在人行道下埋设时拆除宽按照90cm计算。8.夯填土⑴夯填土量:挖方量-管占体积-检查井占体积-砼基础-灰土垫层⑵夯实系数:1.15⑶购(运)土案例:夯填土100方,购土100*1.15=115方。三、基坑土方1.使用范围:底长≤底宽3倍,底面积≤150m2。挖1-37~1-43。2.地下通道底宽>7m按大型支撑基坑计算土方量及支撑面积。挖土方4-395~4-402支撑安拆4-403~4-406。(砼结构可套用4-411~4-445)★注意:检查井土方(顶管工作坑除外)应计入沟槽土方,不能计入基坑土方。四、一般情况下1.执行综合土定额。3管内径mm计算宽度mm基层增加深度mm备注D300520440基础增加深度包括3:7灰土300厚D400630440D500744450D600900450D7001030470D8001190500D9001320510D10001450530D11001610560D12001740580D13501980654D15002190720D16502400780D18002640830D20002930940D220032501040D2400351011102.砾石含量超过10%时,套用四类土。3.砾石含量超过30%时,按四类土乘以1.43系数。五、内倒土1.人工挖沟槽土方堆土高度超过1.5m时,可计算人工运土。2.挖一般土方深度以1.5m为界,超过1.5m时每米按水平运距7m计算,高度按总高度计算。3.取土距离为5m,超过5m可根据运距大小套用转运土方相应子目;汽车运土不足1km时,按1km计。六、余方弃置1.弃置⑴弃置范围:耕植土、淤泥、流砂、堆积垃圾、挖方减去可利用土方后剩余的土方。⑵沟槽弃运土方①沟槽土方可利用时:弃运土方=挖方量-夯填土*1.15系数-...

1、当您付费下载文档后,您只拥有了使用权限,并不意味着购买了版权,文档只能用于自身使用,不得用于其他商业用途(如 [转卖]进行直接盈利或[编辑后售卖]进行间接盈利)。
2、本站所有内容均由合作方或网友上传,本站不对文档的完整性、权威性及其观点立场正确性做任何保证或承诺!文档内容仅供研究参考,付费前请自行鉴别。
3、如文档内容存在违规,或者侵犯商业秘密、侵犯著作权等,请点击“违规举报”。

碎片内容

市政工程消耗定额

您可能关注的文档

确认删除?
VIP
微信客服
  • 扫码咨询
会员Q群
  • 会员专属群点击这里加入QQ群
客服邮箱
回到顶部