电脑桌面
添加小米粒文库到电脑桌面
安装后可以在桌面快捷访问

装饰工程质量验收标准(包括细部尺寸允许偏差)VIP免费

装饰工程质量验收标准(包括细部尺寸允许偏差)_第1页
1/16
装饰工程质量验收标准(包括细部尺寸允许偏差)_第2页
2/16
装饰工程质量验收标准(包括细部尺寸允许偏差)_第3页
3/16
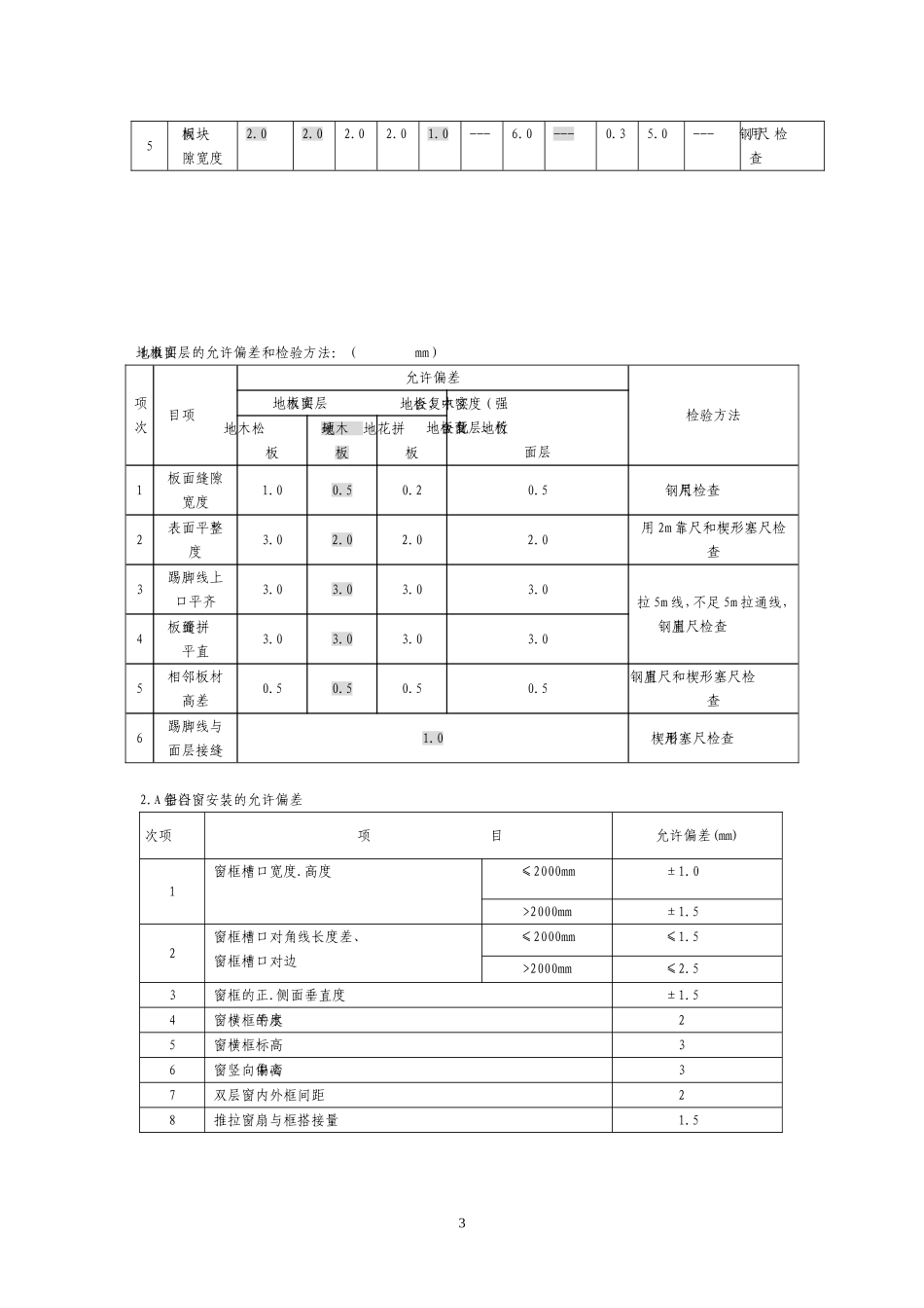
装饰工程质量验收标准(新)第一部分分部工程验收规范1.地面工程1.A基层表面的允许偏差和检验方法(mm)项次项目允许偏差检验方法基土垫层找平层填充层隔离层土砂、砂石、碎石、碎砖灰土、三合土、炉渣、水泥混凝土木搁栅毛地板板块面层用沥青玛帝脂做结合层铺设拼花木板、用水泥砂浆做结合层铺设板块面层料板、强化复合地板、竹地板面层用胶粘剂做结合层铺设拼花木板、塑松散材料板、块材料防水、防潮、防油渗拼花实木地板、拼花实木复合地板面层其他种类面层1表面平整度151510335352753用2m靠尺和楔形塞尺检查2标高0-50±20±10±5±5±8±5±8±4±4±4用水准仪检查3坡度不大于房间相应尺寸的2/1000,且不大于30用坡度尺检查4厚度在个别地方不大于设计厚度的1/10用钢尺检查强制性条文:4.9.3.有防水要求的建筑地面,铺设前必须对立管、套管和地漏与楼板节点之间进行密封处理;排水坡度应符合设计要求。4.10.8厕浴间和有防水要求的建筑地面必须设置防水隔离层。楼层结构必须采用现浇混凝土或整块预制混凝土板,混凝土强度等级不应小于C20;楼板四周除门同外,应做混凝土翻边,其高度不应小于120mm。施工时结构层标高和预留孔洞位置应准确,严禁乱凿洞。4.10.10防水隔离层严禁渗漏,坡向应正确、排水通畅。11.B整体面层的允许偏差和检验方法(mm)项次项目允许偏差检验方法水泥混凝土面层水泥砂浆面层普通水磨石面层高级水磨石面层水泥钢(铁)屑面层防油渗混凝土和不发火(防瀑的)面层1表面平整度543245用2m靠尺和楔形塞尺检查2踢脚线上口平直443344拉5m线和用钢尺检查3缝格平直333233强制性条文:5.7.4不发火(防爆的)面层采用的碎石应选用大理石、白云石或其他石料加工而成,并以金属或石料撞击时不发生火花为合格;砂应质地坚硬、表面粗糙,其粒径宜为0.15~5mm,含泥量不应大于3%,有机物含量不应大于0.5%;水泥应采用普通硅酸盐水泥,其强度等级不应小于32.5;面层分格的嵌条应采用不发生火花的材料配制。配制时应随时检查,不得混入金属或其他易发生火花的杂质。1.C板、块面层的允许偏差和检验方法(mm)项次项目允许偏差检验方法陶瓷地砖面层陶瓷锦砖面层、高级水磨石板、缸砖面层水泥花砖面层水磨石板块面层大理石面层和花岗石面层塑料板面层水泥混凝土板块面层碎拼大理石、碎拼花岗石面层活动地板面层条石面层块石面层1表面平整度2.04.03.03.01.02.04.03.02.010.010.0用2m靠尺和契形塞尺检查2缝格平直3.03.03.03.02.03.03.0---2.58.08.0拉5m线和用钢尺检查3接缝高低差0.51.50.51.00.50.51.5---0.42.0---用钢尺和契形塞尺检查4踢脚线上口平直3.04.0---4.01.02.04.01.0---------拉5m线和用钢尺检查25板块间隙宽度2.02.02.02.01.0---6.0---0.35.0---用钢尺检查1.D实木地板面层的允许偏差和检验方法:(mm)项次项目允许偏差检验方法实木地板面层实木复合地板、中密度(强化)复合地板面层、竹地板面层松木地板硬木地板拼花地板1板面缝隙宽度1.00.50.20.5用钢尺检查2表面平整度3.02.02.02.0用2m靠尺和楔形塞尺检查3踢脚线上口平齐3.03.03.03.0拉5m线,不足5m拉通线,用钢直尺检查4板面拼缝平直3.03.03.03.05相邻板材高差0.50.50.50.5用钢直尺和楔形塞尺检查6踢脚线与面层接缝1.0用楔形塞尺检查2.A铝合金门窗安装的允许偏差项次项目允许偏差(mm)1窗框槽口宽度.高度≤2000mm±1.0>2000mm±1.52窗框槽口对角线长度差、窗框槽口对边≤2000mm≤1.5>2000mm≤2.53窗框的正.侧面垂直度±1.54窗横框的水平度25窗横框标高36窗竖向偏离中心37双层窗内外框间距28推拉窗扇与框搭接量1.53项次项目允许偏差(mm)1门框槽口宽度.高度≤2000mm±1.0>2000mm±1.52门框槽口对角线长度差≤3000mm≤1.5>3000mm≤2.53门框槽口对边≤2000mm≤1.5>2000mm≤2.54门框的正.侧面垂直度±1.55门横框的水平度26门横框标高37门竖向偏离中心38双层门内外框间距29推拉门扇与框搭接量1.52.B木门制作允许偏差和检验方法项次项目构件名称允许偏差(mm)检验方法普通高级1翘曲框32将框、扇平放在检查平台上,用塞尺检查扇222对角线长度差框.扇32用钢尺检查,框量裁口里角,扇量外角3表面平整度扇22用1m靠尺和塞尺检查4高度....

1、当您付费下载文档后,您只拥有了使用权限,并不意味着购买了版权,文档只能用于自身使用,不得用于其他商业用途(如 [转卖]进行直接盈利或[编辑后售卖]进行间接盈利)。
2、本站所有内容均由合作方或网友上传,本站不对文档的完整性、权威性及其观点立场正确性做任何保证或承诺!文档内容仅供研究参考,付费前请自行鉴别。
3、如文档内容存在违规,或者侵犯商业秘密、侵犯著作权等,请点击“违规举报”。

碎片内容

装饰工程质量验收标准(包括细部尺寸允许偏差)

您可能关注的文档

确认删除?
VIP
微信客服
  • 扫码咨询
会员Q群
  • 会员专属群点击这里加入QQ群
客服邮箱
回到顶部