电脑桌面
添加小米粒文库到电脑桌面
安装后可以在桌面快捷访问

围墙工序报验_全VIP免费

围墙工序报验_全_第1页
1/25
围墙工序报验_全_第2页
2/25
围墙工序报验_全_第3页
3/25
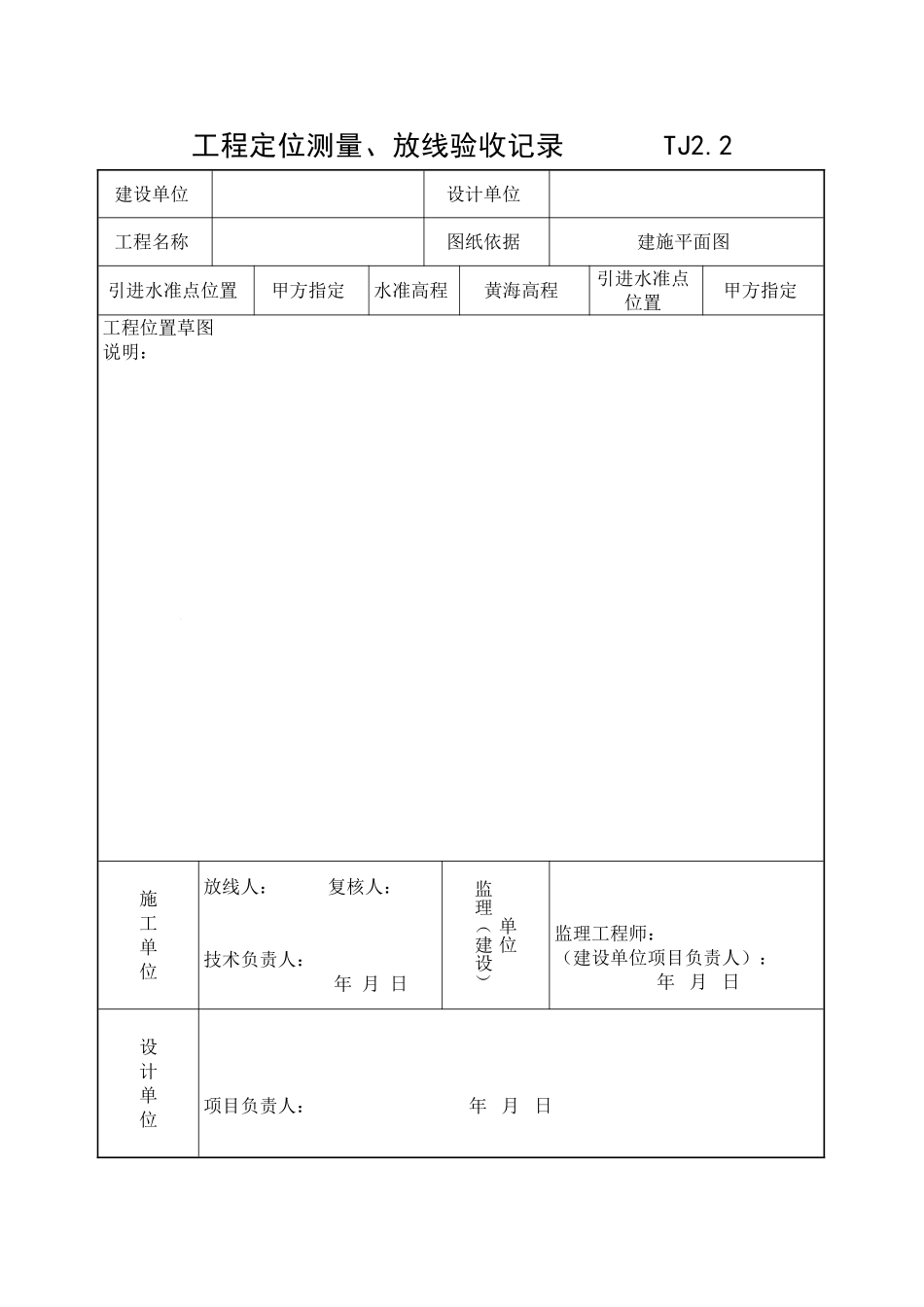
工序质量报验单工序质量报验单工程名称:编号:A3.5—致:兹报验:√1地基与基础□2主体结构□3建筑装饰装修□4建筑屋面□5建筑给水、排水及采暖□6建筑电气□7智能建筑□8通风与空调□9电梯□□子分部/分项/检验批名称:测量放线部位:验收时间:本次报验内容系第1次报验,本项目经理部已完成自检工作且资料完整,并呈报相应资料。承包单位项目经理部(章):项目经理:日期:项目监理机构签收人姓名及时间承包单位签收人姓名及时间监理抽查数据及情况记录:1、收到施工相应自评/检查资料和验收记录表共页,收到时间:2、检查人:日期:监理审查意见:□可进行后续施工。□核验未通过,不得进入下道工序施工,整改后再报。项目监理机构(章):专业监理工程师日期:注:1、未经项目监理机构验收通过,承包单位不得进入下道工序施工。2、承包单位项目经理部应提前提出本报验单,并给予配合。工程定位测量、放线验收记录TJ2.2建设单位设计单位工程名称图纸依据建施平面图引进水准点位置甲方指定水准高程黄海高程引进水准点位置甲方指定工程位置草图说明:施工单位放线人:复核人:技术负责人:年月日单位监理(建设)监理工程师:(建设单位项目负责人):年月日设计单位项目负责人:年月日工序质量报验单工序质量报验单工程名称:编号:A3.5—致:(监理单位)兹报验:√1地基与基础□2主体结构□3建筑装饰装修□4建筑屋面□5建筑给水、排水及采暖□6建筑电气□7智能建筑□8通风与空调□9电梯□□子分部/分项/检验批名称:土方开挖部位:验收时间:本次报验内容系第次报验,本项目经理部已完成自检工作且资料完整,并呈报相应资料。承包单位项目经理部(章):项目经理:日期:项目监理机构签收人姓名及时间承包单位签收人姓名及时间监理抽查数据及情况记录:1、收到施工相应自评/检查资料和验收记录表共页,收到时间:2、检查人:日期:监理审查意见:□可进行后续施工。□核验未通过,不得进入下道工序施工,整改后再报。项目监理机构(章):专业监理工程师日期:注:1、未经项目监理机构验收通过,承包单位不得进入下道工序施工。2、承包单位项目经理部应提前提出本报验单,并给予配合。土方开挖分项工程检验批质量验收记TJ4.1.1工程名称检验批部位施工执行标准名称及编号建筑地基基础工程施工质量验收规范GB50202-2002施工单位项目经理专业工长分包单位分包项目经理施工班组长序号GB50202-2002的规定施工单位检查评定记录监理建设单位验收记录项目允许偏差或允许值(mm)实测值柱基基坑基槽挖方场地平整管沟地(路)面基层人工机械主控项目1、标高-50±30±50-50-50203020303030305020202、长度、宽度(由设计中心线向两边量)+200-50+300-100+500-150+100-101030202030503030103、边坡设计要求一般项目1、表面平整度2020502020102020103030102030102、基底土性设计要求符合设计要求施工单位检查评定结果符合设计要求项目专业质量检查员:年月日监理(建设)单位验收结论监理工程师(建设单位项目专业技术负责人):年月日注:地(路)面基层的偏差只适用于直接在挖、填方上做地(路)面的基层。工序质量报验单工序质量报验单工程名称:编号:A3.5—致:(监理单位)兹报验:√1地基与基础□2主体结构□3建筑装饰装修□4建筑屋面□5建筑给水、排水及采暖□6建筑电气□7智能建筑□8通风与空调□9电梯□□子分部/分项/检验批名称:模板安装部位:验收时间:本次报验内容系第次报验,本项目经理部已完成自检工作且资料完整,并呈报相应资料。承包单位项目经理部(章):项目经理:日期:项目监理机构签收人姓名及时间承包单位签收人姓名及时间监理抽查数据及情况记录:1、收到施工相应自评/检查资料和验收记录表共页,收到时间:2、检查人:日期:监理审查意见:□可进行后续施工。□核验未通过,不得进入下道工序施工,整改后再报。项目监理机构(章):专业监理工程师日期:注:1、未经项目监理机构验收通过,承包单位不得进入下道工序施工。2、承包单位项目经理部应提前提出本报验单,并给予配合。江苏省建设厅监制模板分项工程(现浇结构模板安装)检验批质量验收TJ4.2.1...

1、当您付费下载文档后,您只拥有了使用权限,并不意味着购买了版权,文档只能用于自身使用,不得用于其他商业用途(如 [转卖]进行直接盈利或[编辑后售卖]进行间接盈利)。
2、本站所有内容均由合作方或网友上传,本站不对文档的完整性、权威性及其观点立场正确性做任何保证或承诺!文档内容仅供研究参考,付费前请自行鉴别。
3、如文档内容存在违规,或者侵犯商业秘密、侵犯著作权等,请点击“违规举报”。

碎片内容

围墙工序报验_全

您可能关注的文档

确认删除?
VIP
微信客服
  • 扫码咨询
会员Q群
  • 会员专属群点击这里加入QQ群
客服邮箱
回到顶部