电脑桌面
添加小米粒文库到电脑桌面
安装后可以在桌面快捷访问

土壤型温湿度传感器说明书 (详细)VIP免费

土壤型温湿度传感器说明书 (详细)_第1页
1/11
土壤型温湿度传感器说明书 (详细)_第2页
2/11
土壤型温湿度传感器说明书 (详细)_第3页
3/11
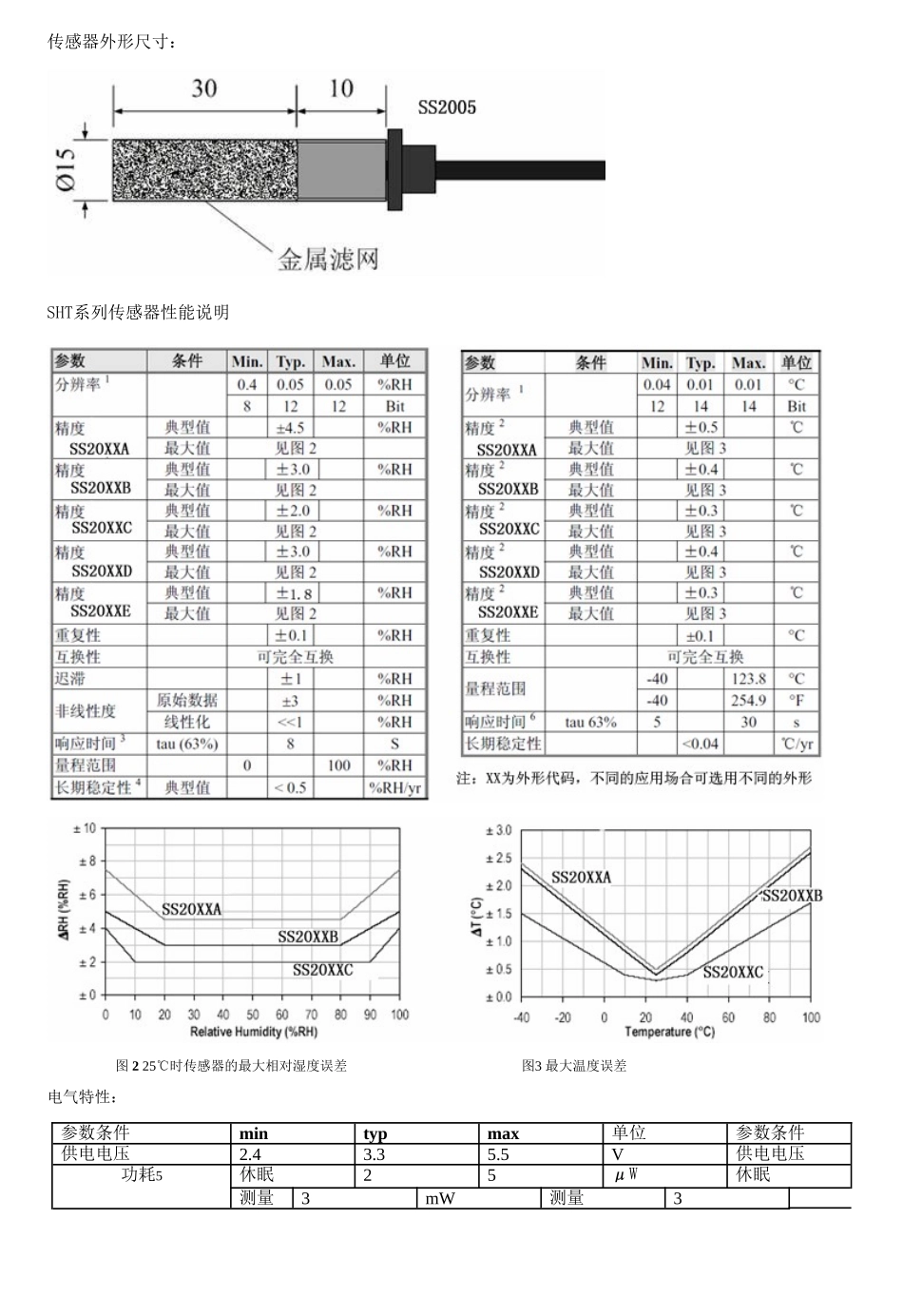
土壤型温湿度传感器说明书_相对湿度和温度测量_兼有露点_全部校准,数字输出,_卓越的长期稳定性_防水封装,可用于土壤测量_超低能耗产品概述数字温湿度传感器系列中土壤型专用传感器,它把传感元件和信号处理集成起来,输出全标定的数字信号。产品具有极高的可靠性与卓越的长期稳定性。传感器包括一个电容性聚合体测湿敏感元件、一个用能隙材料制成的测温元件,并在同一芯片上,与14位的A/D转换器以及串行接口电路实现无缝连接。因此,该产品具有品质卓越、超快响应、抗干扰能力强、极高的性价比等优点。每个传感器芯片都在极为精确的湿度腔室中进行标定,校准系数以程序形式储存在OTP内存中,在标定的过程中使用。传感器在检测信号的处理过程中要调用这些校准系数。两线制的串行接口与内部的电压调整,使外围系统集成变得快速而简单。微小的体积极低的功耗,使SS2005成为各类应用的首选。土壤专用传感器提供4脚引线封装,且传感器与引线之间采用接插件形式,易于更换与替换。接口说明:标识引线NameCommentS黄色SCK时钟信号+红色VDD电源-黑色或绿色GND地D兰色DATA数据输出技术参数:参数值供电电压2.4-5.5V测温范围-40+123.8℃测温精度±0.5℃测湿范围0-100%RH测湿精度±4.5%RH功耗80μW(12位测量,1次/s);传感器外形尺寸:SHT系列传感器性能说明图225℃时传感器的最大相对湿度误差图3最大温度误差电气特性:参数条件mintypmax单位参数条件供电电压2.43.35.5V供电电压功耗5休眠25μW休眠测量3mW测量3平均150μW平均150通讯数字两线接口,参见通讯存储10-50℃(0-125℃峰值),20-60%RH1默认测量分辨率为温度14位,湿度12位。通过状态寄存器可分别降至12位和8位2在出厂质量检验时,每支传感器都在25℃(77℉)和3.3V条件下测试并且完全符合精度指标。该精度值不包括滞后与非线性。3在25℃和1m/s气流的条件下,达到一阶响应63%所需要的时间。4在挥发性有机混合物中数值可能会高一些。见说明书1.3。5在VDD=5.5V和25℃的条件下,每秒进行一次12位精度测量的平均值。6响应时间取决于传感器表面的热容和热阻。使用指南1.应用信息1.1工作条件传感器在建议的工作条件下性能正常,请参阅图4。超出建议的工作范围可能导致信号暂时性漂移(60小时后漂移+3%RH)。当恢复到正常工作条件后,传感器会缓慢自恢复到校正状态。可参阅1.4小节的“恢复处理”以加速恢复进程。在非正常条件下的长时间,会加速产品的老化。图4工作条件1.2插座与焊接为了确保传感器的高精度,不允许直接焊接传感器。必须使用配套插座,如“Preci-dip/Mill-Max851-93-004-20-001"或类似产品。使用标准的波峰焊炉,在最高235℃的温度条件下不超过20秒。手动焊接,在最高350℃7的温度条件下接触时间须少于5秒。焊接后,将传感器在>75%RH的环境下存放至少12小时,以保证聚合物的重新水合。不论在哪种情况下,无论是手动焊接还是回流焊结,在焊接后都不允许冲洗电路板。如果将传感器应用于腐蚀性气体中,插针与PCB都需要被封装起来以避免接触不良或短路。1.3贮存条件与操作说明湿度传感器不是普通的电子元器件,需要仔细防护,这一点用户必须重视。长期暴露在高浓度的化学蒸汽中将会致使传感器的读数产生漂移。因此建议将传感器存放于原包装包括封装的ESD包内,并且符合以下条件:温度范围10℃-50℃(在有限时间内0-80℃);湿度为20-60%RH(没有ESD封装的传感器)。若传感器没有原包装,则需要存放在PE-HD8材质的ESD袋中。在生产和运输过程中,要保证传感器远离高浓度的化学溶剂。要避免使用挥发性胶水、粘性胶带、不干胶贴纸,或具有挥发性的包装材料,如发泡塑料袋、泡沫塑料等。生产场合需要保持通风。详细信息请参考“操作说明”或联系我们。1.4恢复处理暴露在极端工作条件或化学蒸汽中的传感器,可通过如下处理,使其恢复到校准状态。烘干:在100-105℃(100-105℃对应于212-221℉,20-30℃对应于68-86℉)和<5%RH的湿度条件下保持10小时;重新水合:在20-30℃和>75%RH的湿度条件下保持12小时(75%RH的湿度场可以很便利的由NaCl饱和盐溶液制得)。1.5温度影响气体的相对湿度,在很大程度上依赖于温度。因此在测量湿度时,...

1、当您付费下载文档后,您只拥有了使用权限,并不意味着购买了版权,文档只能用于自身使用,不得用于其他商业用途(如 [转卖]进行直接盈利或[编辑后售卖]进行间接盈利)。
2、本站所有内容均由合作方或网友上传,本站不对文档的完整性、权威性及其观点立场正确性做任何保证或承诺!文档内容仅供研究参考,付费前请自行鉴别。
3、如文档内容存在违规,或者侵犯商业秘密、侵犯著作权等,请点击“违规举报”。

碎片内容

土壤型温湿度传感器说明书 (详细)

您可能关注的文档

确认删除?
VIP
微信客服
  • 扫码咨询
会员Q群
  • 会员专属群点击这里加入QQ群
客服邮箱
回到顶部