电脑桌面
添加小米粒文库到电脑桌面
安装后可以在桌面快捷访问

墙和楼地层构造设计任务书--6.10VIP免费

墙和楼地层构造设计任务书--6.10_第1页
1/7
墙和楼地层构造设计任务书--6.10_第2页
2/7
墙和楼地层构造设计任务书--6.10_第3页
3/7
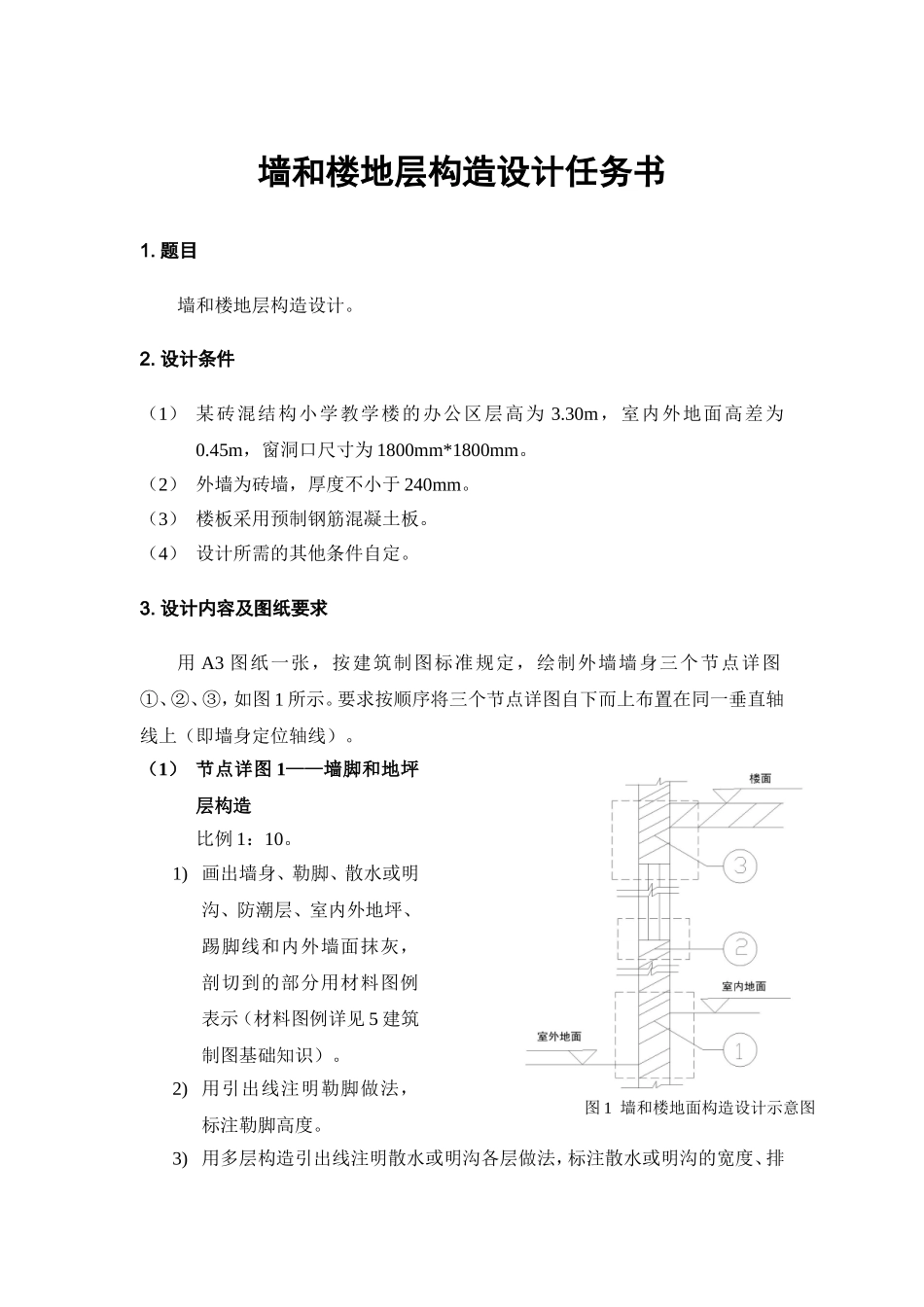
墙和楼地层构造设计任务书1.题目墙和楼地层构造设计。2.设计条件(1)某砖混结构小学教学楼的办公区层高为3.30m,室内外地面高差为0.45m,窗洞口尺寸为1800mm*1800mm。(2)外墙为砖墙,厚度不小于240mm。(3)楼板采用预制钢筋混凝土板。(4)设计所需的其他条件自定。3.设计内容及图纸要求用A3图纸一张,按建筑制图标准规定,绘制外墙墙身三个节点详图①、②、③,如图1所示。要求按顺序将三个节点详图自下而上布置在同一垂直轴线上(即墙身定位轴线)。(1)节点详图1——墙脚和地坪层构造比例1:10。1)画出墙身、勒脚、散水或明沟、防潮层、室内外地坪、踢脚线和内外墙面抹灰,剖切到的部分用材料图例表示(材料图例详见5建筑制图基础知识)。2)用引出线注明勒脚做法,标注勒脚高度。3)用多层构造引出线注明散水或明沟各层做法,标注散水或明沟的宽度、排图1墙和楼地面构造设计示意图水方向和坡度值。4)表示出防潮层的位置,注明做法。5)用多层构造引出线注明地坪层的各层做法。6)注明踢脚线的做法,标注踢脚线的高度等尺寸。7)标注定位轴线,标注墙体厚度和室内外地面标高,注写图名和比例。(2)节点详图2——窗台构造(选做)比例1:10。1)画出墙身、内外墙面抹灰、内外窗台和窗框等。2)用引出线注明内外窗台的饰面做法,标注细部尺寸,标注外窗台的排水方向和坡度值。3)按开启方式和材料表示出窗框,表示清楚窗框与窗台饰面的连接(参考门窗构造一章内容)。4)用多层构造引出线注明内外墙面装修做法。5)标注定位轴线(与节点详图1的轴线对齐),标注窗台标高(结构面标高)注写图名比例。(3)节点详图3——过梁和楼板层构造比例1:10。1)画出墙身、内外墙面抹灰、过梁和楼板层等。2)表示清楚过梁的截面形式,标注有关尺寸。3)用多层构造引出线注明楼板层做法,表示清楚楼板的形式以及板与墙的相互关系。4)标注定位轴线(与节点详图1、2的轴线对齐),标注过梁底面(结构面)标高和楼面标高,注写图名和比例。4.墙和楼地层构造设计指导(1)墙脚和地坪层构造1)墙脚构造外墙墙脚构造设计主要是确定勒脚、防潮层、散水或是明沟的构造。勒脚:根据勒脚的构造要求并结合立面设计,确定勒脚的构造做法和高度。防潮层:选择防潮层的做法,根据地坪层的垫层材料确定防潮层的位置。散水或明沟:根据当地的气候条件,确定墙角处的排水方案。采用散水时,应确定散水的宽度、排水坡度和构造做法。若设明沟排水,则应明确明沟的尺寸和构造做法。2)地坪层的构造包括地坪层构造和踢脚线构造。根据房间使用要求和室内装饰要求,确定地坪层的构造做法及踢脚线的做法和高度。(2)窗台构造包括墙面装修和窗台构造。1)墙面装修根据使用和装饰要求确定内外墙面装修的饰面材料和构造做法。2)窗台根据外墙面的饰面材料特点和立面设计要求确定外窗台的形式。在满足立面设计要求的情况下,外墙面为抹灰类或涂料类装修时,窗台宜采用悬挑式,并做滴水处理;若为贴面类装修,窗台可不悬挑。确定外窗台的排水坡度和饰面做法。参考门窗构造一章的内容,确定内窗台构造和窗框构造。根据使用要求结合当地气候条件,确定窗框和墙洞中的相对位置,当窗框设在墙身中部时,应根据室内装饰要求,确定内窗台的饰面材料和做法。根据窗的开启方式和窗框材料,选择窗框的断面形式,窗框与内外窗台饰面的结合应密实。(3)过梁和楼板层构造1)过梁选择过梁类型:由于窗口宽度较大,故宜采用钢筋混凝土过梁。根据墙体厚度和窗洞口宽度,考虑结构、构造和施工要求,确定过梁的断面形式和尺寸。2)楼板层构造选择预制钢筋混凝土楼板的断面形式,考虑板的布置,确定板与墙的连接关系。根据使用和室内装饰要求,确定楼面和顶棚的饰面材料及构造做法。(4)设计构造备注1)混凝土散水或明沟构造参考图,详见图2。图2混凝土散水与明沟构造2)踢脚线构造说明踢脚板的高度取值:120mm~150mm。常见构造做法1:15厚1:0.3:4混合砂浆打底,3厚1:1水泥细砂浆面层抹光。常见构造做法2:13厚1:0.3:4混合砂浆打底,胶粘剂,贴塑料板。常见构造做法3:13厚1:0.3:4混合砂浆打底,10厚1:2水泥石子面层,磨光打草酸打蜡。3)...

1、当您付费下载文档后,您只拥有了使用权限,并不意味着购买了版权,文档只能用于自身使用,不得用于其他商业用途(如 [转卖]进行直接盈利或[编辑后售卖]进行间接盈利)。
2、本站所有内容均由合作方或网友上传,本站不对文档的完整性、权威性及其观点立场正确性做任何保证或承诺!文档内容仅供研究参考,付费前请自行鉴别。
3、如文档内容存在违规,或者侵犯商业秘密、侵犯著作权等,请点击“违规举报”。

碎片内容

墙和楼地层构造设计任务书--6.10

确认删除?
VIP
微信客服
  • 扫码咨询
会员Q群
  • 会员专属群点击这里加入QQ群
客服邮箱
回到顶部