电脑桌面
添加小米粒文库到电脑桌面
安装后可以在桌面快捷访问

主机选型方案比较VIP免费

主机选型方案比较_第1页
1/5
主机选型方案比较_第2页
2/5
主机选型方案比较_第3页
3/5
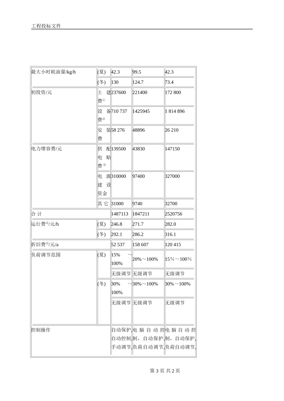
工程投标文件某娱乐中心冷冻站设计方案技术经济比较对某给定工程冷冻站,拟定三种设计方案,分别采用水冷式水机组、风冷热泵式冷热水机组及溴化锂吸收式冷热水机组,从初投资、运行费、折旧费、控制、操作、噪声、振动、运行、管理等方面进行了技术经济比较,并从中选择一种付诸实施。前言在空调技术快速发展的今天,工程设计中究竟选用哪一种冷(热)水机组?其经济性能、技术性能如何?本文以某工程为例,详细比较了水冷螺杆式冷水机组、风冷热泵螺杆式冷热水机组、直燃型溴化锂吸收式冷热水机组的经济技术性能,希望对工程设计中合理选择冷(热)水机组有所帮助。工程概况及方案考虑该娱乐中心为一座3层建筑,局部4层,建筑面积共5620m2。1层为冷冻站、厨房、中西餐厅、美容中心、浴室(内设冷、温、热水冲浪浴池,淋浴等)及客房(内设桑拿浴或按摩浴缸)。2层部分为KTV包房,其余为客房。3、4层全部为客房。2、3、4层客房均有浴缸等卫生设施。娱乐中心设有风机盘管空调系统和集中供卫生热水系统。本冷冻站即负担空调系统冷、热量供应和卫生热水系统热量供应。系统冷热负荷见表1。冷热负荷表1空调系统卫生热水系统夏季(冷负荷)冬季(热负荷)夏季(冷负荷)冬季(热负荷)负荷/KW747632471816水温/℃7/1260/5565/4065/40本工程考虑三个方案。方案1选用2台水冷螺杆式冷水机组,设计工况产冷量分别为490KW和324KW,合计814KW,夏季供空调系统冷量;选用一台燃油热水器,设计工况产热量1454KW,夏季供卫生热水系统热量,冬季供空调系统热量和卫生热水系统热量。方案2选用一台直燃型溴化锂吸收式冷热水机组,设计工况产冷量805KW,产热量678KW,夏季供空调系统冷量,冬季供空调系统热量;选用一台燃油热水器,设计工况产热量827KW,夏季、冬季供卫生热水系统热量。方案3选用2台风冷螺杆式冷热水机组,设计工况产冷量380KW,合计760KW;产热量304KW,合计第1页共2页工程投标文件608KW,夏季供空调系统冷量,冬季供空调系统热量;选用1台燃油热水器,设计工况产热量为872KW,夏季、冬季供卫生热水系统热量。各方案的技术经济性各方案的技术经济性比较(见表2)因各方案燃油供应系统、卫生热水供应系统(除燃油热水器)均相同,故不进行比较。方案1、2、3供冷供热量均按表1(方案3冬季空调系统供热量为608KW)。各方案的技术经济性分析由表2可以看出:初投资方案1最低,方案2次之,方案3最高。方案2中直燃型溴化锂吸收式冷热水机组燃料供应系统与燃油热水器共用,故不需再增加此项投资。运行费夏季:方案1最低,方案2次之,方案3最高;冬季:方案2最低,方案1次之,方案3最高。折旧费方案1最低,方案2次之,方案2最高。表2各方案技术经济性项目方案1方案2方案3设计工况产冷量(夏)/KW814814760水温/℃7/127/127/12设计工况产热量(冬)KW1454678872608872水温/℃65/5760/55.865/4045/4065/40机房面积/m2198184.5144耗电量/KW设备容量27987.7294.4运行容量(夏)236.587.7289.8运行容量(冬)19.127.5240.2第2页共2页工程投标文件最大小时耗油量/kg/h(夏)42.399.542.3(冬)130124.773.4初投资/元土建费①237600221400172800设备费②71073714259451814896安装费582764889626210电力增容费/元供配电贴费③13950043830147150电源建设资金31000097400327000其它31000974032700合计148711318472112520756运行费④/元/h(夏)246.8271.7282.0(冬)292.1286.2316.1折旧费⑤/元/a52537158607120415负荷调节范围(夏)15%~100%20%~100%15%~100%无级调节无级调节无级调节(冬)30%~100%30%~100%30%~100%无级调节无级调节无级调节控制操作自动保护,自动控制,手动调节,电脑自动控制,自动保护,负荷自动调节,电脑自动控制,自动保护,负荷自动调节,第3页共2页工程投标文件操作简单操作简单,(键开机,键关机)操作简单,(键开机,键关机)耗电量方案2最低,方案1次之,方案3最高。耗电量增大,不仅电力增容费增加,自备电源的容量和费用也随之增加,因些该项投资亦很可观。对于中、西部等电力供应比较紧张的地区,高档娱乐、休闲中心必须考虑自备电源。方案2自备120KW柴油发电机组,夏季停电时,即可保证...

1、当您付费下载文档后,您只拥有了使用权限,并不意味着购买了版权,文档只能用于自身使用,不得用于其他商业用途(如 [转卖]进行直接盈利或[编辑后售卖]进行间接盈利)。
2、本站所有内容均由合作方或网友上传,本站不对文档的完整性、权威性及其观点立场正确性做任何保证或承诺!文档内容仅供研究参考,付费前请自行鉴别。
3、如文档内容存在违规,或者侵犯商业秘密、侵犯著作权等,请点击“违规举报”。

碎片内容

主机选型方案比较

您可能关注的文档

确认删除?
VIP
微信客服
  • 扫码咨询
会员Q群
  • 会员专属群点击这里加入QQ群
客服邮箱
回到顶部