电脑桌面
添加小米粒文库到电脑桌面
安装后可以在桌面快捷访问

挤密砂石桩 方案VIP免费

挤密砂石桩 方案_第1页
1/8
挤密砂石桩 方案_第2页
2/8
挤密砂石桩 方案_第3页
3/8
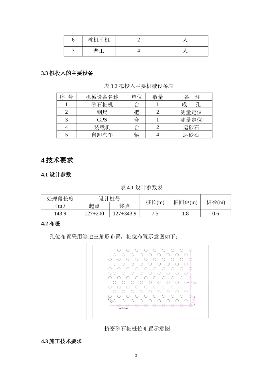
挤密砂石桩施工方案1工程概况1.1新郑南段三标概况本标段设计桩号为SH(3)127+200~SH(3)131+531.4,标段长度4.33km,标段内共有各类建筑物7座,其中河渠交叉建筑物1座,渠渠交叉建筑物1座,左岸排水建筑物1座,公路桥1座,生产桥3座。本标段渠道为梯形断面,渠底宽度为23.5m,渠道内一级边坡为1:2,一级马道(堤顶)宽5.0m,外坡一级边坡1:2,二级边坡1:2.5,渠道纵比降为1/26000。全段采用混凝土衬砌,渠坡厚度10cm,渠底厚度8cm。混凝土衬砌强度等级为C20,抗冻标号F150,抗渗标号W6。全渠段采用复合土工膜防渗。在渠底及渠坡防渗复合土工膜下均铺设保温板防冻层。在渠道开口线与永久占地线之间设有截流沟、防护堤、林带。截流沟纵比降根据地形确定,为防止冲刷,纵比降较陡处全断面采用干砌石护砌。1.2工程地质条件分布桩号SH(3)127+200~SH(3)127+930,长度0.73km,为填方段。以填方为主,填方高度一般1.5~7.0m。填方段地基以黄土状轻粉质壤土为主(alplQ4),局部为黄土状中粉质壤土为主(alplQ3)和人工填土(rQ)。全新统黄土状土主要位于桩号SH127+320以前,强度较低,局部具轻微~中等湿陷性,下部黄土状中粉质壤土多处于软塑状,不利于地基稳定。上更新统黄土状土主要位于桩号SH127+320以后,强度相对较高,上部具轻微~中等湿陷性,湿陷深度2~8m,湿陷起始压力5~150kPa。双洎河支流河床黄土状轻粉质壤土层存在地震液化问题,液化等级为严重。2编制依据1、南水北调中线一期工程总干渠沙河南~黄河南(委托建管项目)新郑南段第三施工标段(桩号:SH(3)127+200~SH(3)131+531.4,合同编号:HNJ-2010/XZ/SG-003)招标文件;2、南水北调中线一期工程总干渠沙河南~黄河南(委托建管项目)新郑南1段第三施工标段(桩号:SH(3)127+200~SH(3)131+531.4,合同编号:HNJ-2010/XZ/SG-003)招标图纸;3、南水北调中线一期工程总干渠新郑南段第3标段饱和液化砂土处理布置图(图号NZS(XZ3)-X001-3-09Ⅱ。4、《湿陷性黄土地区建筑规范》(GB50025-2004);5、《建筑地基处理技术规范》(JGJ79-2002);6、《地基基础设计规范》(DGJ08-11-1999);7、《水利水电工程施工质量检验与评定规程》(SL176-2007);8、《水利水电工程施工测量规范》(SL52-93)。3施工准备3.1施工准备1、测量准备:施工前测量队根据设计桩位放出施工桩位,桩位中心点用钎子插入地下,并用白灰圈出明示。2、技术准备:根据设计文件绘制挤密砂石桩桩位平面布置图。制定合理的施工工艺,选定合理的施工机械和技术人员。3、材料准备:挤密砂石桩施工时桩体的填料可采用砾砂、粗砂、中砂或石屑等硬质材料,最大粒径不宜大于50mm,含泥量不大于5%。3.2拟投入的主要人员表表3.1拟投入劳动力计划表序号工种人数单位1现场负责人2人2质检员1人3技术负责人1人4测量员2人5安全员1人26桩机司机2人7普工4人3.3拟投入的主要设备表3.2拟投入主要机械设备表序号机械设备名称单位数量备注1砂石桩机台1成孔2钢尺把2测量定位3GPS套1测量定位4装载机台2运砂石5自卸汽车辆4运砂石4技术要求4.1设计参数表4.1设计参数表处理段长度(m)设计桩号桩长(m)桩间距(m)桩径(m)起点终点143.9127+200127+343.97.51.80.64.2布桩孔位布置采用等边三角形布置,桩位布置示意图如下:挤密砂石桩桩位布置示意图4.3施工技术要求3修正工艺和参数报监理工程师审批材料检测桩机进场、拼装、就位清除松动层拟定方案,报监理工程师审批施工准备、测量放样试验段资料整理报监理工程师批准可液化砂土挤密后相对密度不低于0.75,挤密砂石桩施工时应间隔(跳打)进行,并由外侧向中间推进,均匀分布,逐步加密,及时夯填。砂石桩填充材料含泥量不得大于5%,最大粒径不大于50mm。5施工方法及施工工艺5.1工艺流程挤密砂石桩成桩工艺流程如下:5.2施工工艺为验证初定设计参数的挤密效果,按正三角形的排列形式,布置桩间距1.8m,桩径均为0.6m,桩长7.5m。利用装载机清理场地,接通电源,然后根据施工图纸测放桩位。1、桩机就位,合拢合瓣桩尖,将管桩向下垂直,使桩尖对准桩位标记,利用锤重及沉管自重徐徐静压1-2m后开动振动锤振动下沉。调整桩机搭架,使沉管与...

1、当您付费下载文档后,您只拥有了使用权限,并不意味着购买了版权,文档只能用于自身使用,不得用于其他商业用途(如 [转卖]进行直接盈利或[编辑后售卖]进行间接盈利)。
2、本站所有内容均由合作方或网友上传,本站不对文档的完整性、权威性及其观点立场正确性做任何保证或承诺!文档内容仅供研究参考,付费前请自行鉴别。
3、如文档内容存在违规,或者侵犯商业秘密、侵犯著作权等,请点击“违规举报”。

碎片内容

挤密砂石桩 方案

您可能关注的文档

确认删除?
VIP
微信客服
  • 扫码咨询
会员Q群
  • 会员专属群点击这里加入QQ群
客服邮箱
回到顶部