电脑桌面
添加小米粒文库到电脑桌面
安装后可以在桌面快捷访问

仓储管理绩效考核标准VIP免费

仓储管理绩效考核标准_第1页
1/3
仓储管理绩效考核标准_第2页
2/3
仓储管理绩效考核标准_第3页
3/3
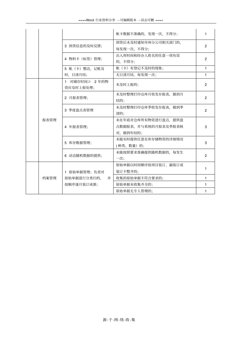
====Word行业资料分享--可编辑版本--双击可删====源-于-网-络-收-集仓储管理绩效考核标准第一部份:仓库管理考核标准序号考核项目考核内容考核评分标准分值分类存放1分类定库,合理存放;发现串类混杂存放;22划线定区;作业区等,未进行划线定区;13物资归属;不得在库房内储存合作方指定货物以外的物品,每发现违规一次;14合理利用仓库空间;合理利用仓库空间;1科学布局1仓库合理布局及科学编码;排列顺序无规律,规划不合理的;12建章立制;无仓库平面图或平面图绘制不正确的;1未制定并张贴仓库管理制度的;1未制定并张贴仓管员岗位责任制的;1库容库貌1库内外环境;库内外不清洁,不整齐美观的;22卫生;货架不卫生、不牢固的;1地面不洁的;13工具摆放;工具摆放不整齐,无固定位置存放的;1物资摆码1规范码垛;码垛的物资在同一垛中除最高一层外,必须以每层相同的数量放置,但不同垛每层放置的数量可以不同;凡未按此规范进行合理码垛的,每发现一次;3堆码不整齐美观的;22避免混堆;不同性能的物资不得混堆(属同一项目的工程物资除外),不同规格物资有混堆现象的;2安全措施1执行公安部的《仓库防火安全管理规则》及甲方的《安全管理制度》;无消防设备发现一项不得分,发生火灾不得分;32避免安全隐患;易爆物品或其他安全隐患的;23必须执行24小时的保安监控服务;每发现一次离岗现象;14持证上岗,规范作业;物流人员未持证上岗的;1发现工作人员未按照操作规程作业的;25按时安检,详细记录;未按时进行安全巡检的,每发现一次;未做好相应巡检记录的,每发现一次;装卸搬运1装卸搬运任务的完成;备货任务,每发现任意一项任务延迟一次的;1搬运装卸过程中每损坏物资一次,除按价索1====Word行业资料分享--可编辑版本--双击可删====源-于-网-络-收-集赔外;其他事项1门禁管理;非仓库人员进入仓库重地,未填写《出入库人员登记表》,每发现一次扣一分;22人员管理;未提供仓库作业人员岗位分工情况的;1有人员岗位变动,但未提前通知甲方的,每次;23稳定性管理;保持仓库管理人员的稳定性,不得频繁更换人员,应确保工作人员对业务的熟悉程度;每季度更换人员5人次及以上的;2第二部分:库存物资管理考核标准序号考核项目考核内容考核评分标准分值保管保养1污染的物资应分库存放;发现易燃物资未分库存放,每发现一项;1发现污染的物资未分库存放,每发现一项;12保持物资质量变质,有蛛网,每发现一次;1管理计划进度1确保物资的正确收发;错收或错发物资的情况,每发现一次;32遵守操作规程进行作业;违反操作规程的,每一次;23进行定期盘点和动态盘点没有按时盘点的,每发现一次;3盘点未及时做记录的,每发现一次;24帐卡实之间完全相符;任意一项数据有差错的;25时间质量(出库时间);实际交货时间超出规定的时间,每发生一次;16分拣质量指标;未按需求单出库,每出现一次物品错发的;3报废物资管理1回收利用与处理登记;没有按时整理回收物资的,每发现一次;1没有按时进行回收记录的,每发现一次;12入库管理;未对入库余料进行分类摆放的,每发现一次;1物资规范化管理1须严格按照《四川移动工程类物资物流管理规范书》进行物资管理作业;发现未按照此办法执行的,每发现一次;22严格入库管理;每发现一次来历不明的物品及危险品进入仓库;33提供优质服务,确保客户满意度;每发生一次经核查属实的合理客户投诉;3第三部分:仓储信息管理序号考核项目考核内容考核评分标准分值台帐管理1货位卡两帐统一发现未按要求设立台帐的,不得分;32确保出入库信息准确及时;出库后,应于当日内登记帐卡,未及时登记帐卡的,发现一次,不得分;2====Word行业资料分享--可编辑版本--双击可删====源-于-网-络-收-集帐卡数据不准确的,发现一次,不得分;13到货信息的及时反馈;到货后未及时通知市州分公司相关部门的,每发现一次,不得分;24物料卡(标签)管理;出入库时间和经办人姓名的任意一项有误的,不得分;25帐(卡)整洁,记帐及时,日清月结;帐(卡)有登记不及时的现象;1无日清月结,每发现一次;1报表管理1对储存时间≥2年的物资应及时上报处理;...

1、当您付费下载文档后,您只拥有了使用权限,并不意味着购买了版权,文档只能用于自身使用,不得用于其他商业用途(如 [转卖]进行直接盈利或[编辑后售卖]进行间接盈利)。
2、本站所有内容均由合作方或网友上传,本站不对文档的完整性、权威性及其观点立场正确性做任何保证或承诺!文档内容仅供研究参考,付费前请自行鉴别。
3、如文档内容存在违规,或者侵犯商业秘密、侵犯著作权等,请点击“违规举报”。

碎片内容

仓储管理绩效考核标准

确认删除?
VIP
微信客服
  • 扫码咨询
会员Q群
  • 会员专属群点击这里加入QQ群
客服邮箱
回到顶部