电脑桌面
添加小米粒文库到电脑桌面
安装后可以在桌面快捷访问

铝合金生产基本情况VIP免费

铝合金生产基本情况_第1页
1/4
铝合金生产基本情况_第2页
2/4
铝合金生产基本情况_第3页
3/4
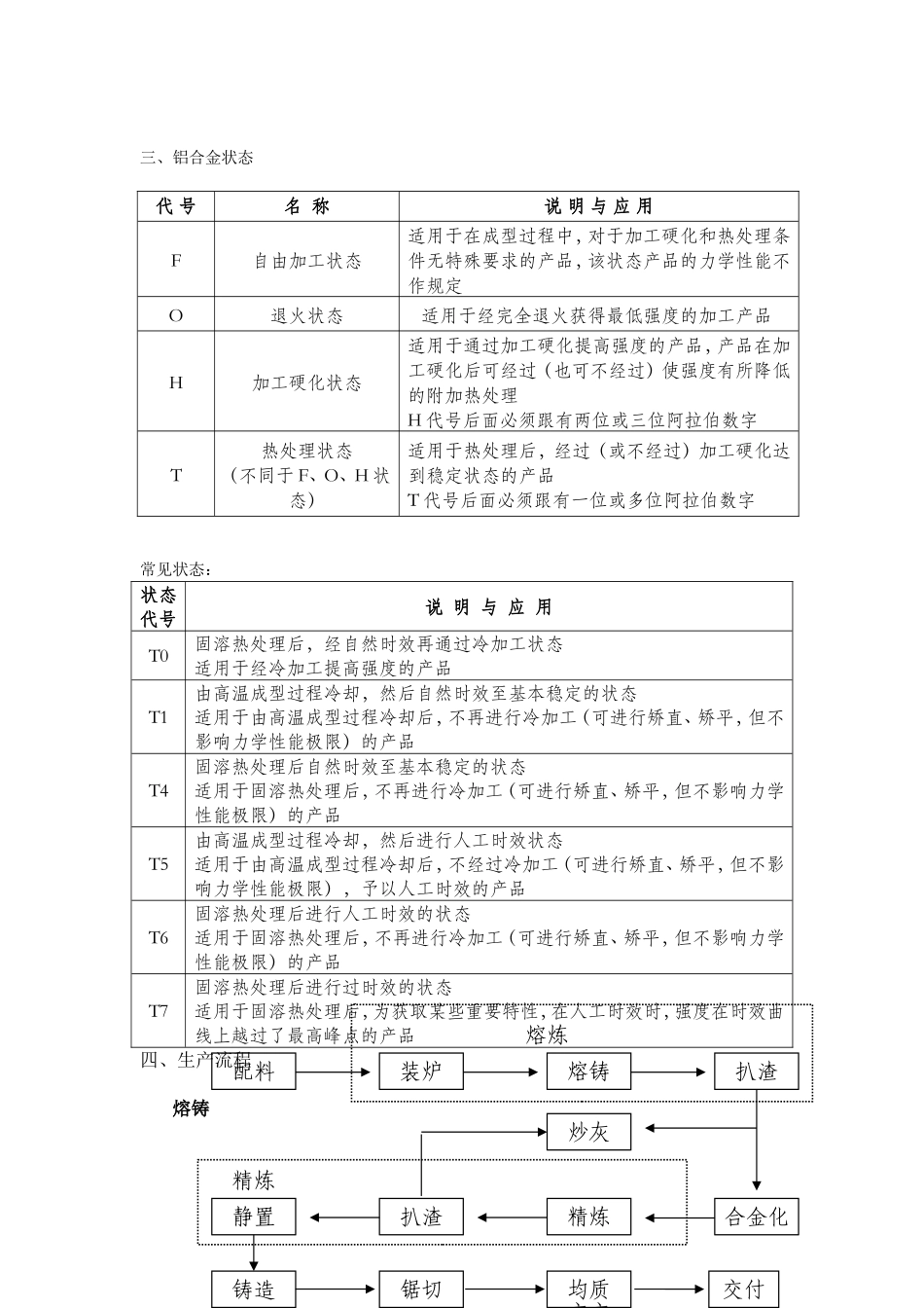
铝合金生产基本情况一、常用术语1.1合金:由基体元素、合金元素和杂质元素组成的一种金属物质。1.2杂质:存在于金属中但并非是有意加入或保留的金属或非金属元素。1.3变形铝合金:主要通过塑性变形加工成产品的合金。1.4纯铝:铝含量至少为99.0%且Si和Fe含量不大于1%,其余元素含量不大于0.1%。1.5型材:延其纵向全长,横断面均一,且横断面形状不同于棒材、管材、线材、板材等压力产品,型材又可分为空心型材和实心型材。1.6热处理:将金属材料放在一定的介质内加热、保温、冷却,通过改变材料表面或内部的金相组织结构来控制其性能的一种热加工工艺。1.7加工硬化:金属材料在再结晶温度以下发生塑性变形时强度和硬度升高,而塑性和韧性降低的现象。1.8变质处理:在铝合金液中加入微量钠或钠盐作为变质剂,进行变质处理,细化晶粒可以显著提高其强度和塑性。1.9淬火:将加热到高温的合金置入液态或气态介质中或与固体相接触,使合金快速冷却的一种热处理方法。1.10固溶处理:通过高温加热使铝合金中的强化相溶入基体,随后快速冷却以抑制强化相在冷却过程中重新析出,以获得铝基过饱和固溶体的过程。1.11均质(均匀化退火):均匀化退火是通过高温下常时间保温,原子充分扩散而使铸锭枝晶偏析消除达到成分、组织均匀,改善室温下塑性以及冷、热加工工艺性能,降低铸锭热轧开裂的危险。同时,均匀化退火可降低变形抗力,提高设备生产效率。均匀化退火的工艺制度,包括退火温度、加热速度、保温时间及冷却速度。1.12时效处理:在一定的温度下,保持一定的时间,过饱和固溶体发生分解(称为脱溶),引起铝合金强度和硬度大幅度提高,这种热处理过程称之为时效。在室温下自然停放一定的时间,铝合金强度及硬度提高的方法称为自然时效。人为的将铝合金制品在高于室温下的某一温度,保温一定的时间,以提高铝合金强度及硬度的方法称人工时效。时效强化的实质是从过饱和固溶体中析出许多非常细小的沉淀物颗粒(一般是金属化合物,也可能是过饱和固溶体中的溶质原子在许多微小地区聚集),形成一些体积很小的溶质原子富集区。二、铝合金分类铝合金可加工成板、带、条、箔、管、棒、型、线、自由锻件和模锻件等加工材(变形铝合金),也可加工成铸件、压铸件等铸造材(铸造铝合金)。纯铝—1×××系,如1000合金非热处理型合金Al-Mn系合金—3×××系,如3003合金Al-Si系合金—4×××系,如4043合金变形铝合金Al-Mg系合金—5×××系,如5083合金Al-Cu系合金—2×××系,如2024合金热处理型合金Al-Mg-Si系合金—6×××系,如6063合金铝及Al-Zn-Mg系合金—7×××系,如7075合金铝合金Al-其它元素—8×××系,如8089合金纯铝系非热处理型合金Al-Si系合金,如ZL102合金Al-Mg系合金,如ZL103合金铸造铝合金Al-Cu-Si系合金,如ZL107合金Al-Cu-Mg-Si系合金,如ZL110合金热处理型合金Al-Mg-Si系合金,如ZL104合金Al-Mg-Zn系合金,如ZL305合金变形铝合金合金牌号组别牌号系列纯铝(铝含量不小于99.00%)1×××以铜为主要合金元素的铝合金2×××以锰为主要合金元素的铝合金3×××以硅为主要合金元素的铝合金4×××以镁为主要合金元素的铝合金5×××以镁和硅为主要合金元素并以Mg2Si相为强化相的铝合金6×××以锌为主要合金元素的铝合金7×××以其它合金元素为主要合金元素的铝合金8×××三、铝合金状态常见状态:状态代号说明与应用T0固溶热处理后,经自然时效再通过冷加工状态适用于经冷加工提高强度的产品T1由高温成型过程冷却,然后自然时效至基本稳定的状态适用于由高温成型过程冷却后,不再进行冷加工(可进行矫直、矫平,但不影响力学性能极限)的产品T4固溶热处理后自然时效至基本稳定的状态适用于固溶热处理后,不再进行冷加工(可进行矫直、矫平,但不影响力学性能极限)的产品T5由高温成型过程冷却,然后进行人工时效状态适用于由高温成型过程冷却后,不经过冷加工(可进行矫直、矫平,但不影响力学性能极限),予以人工时效的产品T6固溶热处理后进行人工时效的状态适用于固溶热处理后,不再进行冷加工(可进行矫直、矫平,但不影响力学性能极限)的产品T7固溶热处理后进行过时效的...

1、当您付费下载文档后,您只拥有了使用权限,并不意味着购买了版权,文档只能用于自身使用,不得用于其他商业用途(如 [转卖]进行直接盈利或[编辑后售卖]进行间接盈利)。
2、本站所有内容均由合作方或网友上传,本站不对文档的完整性、权威性及其观点立场正确性做任何保证或承诺!文档内容仅供研究参考,付费前请自行鉴别。
3、如文档内容存在违规,或者侵犯商业秘密、侵犯著作权等,请点击“违规举报”。

碎片内容

铝合金生产基本情况

您可能关注的文档

确认删除?
VIP
微信客服
  • 扫码咨询
会员Q群
  • 会员专属群点击这里加入QQ群
客服邮箱
回到顶部