电脑桌面
添加小米粒文库到电脑桌面
安装后可以在桌面快捷访问

刘坤初三:液体的压强VIP免费

刘坤初三:液体的压强_第1页
1/8
刘坤初三:液体的压强_第2页
2/8
刘坤初三:液体的压强_第3页
3/8
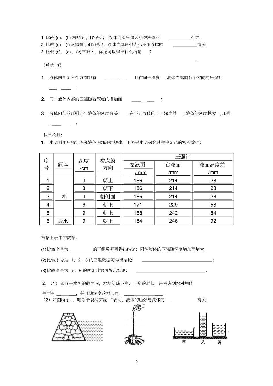
1液体的压强【问题1】液体压强的存在讨论:1.带鱼生活在深海中。你见过活的带鱼吗?为什么?2.潜水艇都用抗压能力很强的厚钢板制成,为什么?〖学生活动〗体验液体压强的存在1.用手指触及注满水的塑料袋表面,你的感觉是什么?。2.如下左图:在向玻璃管注水的过程中,玻璃管底部和侧部的橡皮膜的形状什么变化?。3.将蒙有橡皮膜的容器浸入水中,你看到了什么?。这些现象说明一个什么问题?。〖总结1〗1.液体对容器和都有压强。2.液体内部向都有压强。【问题2】液体压强产生的原因〖现象〗如图所示,A图在两端开口的玻璃管下方扎上橡皮膜,B图在侧边开口处扎上橡皮膜,会出现右图所示的现象。〖分析〗液体由于受到重力作用,对容器底部有向的压强;另一方面液体具有流动性,所以液体对容器也有压强。〖总结2〗液体压强产生的原因:液体也受,而且具有,所以液体对支撑它的容器底部和阻碍它流动的容器壁有。【问题3】探究影响液体内部压强大小的因素〖猜想〗你认为液体压强的大小可能跟那些因素有关?〖方案〗(1)如图,物理学中常利用如图所示的液体压强计测量液体压强,当探头的薄膜受压强的作用时,U形管左右两侧液面产生高度差液面高度差的大小反映了薄膜所受的大小。(2)该实验应采用什么科学方法:。(3)完成以下实验过程并记录分析实验现象21.比较(a)、(b)两幅图,可以得出:液体内部压强大小跟液体的有关.2.比较(e)、(f)两幅图,可以得出:液体内部压强大小还跟液体的有关.3.比较(c)、(d)、(e)三幅图,你还可以得出什么结论?.〖总结3〗1.液体内部朝各个方向都有________,且在同一深度,液体内部向各个方向的压强都_______;2.同一液体内部的压强随着深度的增加而_______;3.液体内部的压强还与液体的密度有关,在不同液体的同一深度处,液体的密度越大,压强_______。课堂检测:1.小明利用压强计探究液体内部压强规律,下表是小明探究过程中记录的实验数据:序号液体深度/cm橡皮膜方向压强计左液面/mm右液面/mm液面高度差/mm1水3朝上1862142823朝下1862142833朝侧面1862142846朝上1712295859朝上158242846盐水9朝上15424692根据上表中的数据:(1)比较序号为的三组数据可得出结论:同种液体的压强随深度增加而增大;(2)比较序号为l、2、3的三组数据可得出结论:;(3)比较序号为5、6的两组数据可得出结论:.2.(1)如图是水坝的截面图,水坝筑成下宽、上窄的形状,是考虑到水对坝体侧面有_____,并且随深度的增加而_______。(2)如图所示,“帕斯卡裂桶实验”表明,液体的压强与液体的有关.33.如图所示,甲、乙、丙三个容器中分别盛有水银、盐水、酒精,容器底部受到的液体压强相等,那么下列对甲、乙、丙三个容器中分别装的液体是()A.水银、盐水、酒精B.水银、酒精、盐水C.盐水、水银、酒精D.酒精、盐水、水银【问题一】探究液体压强的大小:1.通过前面的学习知道,由于在同一深度,液体像个方向的压强相等所以我们只要算出某一深度液体竖直向下的压强,也就知道了液体在这一深度各个方向上压强的大小。我们可以设想在此处有个水平放置的平面,设平面在液面下的深度为h,平面的面积为S。请推导计算这个平面上方液柱对这个平面的压强。液体的压强P======2.从推出的公式中我们也可以看出,液体产生的压强与液体的和有关。3.注意单位:压强单位为pa,且1pa=1N/m2,公式中g的单位为N/kg,这就要求ρ的单位必须是,h的单位必须是。3.一个盛水的试管由竖直方向逐渐倾斜.在水未从试管中流出前,水对管底的压强将()A.逐渐变大B.逐渐减小C.不发生变化D.先变大后变小4.将同一压强计的金属盒先后放人甲、乙两种液体中,现象如图所示,这两种液体的密度大小关系是()A.甲液体的密度一定小于乙液体的密度B.甲液体的密度一定等于乙液体的密度C.甲液体的密度一定大于乙液体的密度D.无法判断5.关于如图液体中以a、b、c三点压强的说法正确的是(盐水=103×103kg/m3)()A.a点向下压强比向上压强大B.a、b两点的压强相等C.b点压强比C点压强小D.b、c两点的压强相等第3题图第4题图第5题图42.液体压强的变化液体的压强大小只与液体的密度和的深度有关,一般用ghP来计算,同一样多的水盛...

1、当您付费下载文档后,您只拥有了使用权限,并不意味着购买了版权,文档只能用于自身使用,不得用于其他商业用途(如 [转卖]进行直接盈利或[编辑后售卖]进行间接盈利)。
2、本站所有内容均由合作方或网友上传,本站不对文档的完整性、权威性及其观点立场正确性做任何保证或承诺!文档内容仅供研究参考,付费前请自行鉴别。
3、如文档内容存在违规,或者侵犯商业秘密、侵犯著作权等,请点击“违规举报”。

碎片内容

刘坤初三:液体的压强

爱的疯狂+ 关注
实名认证
内容提供者

该用户很懒,什么也没介绍

相关文档

确认删除?
VIP
微信客服
  • 扫码咨询
会员Q群
  • 会员专属群点击这里加入QQ群
客服邮箱
回到顶部