电脑桌面
添加小米粒文库到电脑桌面
安装后可以在桌面快捷访问

木 工 技 术 交 底 记 录VIP专享VIP免费

木 工 技 术 交 底 记 录_第1页
1/18
木 工 技 术 交 底 记 录_第2页
2/18
木 工 技 术 交 底 记 录_第3页
3/18
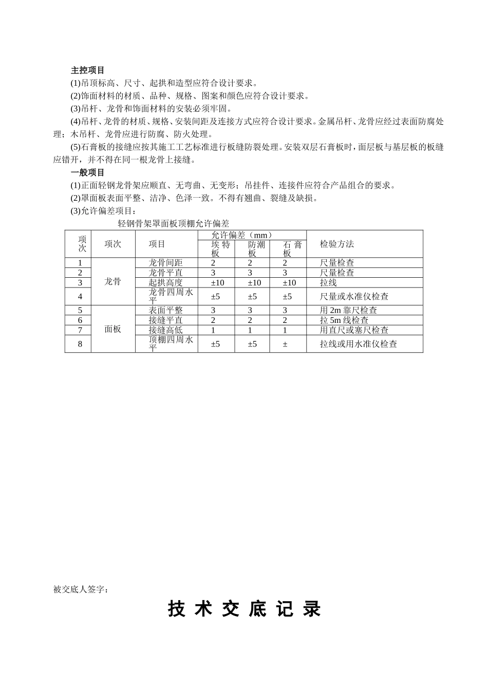
技术交底记录编号:建设单位名称交底人工程项目名称接受交底班组长施工单位名称记录人分部分项名称暗龙骨吊顶交底日期交底内容:一、工艺流程顶棚标高弹水平线→划龙骨分档线→安装水电管线→安装主龙骨→安装次龙骨→安装罩面板二、操作工艺(1)弹线用水准仪在房间内每个墙(柱)角上抄出来水平点(若墙体较长,中间也应适当抄几个点),弹出水准线(水准线距地面一般为+500mm)从水准线量至吊顶设计高度加上12mm(一层石膏板的厚度),用粉线沿墙(性)弹出水准线,即为吊顶次龙骨的下皮线。同时,按吊顶平面图,在混凝土顶板弹出主龙骨的位置。主龙骨应从吊顶中心向两边分,最大间距为1000mm,并标出吊杆的固定点,吊杆的固定点间距800-1000mm,如遇到梁和管道固定点大于设计和规程要求,应增加吊杆的固定点。(2)固定吊挂杆件采用膨胀螺栓固定吊挂杆件,吊杆长度如果大于1000mn,应采用Φ8的吊杆,还应设置反向支撑。上人的吊顶,吊杆长度等于1000mm,可以采用Φ8的吊杆,如果大于1000mm,应采用Φ10的吊杆,吊杆的一端同L30×30×3角码焊接(角码的孔径应根据吊杆及膨胀螺栓确定),另一端可以用攻丝套出大于100mm的丝杆,也可以买成品丝杆焊接。制作好的吊杆应做防锈处理,吊杆用膨胀螺栓固定在楼板上,用冲击电钻打孔,孔径应稍大于膨胀螺栓的直径。(3)在梁上设置吊挂杆件a.吊挂杆件应通直并有足够的承载能力。当预埋的杆件需要接长时,必须搭接焊牢,焊缝要均匀饱满。b.吊杆距主龙骨端部不得超过300mm,否则应增加吊杆。c.吊顶灯具、风口及检修口等应设附加杆件。(4)安装边龙骨边龙骨的安装应按设计要求弹线,沿墙(柱)上的水平龙骨线把L形镀锌轻钢条用自玫螺丝固定在预埋木砖上,如为混凝土墙(柱)上可用射钉固定,射钉间距应不大于吊顶次龙骨的间距。(5)安装主龙骨a.主龙骨应吊挂在吊杆上,主龙骨间距800-1000mm。主龙骨宜平行房间长向安装,同时应起拱,起拱高度为房间高度的1/200-1/300。主龙骨的搭接应采取对接,相邻龙骨的对接接头要相互错开,主龙骨挂好后应基本调平。b.跨度大于15m以上的吊顶,应在主龙骨上,每隔15m加一道大龙骨,并垂直主龙骨焊接牢固。c.吊顶如设检修走道,应另设附加吊挂系统,用10mm的吊杆与长度为1200mm的L15×5角钢横担用螺栓连接,横担间距为1800~2000mm,在横担上铺设走道,可以用6号槽钢两根间距600mm,之间用10mm的钢筋焊接,钢筋的间距为@100,将槽钢与横担角钢焊接牢固,在走道的一侧设有栏杆,高度为900mm可以用L50×4的角钢做立柱,焊接在走道槽钢上,之间用30×4的扁钢连接。(6)安装次龙骨次龙骨应紧贴主龙骨安装。次龙骨间距300-400mm。用T形镀锌铁片连接把次龙骨固定在主龙骨上时,次龙骨的两端应搭花L形边龙骨的水平翼缘上。墙上应预先标出次龙骨中心线的位置,以便安装罩面板时找到次龙骨的位置。当用自攻螺丝钉安装板材时,板材接缝处必须安装在宽度不小于40mm的次龙骨上。次龙骨不得搭接,在通风、水电等洞口周围应设附加龙骨,附加龙骨的连接用铆钉铆固。吊顶灯具、风口及检修口等应设附加吊杆和补强龙骨。(7)罩面板安装吊挂顶棚罩面板常用板材有纸面石膏板、埃特板、防潮板等,选用板材应考虑牢固可靠,装饰效果好,便于施工和维修,也要考虑重量轻、防火、吸声、隔热、保温等要求。a.纸面饰面板在自由状态下固定,防止出现弯棱、凸鼓的现象;还应在棚顶四周封闭的情况下安装固定,防止板面受潮变形,纸面石膏板的长边(既包封边)应纵向次龙骨铺没;白攻螺丝与纸面石膏板的距离,用面纸包封的板边以10~15mm为宜,切割的板边以15~20mm为宜;固定次龙骨的间距,一般不应大于600mm,在南方潮湿地区,间距应适当减小,以300mm为宜;钉距以150-170mm为宜,螺丝应于板面垂直,已弯曲、变形的螺丝应剔除,并在相隔50mm的部位另安螺丝;安装双层石膏板时,面层板与基层板的接缝应错开,不得在一根龙骨上;石膏板的接缝,应按设计要求进行板缝处理;纸面石膏板与龙骨固定,应从一块板的中间向板的四边进行固定,不得多点同时作业;螺丝钉头宜略埋入板面,但不得损坏纸面,钉眼应作防锈处理并用石膏腻子抹平;拌制石膏腻子肘,必须用清洁水和清洁容...

1、当您付费下载文档后,您只拥有了使用权限,并不意味着购买了版权,文档只能用于自身使用,不得用于其他商业用途(如 [转卖]进行直接盈利或[编辑后售卖]进行间接盈利)。
2、本站所有内容均由合作方或网友上传,本站不对文档的完整性、权威性及其观点立场正确性做任何保证或承诺!文档内容仅供研究参考,付费前请自行鉴别。
3、如文档内容存在违规,或者侵犯商业秘密、侵犯著作权等,请点击“违规举报”。

碎片内容

木 工 技 术 交 底 记 录

确认删除?
VIP
微信客服
  • 扫码咨询
会员Q群
  • 会员专属群点击这里加入QQ群
客服邮箱
回到顶部