电脑桌面
添加小米粒文库到电脑桌面
安装后可以在桌面快捷访问

钢结构预算计算规则VIP免费

钢结构预算计算规则_第1页
1/33
钢结构预算计算规则_第2页
2/33
钢结构预算计算规则_第3页
3/33
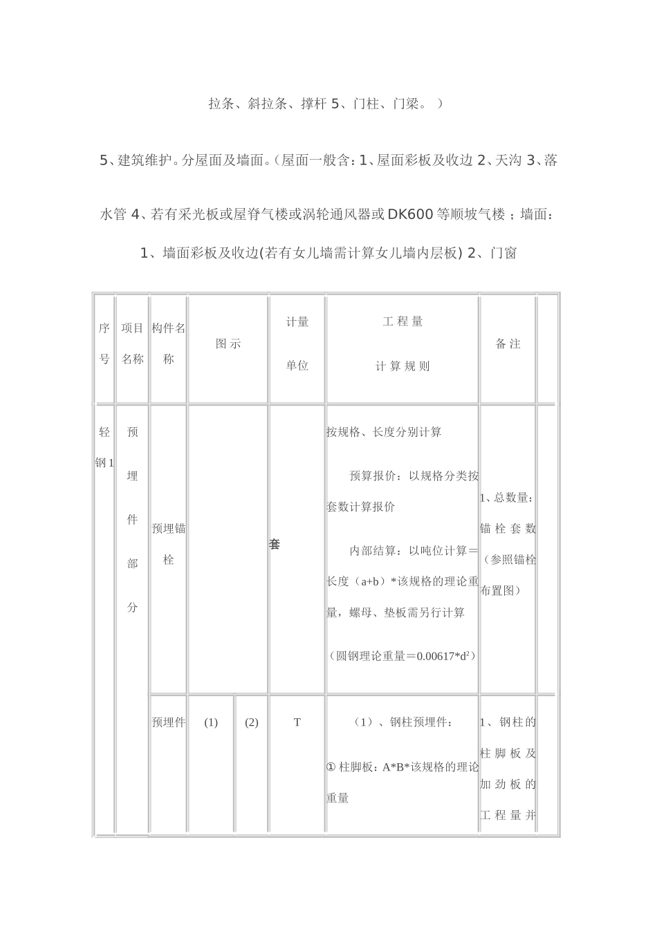
钢结构预算计算规则一般可以分成六大块:1、柱脚:2、钢柱3、刚架4、支撑。5、檩条6、建筑维护。分屋面及墙面具体可以分以下几大块:1、柱脚:包括柱底板、地脚螺栓、抗剪件。2、刚架。按榀数计算,钢柱、钢梁、节点(板及高强螺栓)3、支撑。(分屋面支撑和墙面支撑。屋面支撑包括有1、水平支撑2、系杆。3、雨棚梁等;墙面支撑包括:1、柱间支撑2、系杆。)4、檩条(同样按屋面及墙面分。屋面:1、檩条2、隅撑3、檩托板4、拉条、斜拉条、撑杆。墙面:1、檩条(墙面檩条、窗侧檩条、雨棚檩条)2、隅撑3、檩托板4、拉条、斜拉条、撑杆5、门柱、门梁。)5、建筑维护。分屋面及墙面。(屋面一般含:1、屋面彩板及收边2、天沟3、落水管4、若有采光板或屋脊气楼或涡轮通风器或DK600等顺坡气楼;墙面:1、墙面彩板及收边(若有女儿墙需计算女儿墙内层板)2、门窗序号项目名称构件名称图示计量单位工程量计算规则备注轻钢1预埋件部分预埋锚栓套按规格、长度分别计算预算报价:以规格分类按套数计算报价内部结算:以吨位计算=长度(a+b)*该规格的理论重量,螺母、垫板需另行计算(圆钢理论重量=0.00617*d2)1、总数量:锚栓套数(参照锚栓布置图)预埋件(1)(2)T(1)、钢柱预埋件:①柱脚板:A*B*该规格的理论重量1、钢柱的柱脚板及加劲板的工程量并②加劲板:(a+c)*b/2*该规格的理论重量(2)、门框柱预埋件:①预埋板:a1*b1*该规格的理论重量②螺杆:(L1+L2)*该规格的理论重量(钢板理论重量=7.85*t)(圆钢理论重量=0.00617*d2)入钢柱工程量中,门框柱等预埋件单列序号项目名称构件名称图示计量单位工程量计算规则备注轻钢2钢柱部分钢柱(H型)(1)(2)T(1)、钢柱(等截面):翼缘板=(钢柱顶标高-柱底板板底标高-柱脚板厚度-顶部节点板厚度)*翼缘板宽度*翼缘板的理论重量腹板=(钢柱顶标高-柱底板板底标高-柱脚板厚度-顶部1、在计算钢柱工程量时按照图纸节点详图把相关的节点板工程量计算出来节点板厚度)*(此腹板截面高度-两块翼缘板厚度)*腹板的理论重量(2)、钢柱(变截面):翼缘板计算方法和等截面柱翼缘板的计算方法相同腹板=(钢柱顶标高-柱底板板底标高-柱脚板厚度-顶部节点板厚度)*(腹板最大截面高度与最小截面高度的平均值-两块翼缘板厚度)*腹板的理论重量(3)、钢柱(等截面)钢柱实际高度*该型号的理论重量〔理论重量计算方法:翼缘板宽*翼缘板的理论重量*2+(腹板截面高度-两块翼缘板厚度)*腹板的理论重量〕(钢板理论重量=7.85*t)(如节点板形状为不规则或多边形钢板以其最小外接矩形面积*该规格的理论重量计算),把工程量并入钢柱中。2、工程有吊车梁,在钢柱上焊牛腿(H型钢),其计算方法同钢梁的计算方法,工程量并入钢柱工程量中。3、总重:相同钢柱单重*根数*榀数(参照钢架布置图)序号项目名称构件名称图示计量单位工程量计算规则备注轻钢3钢梁部分钢梁(H型)(1)(2)T(1)、钢梁(屋面有坡度):翼缘板=(梁实际长度-端头节点板厚度)*翼缘板宽度*翼缘板的理论重量腹板=(梁实际长度-端头节点板厚度)*(腹板截面高度-两块翼缘板厚度)*腹板的理论重量(2)钢梁(蜂窝梁):梁实际长度*该型号的理论1、实际长度=〔(水平长度*斜率)2+水平长度2〕的算术平方根,斜率是指垂直高度与水平宽度的比值2、在计算钢梁工程量时重量〔理论重量计算方法:翼缘板宽*翼缘板的理论重量*2+(腹板截面高度-两块翼缘板厚度)*腹板的理论重量〕(需扣除腹板上单个空洞面积在0.3m2以上所占的孔洞面积)(钢板理论重量=7.85*t)按照图纸节点详图把相关的节点板工程量计算出来(如节点板形状为不规则或多边形钢板以其最小外接矩形面积*该规格的理论重量计算),把工程量并入钢梁中。3、如钢梁为热轧H型钢、高频H型钢、T型钢等均按实际长度*该型号的理论重量计算〔高频H型钢理论重量计算方法:翼缘板宽*翼缘板的理论重量*2+(腹板截面高度-两块翼缘板厚度)*腹板的理论重量;热轧H型钢为成品故理论重量查其重量表〕序号项目名称构件名称图示计量单位工程量计算规则备注轻钢4檩条檩条T长度*该规格的理论重量[注:如檩条为C型钢时其理...

1、当您付费下载文档后,您只拥有了使用权限,并不意味着购买了版权,文档只能用于自身使用,不得用于其他商业用途(如 [转卖]进行直接盈利或[编辑后售卖]进行间接盈利)。
2、本站所有内容均由合作方或网友上传,本站不对文档的完整性、权威性及其观点立场正确性做任何保证或承诺!文档内容仅供研究参考,付费前请自行鉴别。
3、如文档内容存在违规,或者侵犯商业秘密、侵犯著作权等,请点击“违规举报”。

碎片内容

钢结构预算计算规则

书海行舟+ 关注
实名认证
内容提供者

热爱教学事业,对互联网知识分享很感兴趣

确认删除?
VIP
微信客服
  • 扫码咨询
会员Q群
  • 会员专属群点击这里加入QQ群
客服邮箱
回到顶部