电脑桌面
添加小米粒文库到电脑桌面
安装后可以在桌面快捷访问

起重机技术协议2015.1.20VIP专享VIP免费

起重机技术协议2015.1.20_第1页
1/11
起重机技术协议2015.1.20_第2页
2/11
起重机技术协议2015.1.20_第3页
3/11
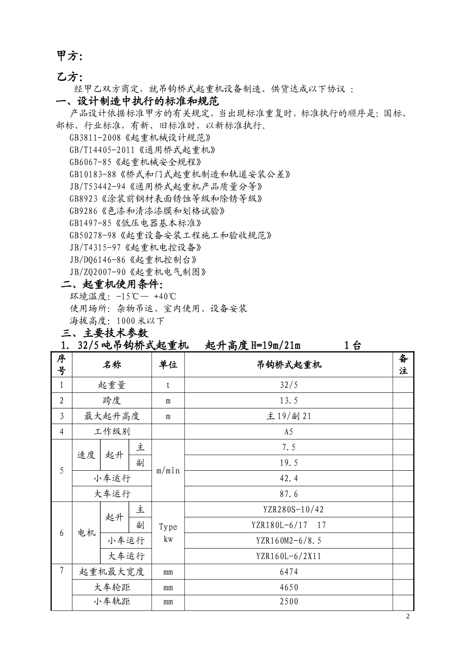
桥式起重机设备技术协议2015年月日吊钩桥式起重机技术协议1甲方:乙方:经甲乙双方商定,就吊钩桥式起重机设备制造、供货达成以下协议:一、设计制造中执行的标准和规范产品设计依据标准甲方的有关规定,当出现标准重复时,标准执行的顺序是:国标、部标、行业标准,有新、旧标准时,以新标准执行。GB3811-2008《起重机械设计规范》GB/T14405-2011《通用桥式起重机》GB6067-85《起重机械安全规程》GB10183-88《桥式和门式起重机制造和轨道安装公差》JB/T53442-94《通用桥式起重机产品质量分等》GB8923《涂装前钢材表面锈蚀等级和除锈等级》GB9286《色漆和清漆漆膜和划格试验》GB1497-85《低压电器基本标准》GB50278-98《起重设备安装工程施工和验收规范》JB/T4315-97《起重机电控设备》JB/DQ6146-86《起重机控制台》JB/ZQ2007-90《起重机电气制图》二、起重机使用条件:环境温度:-15℃—+40℃使用场所:杂物吊运、室内使用、设备安装海拔高度:1000米以下三、主要技术参数1.32/5吨吊钩桥式起重机起升高度H=19m/21m1台序号名称单位吊钩桥式起重机备注1起重量t32/52跨度m13.53最大起升高度m主19/副214工作级别A55速度起升主m/min7.5副19.5小车运行42.4大车运行87.66电机起升主TypekwYZR280S-10/42副YZR180L-6/1717小车运行YZR160M2-6/8.5大车运行YZR160L-6/2X117起重机最大宽度mm6474大车轮距mm4650小车轨距mm25002大车轨面至起重机顶部mm2345大车轨面至驾驶室底部mm2524缓冲器高度mm940驾驶室侧吊钩至轨道中心尺寸mm主2050mm副1070滑线侧吊钩至轨道中心尺寸mm主1700mm副26808重量小车t10.87总重t29.0379最大轮压KN25010大车钢轨QU7011电源三相交流380V50HZ12操作形式司机室操作,要求闭式司机室,司机室布置在滑线对侧,开门方向:暂定13小车供电方式软电缆供电,电缆采用扁电缆14大车供电方式角钢滑线、硬滑块15设备颜色橘红2.32/5吨吊钩式起重机起升高度H=32m/33m1台序号名称单位吊钩桥式起重机备注1起重量t32/52跨度m13.53最大起升高度m主31/副334工作级别A55速度起升主m/min7.5副19.5小车运行42.4大车运行87.66电机起升主TypekwYZR280M-8/5555副YZR180L-6/17小车运行YZR160M1-6/8.5大车运行YZR160M2-6/2X117起重机最大宽度mm7674大车轮距mm58503小车轨距mm3700大车轨面至起重机顶部mm2345大车轨面至驾驶室底部mm2524缓冲器高度mm940驾驶室侧吊钩至轨道中心尺寸mm主2050mm副1070滑线侧吊钩至轨道中心尺寸mm主1700mm副26808重量小车t13.1总重t32.269最大轮压KN26510大车钢轨QU7011电源三相交流380V50HZ12操作形式司机室操作,要求闭式司机室,司机室布置在滑线对侧,开门方向:暂定13小车供电方式软电缆供电,电缆采用扁电缆14大车供电方式角钢滑线、硬滑块15设备颜色橘红3.5吨电动单梁起重机1台序号名称单位电动单梁起重机备注1起重量t52跨度m13.53最大起升高度m184工作级别A35速度起升主m/min8小车运行20大车运行206电机起升主Typekw锥形电机7.5kw小车运行0.8大车运行2X0.87起重机最大宽度mm3000大车轮距mm2500大车轨面至起重机顶部mm6604非滑线侧吊钩至轨道中心尺寸mm841.5滑线侧吊钩至轨道中心尺寸mm1310总重t3.4988最大轮压KN35.79大车钢轨10电源三相交流380V50HZ11操作形式地操36v12小车供电方式3*6电缆13大车供电方式角钢滑线、硬滑块14设备颜色橘红四、供货范围1、QD型通用桥式起重机32/5t×13.5mA5主副起升高度H=19m/21m(数量1台)序号名称规格数量备注1桥架32/5t;跨度13.5m;级别A51套2小车32/5t;级别A5;起升高度16/18m1套3吊钩组32t吊钩组;5t吊钩组1套4钢丝绳22NAT6X19W+FC-167014NAT6X19W+FC-1670各1套5司机室闭式1套方向6电气控制部分32/5t;跨度13.5m;级别A51套电器控制柜、电缆线、开关等7附件32/5t;跨度13.5m;1套栏杆、梯子、缓冲器、小平台、小车导电竖架、小车导电工字钢等2、QD型通用桥式起重机32/5t×13.5mA5主副起升高度H=32m/33m(数量1台)序号名称规格数量备注1桥架32/5t;跨度13.5m;级别A51套2小车32/5t;级别A5;起升高度32/33m1套3吊钩组32t吊钩组;5t吊钩组1套4钢丝绳22NAT6X19W+FC-1670各1514NAT6X19W+FC-1670套5司机室闭式1套方向6电气控...

1、当您付费下载文档后,您只拥有了使用权限,并不意味着购买了版权,文档只能用于自身使用,不得用于其他商业用途(如 [转卖]进行直接盈利或[编辑后售卖]进行间接盈利)。
2、本站所有内容均由合作方或网友上传,本站不对文档的完整性、权威性及其观点立场正确性做任何保证或承诺!文档内容仅供研究参考,付费前请自行鉴别。
3、如文档内容存在违规,或者侵犯商业秘密、侵犯著作权等,请点击“违规举报”。

碎片内容

起重机技术协议2015.1.20

确认删除?
VIP
微信客服
  • 扫码咨询
会员Q群
  • 会员专属群点击这里加入QQ群
客服邮箱
回到顶部