电脑桌面
添加小米粒文库到电脑桌面
安装后可以在桌面快捷访问

土建工程定额VIP免费

土建工程定额_第1页
1/9
土建工程定额_第2页
2/9
土建工程定额_第3页
3/9
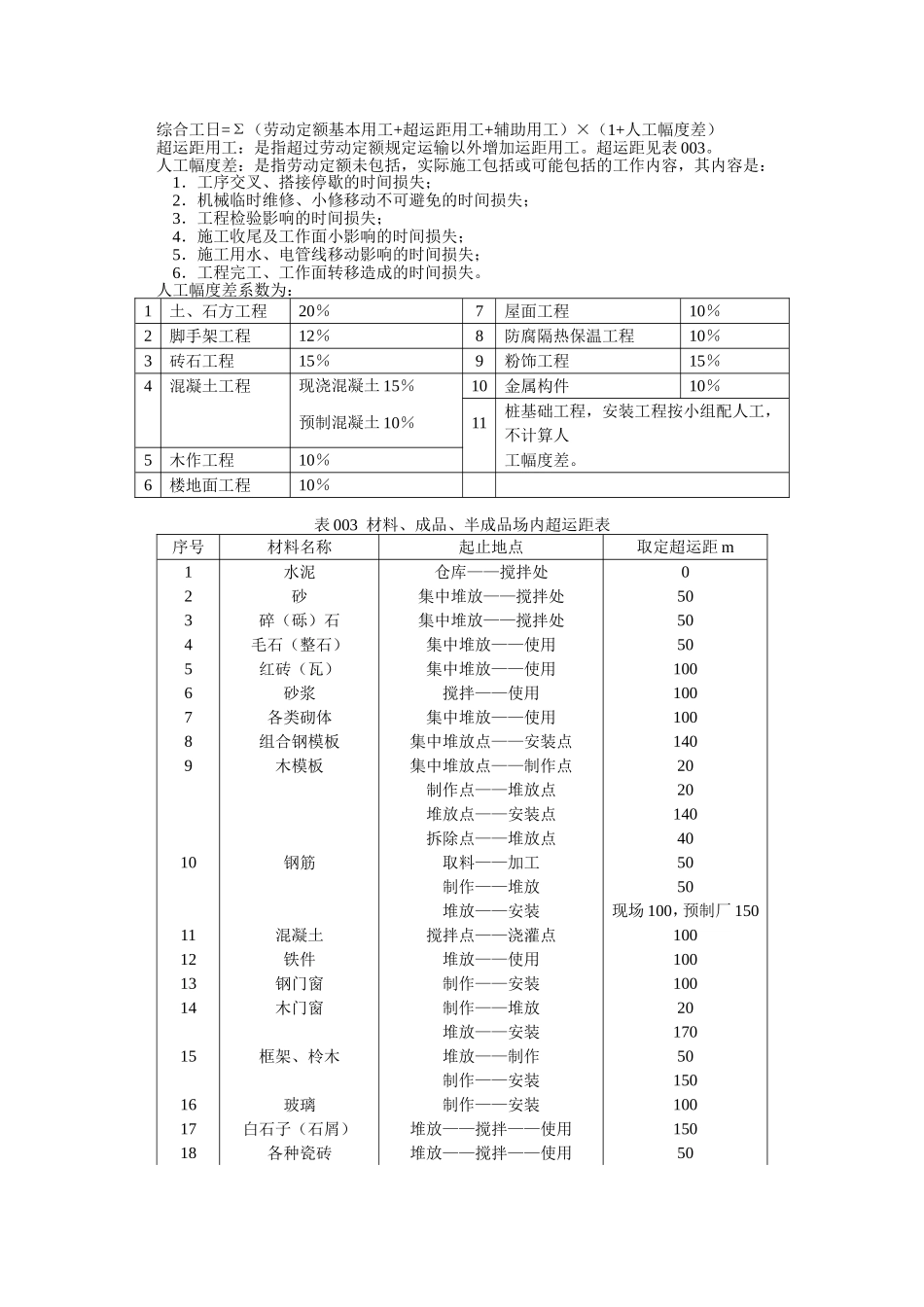
《土建定额》有关问题解释(一)总则问题列表001.定额使用范围是什么?002.定额包括的内容是什么?003.定额综合工日内容包括什么?004.定额材料消耗量包括什么内容?005.定额机械台班消耗量内容包括什么内容?006.在施工中由建设单位供水、供电时,施工单位应按水、电表的计量数向建设单位交纳费用。如无水电表时,如何计算?007.定额机械未注明规格,或定额中有此种机械,而《全国统一施工机械台班定额》无此种机械,应如何选用?008.定额项目垂直运输高度如何计算?009.垂直运输高度是否还有限制?010.建筑工程挖土方起点至终点的标高是指什么部位?起点至终点以外的因素应怎样计算?011.怎样理解虚土、天然密实土、夯实土、松填土?012.计算规则第6条“计算放坡时,在交接处的重复工程量不予扣除”,如计算后的工程量大于大开口所开挖的土方量时,应如何计算工程量?013.挖各类管道沟,应如何计算土方工程量?014.人工挖孔桩定额,适用于在有安全防护措施的条件下施工,怎样理解正确?015.什么车种需要计算重车上坡,其运距应怎样计算?001.定额使用范围是什么?[返回列表]总说明第二条规定:“本定额适用于工业与民用建筑新建、括建和改建工程”。对于特殊的建筑工程或专业性较强的建筑工程,应按照建设部关于定额管理分工的有关规定执行。“扩建”是指在原来基础行扩大建设规模,增加建筑面积。“改建”是指在原来基础上翻新改建,整体内外装修(包括土建、水、电、设备),部分或整体拆除以后重建。002.定额包括的内容是什么?[返回列表]总说明第四条规定“本定额是按照正常的施工条件,目前多数建筑企业的施工机械化装备程度,合理的施工工期、施工工艺、劳动组织为基础编制的”。正常施工条件:冬季日平均气温5℃以下,需要施工时,其增加的材料、人工降效因素列入费用定额项下;暑夏炎热施工,其暑夏炎热温度界限由各地区按当地常规规定。其增加的费用列入费用定额项下。适用于海拔高2000m、地震七度以内地区施工,超过地区,需增加特殊措施费由地区决定。建筑物施工高度是按20m以内制定的,超过高度建筑物按本定额第十四章规定另行计算。施工范围是指厂区(小区)以内,或新工程施工组织设计规定范围以内,超过时按有关规定处理。多数建筑企业的施工机械化装备程度,已在各章节项目组成中体现,除注明允许换算外,都按定额执行。合理工期是按Ⅱ类地区制定的。合理工艺经过调查已在章节项目中体现,除注明允许换算外,都按定额执行。合理劳动组织系按1985年国家劳动定额规定编制。003.定额综合工日内容包括什么?[返回列表]定额工日不分工种、技术等级,一律以综合工日表示。内容包括基本用工、超运距用工、辅助用工、人工幅度差等。定额人工综合工日数按下式计算:综合工日=Σ(劳动定额基本用工+超运距用工+辅助用工)×(1+人工幅度差)超运距用工:是指超过劳动定额规定运输以外增加运距用工。超运距见表003。人工幅度差:是指劳动定额未包括,实际施工包括或可能包括的工作内容,其内容是:1.工序交叉、搭接停歇的时间损失;2.机械临时维修、小修移动不可避免的时间损失;3.工程检验影响的时间损失;4.施工收尾及工作面小影响的时间损失;5.施工用水、电管线移动影响的时间损失;6.工程完工、工作面转移造成的时间损失。人工幅度差系数为:1土、石方工程20%7屋面工程10%2脚手架工程12%8防腐隔热保温工程10%3砖石工程15%9粉饰工程15%4混凝土工程现浇混凝土15%10金属构件10%预制混凝土10%11桩基础工程,安装工程按小组配人工,不计算人5木作工程10%工幅度差。6楼地面工程10%表003材料、成品、半成品场内超运距表序号材料名称起止地点取定超运距m1水泥仓库——搅拌处02砂集中堆放——搅拌处503碎(砾)石集中堆放——搅拌处504毛石(整石)集中堆放——使用505红砖(瓦)集中堆放——使用1006砂浆搅拌——使用1007各类砌体集中堆放——使用1008组合钢模板集中堆放点——安装点1409木模板集中堆放点——制作点20制作点——堆放点20堆放点——安装点140拆除点——堆放点4010钢筋取料——加工50制作——堆放50堆放——安装现场100,预...

1、当您付费下载文档后,您只拥有了使用权限,并不意味着购买了版权,文档只能用于自身使用,不得用于其他商业用途(如 [转卖]进行直接盈利或[编辑后售卖]进行间接盈利)。
2、本站所有内容均由合作方或网友上传,本站不对文档的完整性、权威性及其观点立场正确性做任何保证或承诺!文档内容仅供研究参考,付费前请自行鉴别。
3、如文档内容存在违规,或者侵犯商业秘密、侵犯著作权等,请点击“违规举报”。

碎片内容

土建工程定额

您可能关注的文档

确认删除?
VIP
微信客服
  • 扫码咨询
会员Q群
  • 会员专属群点击这里加入QQ群
客服邮箱
回到顶部