电脑桌面
添加小米粒文库到电脑桌面
安装后可以在桌面快捷访问

原子荧光分析条件VIP免费

原子荧光分析条件_第1页
1/7
原子荧光分析条件_第2页
2/7
原子荧光分析条件_第3页
3/7
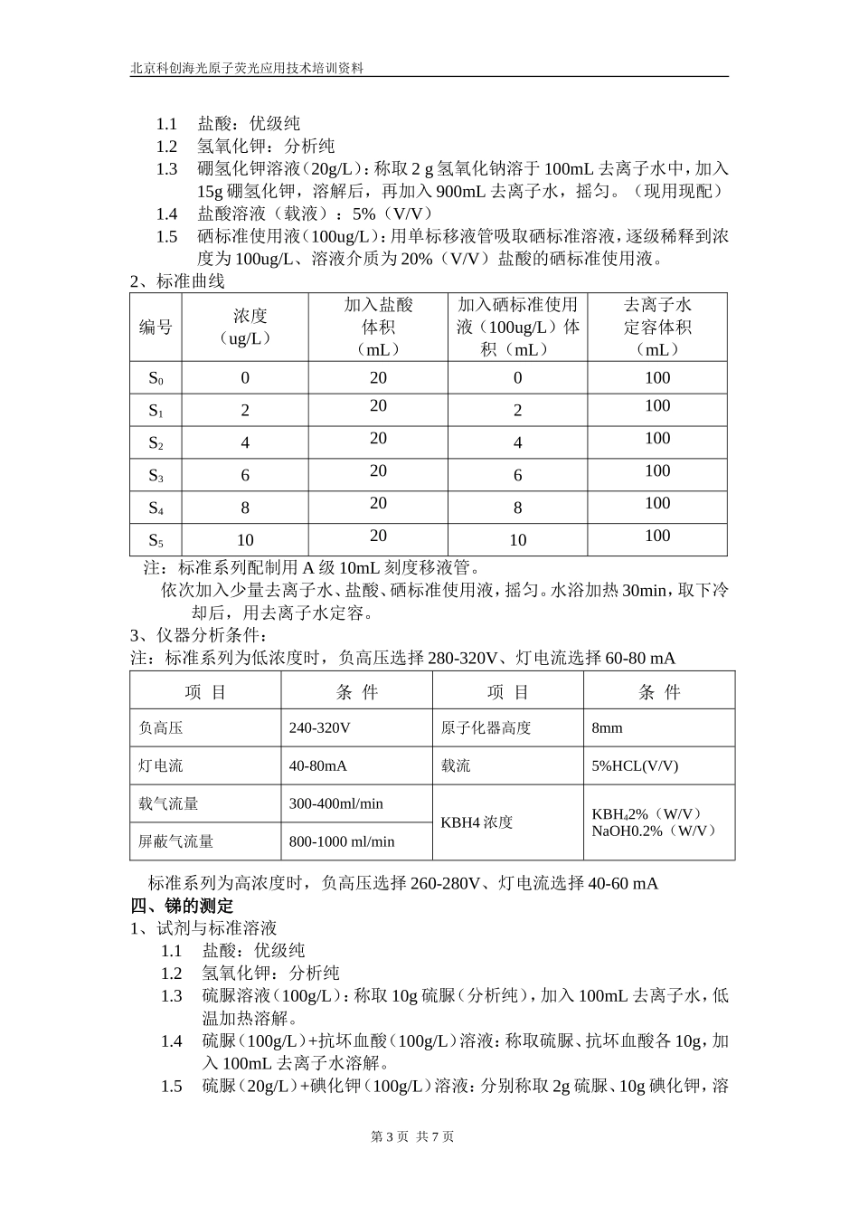
北京科创海光原子荧光应用技术培训资料氢化物发生原子荧光法测定砷(As)、硒(Se)、汞(Hg)、铅(Pb)、镉(Cd)、锑(Sb)的分析条件一、砷的测定1、试剂与标准溶液1.1盐酸:优级纯1.2氢氧化钾:分析纯1.3硫脲溶液(100g/L):称取10g硫脲(分析纯),加入100mL去离子水,低温加热溶解。1.4硫脲(100g/L)+抗坏血酸(100g/L)溶液:称取硫脲、抗坏血酸各10g,加入100mL去离子水溶解。1.5硼氢化钾溶液(20g/L):称取2g氢氧化钠溶于100mL去离子水中,加入20g硼氢化钾,溶解后,再加入900mL去离子水,摇匀。(现用现配)1.6盐酸溶液(载液):5%(V/V)1.7砷标准使用液(100ug/L):用单标移液管吸取砷标准溶液,逐级稀释到浓度为100ug/L、溶液介质为5%(V/V)盐酸的砷标准使用液。2、标准曲线编号浓度(ug/L)加入盐酸体积(mL)加入砷标准使用液(100ug/L)体积(mL)加入硫脲溶液(100g/L)体积(mL)去离子水定容体积(mL)S0010010100S1210210100S2410410100S3610610100S4810810100S510101010100注:还原剂可采用硫脲、硫脲+抗坏血酸。标准系列配制用A级10mL刻度移液管。依次加入少量去离子水、盐酸、砷标准使用液、硫脲溶液,用去离子水定容,摇匀。放置20-30min后测定。3、仪器分析条件:注:标准系列为低浓度时,负高压选择280-300V、灯电流选择80-100mA第1页共7页项目条件项目条件负高压260-300V原子化器高度8mm灯电流60-100mA载流5%HCL(V/V)载气流量300-400ml/minKBH4浓度KBH42%(W/V)北京科创海光原子荧光应用技术培训资料注:标准系列为低浓度时,负高压选择280-300V、灯电流选择80-100mA标准系列为高浓度时,负高压选择260-280V、灯电流选择60-80mA二、汞的测定1、试剂与标准溶液1.1盐酸:优级纯1.2硝酸:优级纯1.3重铬酸钾:优级纯1.4氢氧化钾:分析纯1.5硼氢化钾溶液(10g/L):称取2g氢氧化钠溶于100mL去离子水中,加入10g硼氢化钾,溶解后,再加入900mL去离子水,摇匀。(现用现配)1.6盐酸溶液(载液):5%(V/V)1.7汞标准使用液(100ug/L):用单标移液管吸取汞标准溶液,逐级稀释到浓度为100ug/L、溶液介质为5%(V/V)硝酸--(0.5g/L)重铬酸钾的汞标准使用液。2、标准曲线编号浓度(ug/L)加入盐酸体积(mL)加入汞标准使用液(100ug/L)体积(mL)去离子水定容体积(mL)S10.451100S20.852100S31.253100S41.654100S52.055100注:标准系列配制用A级2mL刻度移液管。汞标准储备液、使用液的介质为5%(V/V)硝酸--(0.5g/L)重铬酸钾。3、仪器分析条件:注:标准系列为低浓度时,负高压选择240-260V、灯电流选择30-40mA标准系列为高浓度时,负高压选择220-240V、灯电流选择20-30mA三、硒的测定1、试剂与标准溶液第2页共7页NaOH0.2%(W/V)屏蔽气流量800-1000ml/min项目条件项目条件负高压220-260V原子化器高度8mm灯电流20-40mA载流5%HCL(V/V)载气流量300-400ml/minKBH4浓度KBH41%(W/V)NaOH0.2%(W/V)屏蔽气流量800-1000ml/min北京科创海光原子荧光应用技术培训资料1.1盐酸:优级纯1.2氢氧化钾:分析纯1.3硼氢化钾溶液(20g/L):称取2g氢氧化钠溶于100mL去离子水中,加入15g硼氢化钾,溶解后,再加入900mL去离子水,摇匀。(现用现配)1.4盐酸溶液(载液):5%(V/V)1.5硒标准使用液(100ug/L):用单标移液管吸取硒标准溶液,逐级稀释到浓度为100ug/L、溶液介质为20%(V/V)盐酸的硒标准使用液。2、标准曲线编号浓度(ug/L)加入盐酸体积(mL)加入硒标准使用液(100ug/L)体积(mL)去离子水定容体积(mL)S00200100S12202100S24204100S36206100S48208100S5102010100注:标准系列配制用A级10mL刻度移液管。依次加入少量去离子水、盐酸、硒标准使用液,摇匀。水浴加热30min,取下冷却后,用去离子水定容。3、仪器分析条件:注:标准系列为低浓度时,负高压选择280-320V、灯电流选择60-80mA标准系列为高浓度时,负高压选择260-280V、灯电流选择40-60mA四、锑的测定1、试剂与标准溶液1.1盐酸:优级纯1.2氢氧化钾:分析纯1.3硫脲溶液(100g/L):称取10g硫脲(分析纯),加入100mL去离子水,低温加热溶解。1.4硫脲(100g/L)+抗坏血酸(100g/L)溶液:称取硫脲、抗坏血酸各...

1、当您付费下载文档后,您只拥有了使用权限,并不意味着购买了版权,文档只能用于自身使用,不得用于其他商业用途(如 [转卖]进行直接盈利或[编辑后售卖]进行间接盈利)。
2、本站所有内容均由合作方或网友上传,本站不对文档的完整性、权威性及其观点立场正确性做任何保证或承诺!文档内容仅供研究参考,付费前请自行鉴别。
3、如文档内容存在违规,或者侵犯商业秘密、侵犯著作权等,请点击“违规举报”。

碎片内容

原子荧光分析条件

确认删除?
VIP
微信客服
  • 扫码咨询
会员Q群
  • 会员专属群点击这里加入QQ群
客服邮箱
回到顶部