电脑桌面
添加小米粒文库到电脑桌面
安装后可以在桌面快捷访问

人防地下室平战转换VIP免费

人防地下室平战转换_第1页
1/9
人防地下室平战转换_第2页
2/9
人防地下室平战转换_第3页
3/9
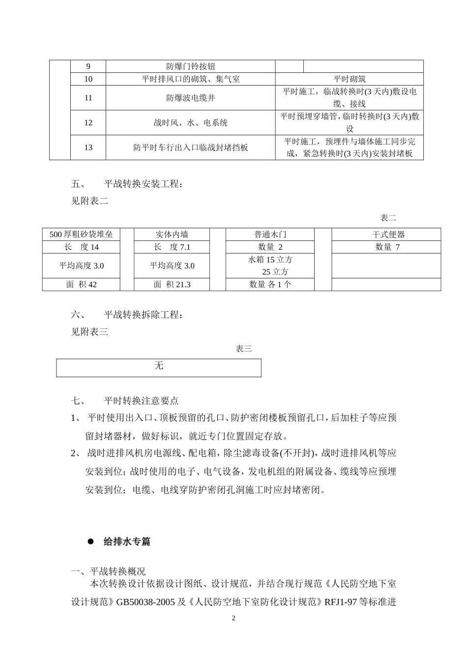
人防地下室平战转换专篇建筑专篇一、工程概况本建筑为宇威置业(深圳)有限公司龙华清湖工业园-办公楼、宿舍,地上六层,地下一层建筑高度26.100m总用地面积2740.93㎡,总建筑面积15558.98㎡,属二类高层民用建筑,地上耐火等级二级,地下耐火等级一级。二、设计依据1、《人民防空地下室设计规范》(GB50038-2005,2005年版)2、《人民防空工程设计防火规范》(GB50098-98,2001年版)3、《人民防地下室设计规范》图示(05SFJ10)4、《地下工程防水技术规范》(GB50108-2001)5、《民用建筑设计通则》(GB50352-2005)三、设计原则—平战结合平时功能:地下停车库战时功能:六级二等人员掩蔽所四、平战转换措施见附表一人防工程平战功能转换表表一序号功能名称转换时限及施工安装要求战时转换1战时人防专用房间:男女干厕、战时砌筑,临时转换时(3天内)完成2战时钢制水箱战时早期转换,30天内运输安装;紧急转换时(3天内)注水3车道入口、非人防区入口的人防门的关闭与封堵战时施工,紧急转换时(3天内)完成4平时风、水、电系统平时进排风系统战时紧急转换时(3天内)关闭风井处人防门,停止平时通风平时上下水系统战时紧急转换时(3天内)关闭所有阀门平时转换5防爆地漏、染毒水池、普通地漏、排水管、集水井与底板施工同步完成6各类防护密闭门、密闭门边框及预埋件与墙体施工同步完成,门扇安装在验收前完成7进排风口的防爆波悬板活门同上8进排风口的超压排气阀门19防爆门铃按钮10平时排风口的砌筑、集气室平时砌筑11防爆波电缆井平时施工,临战转换时(3天内)敷设电缆、接线12战时风、水、电系统平时预埋穿墙管,临时转换时(3天内)敷设13防平时车行出入口临战封堵挡板平时施工,预埋件与墙体施工同步完成,紧急转换时(3天内)安装封堵板五、平战转换安装工程:见附表二表二500厚粗砂袋堆垒实体内墙普通木门干式便器长度14长度7.1数量2数量7平均高度3.0平均高度3.0水箱15立方25立方面积42面积21.3数量各1个六、平战转换拆除工程:见附表三表三无七、平时转换注意要点1、平时使用出入口、顶板预留的孔口、防护密闭楼板预留孔口,后加柱子等应预留封堵器材,做好标识,就近专门位置固定存放。2、战时进排风机房电源线、配电箱,除尘滤毒设备(不开封),战时进排风机等应安装到位;战时使用的电子、电气设备,发电机组的附属设备、缆线等应预埋安装到位;电缆、电线穿防护密闭孔洞施工时应封堵密闭。给排水专篇一、平战转换概况本次转换设计依据设计图纸、设计规范,并结合现行规范《人民防空地下室设计规范》GB50038-2005及《人民防空地下室防化设计规范》RFJ1-97等标准进2行转换设计,以达到战时使用要求。本工程平战结合设计,地下一层为人防地下室平时为汽车库,战时为6级二等人员掩蔽所,共一个防护单元。二、平战转换的内容1、平时的建设标准:1)战时使用的给水引入管.排水出户管和防爆波地漏;2)消防管道.附件及设备;3)平战结合使用的集水坑及加压设备;4)钢板水箱及其管件.水龙头加压设备等的采购集中设于材料堆放场;平时安装主要设备材料表序号名称单位数量备注标准图集1消火栓系统//平时安装到位详见设计图2喷淋系统//平时安装到位详见设计图3给水管//接至人防水箱用水点附近详见设计图4防爆地漏(DN100)个6平时安装到位07FS025防护阀(DN150)个2平时安装到位(设于喷淋干管)07FS026防护阀(DN150)个2平时安装到位(设于低区消火栓干管)07FS027防护阀(DN100)套2平时安装到位(设于通气管)07FS028防护阀(DN100)套2平时安装到位(设于人防进水引入管)07FS029防护阀(DN50)套2平时安装到位(设于喷淋支管)07FS0210手摇泵SH-38台2平时安装到位(设于集水坑)07FS0211潜污泵65WQ25-15-2.2台2平时安装到位01S30512防护密闭套管个2平时安装到位07FS022、临战时转换的内容:1)生活及饮用水箱的安装及调试;2)干厕的安装3、本工程平战转换内容的具体位置.数量参照下表及全套人防给排水设计图;平战转换主要设备材料表序号名称单位数量备注标准图集31组装式战时水箱(LXBXH=2500X2500X2500)个1临战时安装02S1012组装式战时水箱(LXBXH=3000X2500X3500)个1临战时安装02S1013...

1、当您付费下载文档后,您只拥有了使用权限,并不意味着购买了版权,文档只能用于自身使用,不得用于其他商业用途(如 [转卖]进行直接盈利或[编辑后售卖]进行间接盈利)。
2、本站所有内容均由合作方或网友上传,本站不对文档的完整性、权威性及其观点立场正确性做任何保证或承诺!文档内容仅供研究参考,付费前请自行鉴别。
3、如文档内容存在违规,或者侵犯商业秘密、侵犯著作权等,请点击“违规举报”。

碎片内容

人防地下室平战转换

确认删除?
VIP
微信客服
  • 扫码咨询
会员Q群
  • 会员专属群点击这里加入QQ群
客服邮箱
回到顶部